Những ứng dụng của kĩ thuật lạnh trong thực tế

MỤC LỤC

LÀM LẠNH NHỜ HIỆU ỨNG HẤP THỤ

Phương pháp làm lạnh bằng hấp thụ được thực hiện nhờ các phản ứng hóa nhiệt liên tiếp nhau của môi chất làm lạnh và chất hấp thụ khi ở cùng áp suất và nhiệt độ. Các chất thông dụng là H2O-NH3; LiBr-H2O. Chúng ta sẽ xem xét kỹ ở phần máy lạnh hấp thụ. Ban quyen © Truong DH Su pham Ky thuat TP. MÔI CHẤT LÀM LẠNH, MÔI CHẤT TẢI LẠNH, DẦU BÔI TRƠN. 2.1 CÁC YÊU CẦU ĐỐI VỚI MÔI CHẤT LÀM LẠNH. 1) Nhiệt độ sôi ở áp suất khí quyển phải thấp: tránh cho thiết bị bay hơi khỏi phải làm việc với áp suất chân không. 2) Ở nhiệt độ môi trường áp suất ngưng tụ phải thấp, song phải cao hơn áp suất khí quyển: giảm chiều dày các thiết bị, đường ống trong hệ thống lạnh. 3) Nhiệt độ tới hạn phải cao: tăng dải làm việc cho máy lạnh. 4) Nhiệt độ điểm 3 pha phải thấp: tăng dải làm việc cho máy lạnh. 5) Nhiệt ẩn hóa hơi lớn: lượng môi chất tuần hoàn trong hệ thống nhỏ. 6) Nhiệt dung riêng đẳng áp phải lớn: các đường đẳng áp càng nằm ngang thì chu trình càng gần về chu trình ngược Carnot. 7) Độ nhớt vừa phải: độ nhớt lớn làm tăng công tiêu tốn vô ích cho ma sát, độ nhớt nhỏ thì môi chất dễ rò rỉ qua khe hở. 10) Không phản ứng với dầu bôi trơn. 11) Không phản ứng hóa học, không ăn mòn kim loại của máy móc, đường ống hệ thống lạnh. 12) Hòa tan được nước: để tránh gây tắc van tiết lưu khi môi chất có lẫn nước. 14) Khi rò rỉ không làm hỏng các sản phẩm cần bảo quản lạnh. 17) Không gây ô nhiễm môi trường. Vì vậy khi chọn môi chất phải dựa vaò các yêu cầu thực tế quan trọng nhất, bỏ qua các yêu cầu còn lại.

LỰA CHỌN DẦU BÔI TRƠN MÁY LẠNH

Các loại dầu này chỉ có thể dùng trong các hệ thống lạnh có môi chất gốc dầu thô LPG như propan, butan, izobutan.

BẢNG CHỌN DẦU BÔI TRƠN MÁY LẠNH

Dầu có điểm vẩn đục thấp tức là nó có hàm lượng sáp nhỏ và do đó rất phù hợp với các hệ thống lạnh môi chất (H)CFC làm việc với nhiệt độ bay hơi thấp. Khi hàm lượng sáp trong dầu bị phân ly sẽ hạn chế được những bất lợi xảy ra với van tiết lưu và van điều chỉnh. Chữ “L” đứng trước số chỉ màu để biểu thị rằng dầu hơi sáng hơn màu chỉ thị. Các dầu máy lạnh thường có màu rất sáng. 8) Điểm anilin: là nhiệt độ (đo bằng oC) mà dầu trở nên một hỗn hợp trong suốt với anilin nguyên chất. Nó biểu thị số lượng cacbon chưa no có trong dầu và rất có ý nghĩa khi xác định độ tương hợp của dầu khi tiếp xúc với những loại cao su khác nhau. Đa số dầu máy lạnh có điểm anilin rất thấp và ít có khả năng phân hủy các gioăng đệm cao su, trừ các loại dầu P. 9) Độ trung hòa: biểu thị hàm lượng axít có trong dầu và được đo bằng hàm lượng hyđroxít kali có trong dầu: mg KOH/1g dầu thí nghiệm. Trong đú trỡnh bày rừ khả năng phù hợp của từng loại dầu với môi chất amôniăc, với môi chất (H)CFC chỉ trình bày giới hạn nhiệt độ bay hơi cho phép làm việc với từng loại dầu.

MÁY LẠNH 1 CẤP

MÁY LẠNH 1 CẤP DÙNG MÔI CHẤT LÀ KHÔNG KHÍ

Trong lạnh cryo thì môi chất nhất định là không khí do lạnh cryo chính là lạnh hóa lỏng không khí.

MÁY LẠNH 1 CẤP LÀM VIỆC VÙNG 2 PHA DÙNG MÁY DÃN NỞ

Thực tế các chu trình nhả nhiệt, nhận nhiệt đều có độ chênh nhiệt độ (nhiệt độ nguồn nóng nhỏ hơn Tk; nhiệt độ nguồn lạnh lớn hơn To). Do đó chu trình thực vẫn có hệ số làm lạnh nhỏ hơn hệ số làm lạnh của chu trình Carnot. Chu trình máy lạnh này là lý tưởng song hiện nay không thực hiện được do các trở ngại kỹ thuật:. 1) Đối với máy nén khi làm việc ở vùng 2 pha khi nén lên áp suất cao, nhiệt độ lớn, các hạt lỏng môi chất nhận nhiệt hóa hơi đột ngột, làm áp suất tăng dạng xung gây thủy kích máy nén, phá hỏng máy nén nhanh chóng. Do đó các máy nén thực làm việc ở vùng hơi bão hòa khô và quá nhiệt. 2) Các chất lỏng thực tế coi như không chịu nén. Các máy lạnh cryo hóa lỏng không khí bắt buộc phải sử dụng máy dãn nở để khởi động hệ thống và bù tổn thất nhiệt, song cũng chỉ làm việc ở vùng có độ khô tương đối lớn (x  0,5  0,7).

MÁY LẠNH 1 CẤP THỰC HIỆN HÀNH TRÌNH KHÔ DÙNG VAN TIẾT LƯU

Chu trình lý thuyết (Hình 3.3): hơi bão hòa khô từ thiết bị bay hơi IV đi đến máy nén, nén đoạn nhiệt, đẳng entropy theo quá trình 1-2 trở thành hơi quá nhiệt cao áp, tiêu tốn ngoại công l. Môi chất với thông số trạng thái 2 đi vào thiết bị ngưng tụ II, ngưng tụ đẳng áp theo quá trình 2- 3, nhả nhiệt qk thành lỏng hoàn toàn (lỏng bão hòa khô với thông số trạng thái 3). Lỏng cao áp với thông số trạng thái 3 đi đến van tiết lưu III và tiết lưu đẳng enthalpy thành hơi bão hòa ẩm hạ áp với thông số trạng thái 4. Với thông số trạng thái 4 môi chất đi vào cụm thiết bị bay hơi IV và bình tách lỏng V nhận nhiệt qo đẳng áp, đẳng nhiệt đến thông số trạng thái 1 rồi quay trở về máy nén I. Cứ thế chu trình tiếp diễn. Hệ số làm lạnh  nhỏ hơn chu trình Carnot song máy nén chạy hành trình khô. 1) Máy lạnh chạy hành trình khô nên năng suất lạnh riêng qo đạt giá trị cực đại do điểm 1 nằm trên đường có độ khô x=1. Các chất lỏng thực tế xem như không chịu nén. Do đó có thể coi mọi đường đẳng áp ở phần lỏng là trùng nhau và trùng với đường độ ẩm y=1. Từ đó ta có thể xem quá trình 35 là quá trình đẳng áp với pk=const, nhiệt lượng nhả ra ở quá trình 35 là:. Quá trình 3-4 là quá trình tiết lưu nên:. 3) Các máy lạnh thực tế khi làm việc theo chế độ tính toán thiết kế thông số trạng thái điểm bắt đầu nén đều là hơi quá nhiệt do môi chất trao đổi nhiệt trên đường ống từ thiết bị bay hơi về máy nén với môi trường xung quanh, do môi chất tiếp xúc với các chi tiết có nhiệt độ cao trong buồng nén của xy lanh máy nén. 4) Có 2 phương pháp chính chạy hành trình khô là dùng bình tách lỏng và dùng thiết bị hồi nhiệt.

MÁY LẠNH 1 CẤP THỰC HIỆN HÀNH TRÌNH KHÔ DÙNG BÌNH TÁCH LỎNG

Chu trình lý thuyết (Hình 3.4): hơi bão hòa ẩm từ thiết bị bay hơi IV đi vào bình tách lỏng V, ở bình tách lỏng các giọt lỏng bão hòa với thông số trạng thái 6 được tách ra khỏi môi chất rồi quay trở về thiết bị bay hơi. Môi chất với thông số trạng thái 2 môi chất đi vào thiết bị ngưng tụ II, ngưng tụ đẳng áp theo quá trình 2-3, nhả nhiệt qk thành lỏng hoàn toàn (lỏng bão hòa khô với thông số trạng thái 3’, lỏng quá lạnh với thông số trạng thái 3). Lỏng cao áp với thông số trạng thái 3 đi đến van tiết lưu III và tiết lưu đẳng enthalpy thành hơi bão hòa ẩm hạ áp với thông số trạng thái 4. Với thông số trạng thái 4 môi chất đi vào cụm thiết bị bay hơi IV và bình tách lỏng V nhận nhiệt qo đẳng áp, đẳng nhiệt đến thông số trạng thái 1 rồi quay trở về máy nén I. Cứ thế chu trình tiếp diễn. Tuy nhiên phải thêm thiết bị quá lạnh. 2) Máy lạnh amôniăc 1 cấp làm việc theo chu trình này.

Hình 3.4: Máy lạnh 1 cấp dùng thiết bình tách lỏng.
Hình 3.4: Máy lạnh 1 cấp dùng thiết bình tách lỏng.

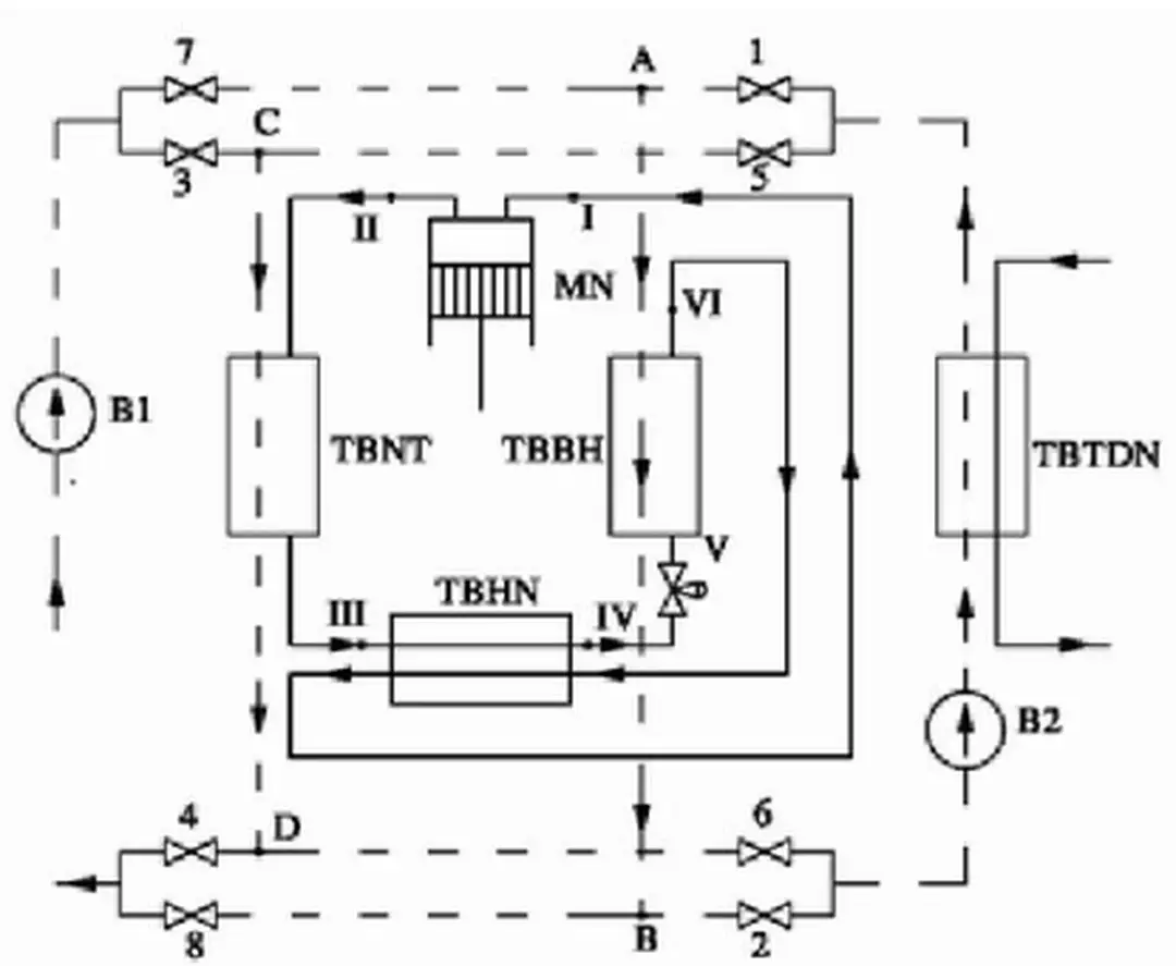
BƠM NHIỆT

Hơi môi chất từ thiết bị bay hơi TBBH với thông số trạng thái VI đi vào thiết bị hồi nhiệt TBHN, tại đây hơi môi chất nhận nhiệt của môi chất lỏng cao áp, biến đổi theo quá trình VI-I thành hơi quá nhiệt và đi vào máy nén MN. Bơm B1 hút nước từ sông, hồ tự nhiên bơm nước qua van 3, tới điểm C, vào thiết bị ngưng tụ TBNT; tại đây nước nhận nhiệt ngưng tụ qk của môi chất lạnh, sau đó tới điểm D , van 4 rồi xả trở lại sông hồ.

Hình 3.6: Bơm nhiệt công suất lớn.
Hình 3.6: Bơm nhiệt công suất lớn.

TÍNH TOÁN CHU TRÌNH MÁY LẠNH 1 CẤP

Bơm B1 hút nước từ sông, hồ tự nhiên bơm nước qua van 7, tới điểm A, vào thiết bị bay hơi TBBH; tại đây nước nhả nhiệt qo cho môi chất lạnh bay hơi, sau đó tới điểm B, van 8 rồi xả trở lại sông hồ. Vì lý do kỹ thuật: các vật khi nóng lên thì thể tích tăng lên, nên khi piston lên đến điểm cao nhất (Hình 4.1, điểm 3 - gọi là điểm chết trên - hoặc tử điểm thượng) vẫn không chạm vào bề mặt nắp quy lát (cụm van đẩy) máy nén, do đó trong xy lanh vẫn còn một khoảng không gian cho môi chất; khoảng không gian này được gọi là không gian chết Vc.

Hình 4.1: Máy nén 1 cấp có không gian chết.
Hình 4.1: Máy nén 1 cấp có không gian chết.

MÁY LẠNH HAI CẤP KHÔNG TRÍCH HƠI TRUNG GIAN, LÀM MÁT TRUNG GIAN KHÔNG HOÀN TOÀN

Chu trình: Trong sơ đồ này (Hình 4.4) môi chất đi qua máy nén thấp áp và máy nén áp cao không bằng nhau do có trích một phần hơi trung gian, hơi này tạo ra sau tiết lưu TL1. Hơi môi chất với áp suất po, nhiệt độ T1 được nén ở máy nén thấp áp đến áp suất trung gian pTG. Tiếp theo được làm mát đến điểm 3 ở thiết bị làm mát trung gian. Sau khi ra khỏi thiết bị làm mát trung gian hơi môi chất được hỗn hợp với buồng hơi bão hòa khô sau van tiết lưu TL1 ứng với thông số trạng thái 10 tạo thành hỗn hợp có thông số trạng thái 4. Máy nén cao áp nén đến áp suất pk. Hơi cao áp được đưa vào bộ ngưng và ngưng tụ đến điểm 6. Lỏng tiết lưu qua tiết lưu 1 đến trạng thái 7. Phần hơi  sinh ra sau van tiết lưu TL1 với trạng thái 10 được đưa trở lại đầu hút máy nén áp cao; phần lỏng với trạng thái 9 đi tiếp qua van tiết lưu TL2 vào thiết bị. Ban quyen © Truong DH Su pham Ky thuat TP. bay hơi nhận nhiệt qo đến thông số trạng thái 1 rồi về đầu hút máy nén thấp áp. Chu trình được tính toán cho 1kg môi chất đi qua thiết bị bay hơi. Xác định theo phương trình cân bằng nhiệt bình trung gian:. 9) Lượng môi chất tuần hoàn qua máy nén thấp áp: GNAT = Qo/qo.  sinh ra sau van tiết lưu 1 được đưa về đầu hút máy nén cao áp, phần lỏng  bay hơi làm mát hoàn toàn 1kg hơi quá nhiệt trung áp, phần lỏng  đưa sang thiết bị bay hơi TBBH1, phần lỏng 1 kg còn lại được đưa đến van tiết lưu TL2 tiết lưu theo quá trình 78 đến áp suất po rồi đưa vào thiết bị bay hơi nhận nhiệt qo theo quá trình 81 rồi trở về máy nén thấp áp NTA.

Hình 4.3: Máy lạnh hai cấp không trích hơi trung gian, làm mát trung gian không hoàn toàn
Hình 4.3: Máy lạnh hai cấp không trích hơi trung gian, làm mát trung gian không hoàn toàn

MÁY LẠNH 2 CẤP, LÀM MÁT TRUNG GIAN KHÔNG HOÀN TOÀN, BÌNH TRUNG GIAN ỐNG XOẮN

Bình trung gian không có ống xoắn lò xo:. - Cấu trúc đơn giản, dễ chế tạo. - Dầu dễ bị cuốn từ bình trung gian vào thiết bị bay hơi. - Khó cấp môi chất cho các thiết bị bay hơi có trở lực lớn. Bình trung gian không có ống xoắn lò xo dùng khi các thiết bị bay hơi gần phòng máy; nếu không phải dùng kèm bơm cấp dịch. Bình trung gian có ống xoắn lò xo:. - Dễ dàng cấp lỏng cho thiết bị bay hơi. - Dễ tự động hóa và điều khiển. - Cấu tạo phức tạp hơn. - Độ hoàn nhiệt thn > 0 nên hiệu quả kém hơn bình trung gian rỗng. Trong thực tế loại bình trung gian ống xoắn thông dụng hơn. 4.7 MÁY LẠNH 2 CẤP, LÀM MÁT TRUNG GIAN KHÔNG HOÀN TOÀN, BÌNH. Hình 4.9: Máy lạnh 2 cấp có trích hơi trung gian, làm mát trung gian hoàn toàn, bình trung gian loại ống xoắn. - Dòng chất lỏng chính tới thiết bị bay hơi chỉ tiết lưu 1 lần ở van tiết lưu TL2 theo quá trình 7-8. - Dòng môi chất lỏng chính được làm quá lạnh theo quá trình 5-7 nhờ lượng lỏng trung áp  bốc hơi ở bình trung gian theo quá trình 10-9. Chu trình được tính toán cho 1 kg môi chất đi qua máy nén thấp áp NTA:. - : là lượng lỏng môi chất lạnh trong bình trung gian bay hơi để làm quá lạnh 1 kg lỏng cao áp tương ứng khi có 1 kg môi chất đi qua máy nén thấp áp. Ban quyen © Truong DH Su pham Ky thuat TP. - Trong các trường hợp cần thiết thì các bình trung gian có thể là loại có ống xoắn lò xo. - Nếu chỉ có 1 thiết bị bay hơi thấp áp thì các áp suất trung gian được lấy sơ bộ như sau:. Chu trình được tính toán cho 1kg môi chất đi qua thiết bị bay hơi thấp áp. Ban quyen © Truong DH Su pham Ky thuat TP. +2) lượng hơi môi chất của máy nén cao áp đi vào bình trung gian 1. Ngoài hệ thống lạnh 3 cấp làm việc theo chu trình kín còn có hệ thống máy lạnh 3 cấp sản xuất CO2 rắn theo chu trình hở.

Hình 4.10: Máy lạnh 3 cấp.
Hình 4.10: Máy lạnh 3 cấp.

MÁY LẠNH GHÉP TẦNG

Tính toán riêng cho từng tầng, tính toán cho cả hệ (). tk1 xác định theo tw. to2 xác định theo tf. tk2 và to1 nếu không có phụ tải lạnh trung gian thì xác định định hướng theo công thức sau:. Các trình tự tính toán tương tự cho máy lạnh 1 cấp. Điều kiện để máy lạnh ghép tầng làm việc ổ định là: Qo1 = Qk2; nghĩa là công suất lạnh của tầng trên bằng nhiệt lượng ngưng tụ của tầng dưới khi bỏ qua các tổn thất nhiệt. 1) Do các tầng vận hành độc lập nên môi chất ở các tầng có thể khác nhau. 2) Môi chất tầng dưới có nhiệt độ đông đặc nhỏ hơn nhiều so với môi chất tầng trên. 3) Ở mỗi tầng có thể sử dụng máy lạnh nhiều cấp. 5) Khi thông số ở một tầng nào đó bị sai lệch thì các tầng khác đều bị ảnh hưởng. Vì vậy máy lạnh ghép tầng chỉ dùng rất hạn chế, khi không thể dùng máy lạnh nhiều cấp.

CHU TRÌNH MÁY LẠNH HẤP THỤ KHUYẾCH TÁN

Hơi bay lên đi vào thiết bị tách lỏng II được giải nhiệt bằng không khí và một phần lỏng được đưa trở lại thiết bị sinh hơi I, làm tăng nồng độ NH3 của pha hơi ra khỏi thiết bị tách lỏng II, luồng hơi đi vào thiết bị ngưng tụ III được coi như hơi NH3 sạch. Hơi bay lên đi vào bộ phân chia 4 được giải nhiêt bằng không khí và 1 phần lỏng được đưa trở lại làm tăng nồng độ NH3 của pha hơi ra khỏi thiết bị phân chia 4, luồng hơi đi vào thiết bị ngưng tụ được coi như hơi NH3 sạch.

Hình 5.6: Máy lạnh hấp thụ khuyếch tán.
Hình 5.6: Máy lạnh hấp thụ khuyếch tán.

MÁY LẠNH EJECTOR

Dung dịch đặc trong ống xi phông sôi tạo ra khối lượng riêng khác giữa dung dịch đặc ở thiết bị hấp thụ với hỗn hợp ở ống xi phông và tạo thành lực đẩy hỗn hợp vào thiết bị gia nhiệt. Hơi nước từ lò hơi LH đi vào thiết bị ejectơ E1 (hình 5.8) thực hiện quá trình dãn nở, năng lượng của dòng biến thành động năng, luồng hơi đi ra khỏi ống tăng tốc Lavan A có vận tốc lớn, hút luồng hơi môi chất vào buồng hỗn hợp B, hỗn hợp đi vào ống hỗn hợp C rồi tới ống tăng áp D và động năng biến thành thế năng.

Hình 5.8: Máy lạnh ejector hơi nước.
Hình 5.8: Máy lạnh ejector hơi nước.

CÁC CHU TRÌNH LẠNH CRYO ĐƠN GIẢN

Khi khởi động lần đầu van tiết lưu đóng hoàn toàn, toàn bộ môi chất đi qua máy dãn nở cho đến khi xuất hiện lỏng, lúc này nhiệt độ các thiết bị hạ áp đã hạ xuống giá trị cần thiết. Hệ thống lạnh năng suất nhỏ và vừa sử dụng máy nén và máy dãn nở piston, hệ thống vừa và lớn sử dụng máy nén và máy dãn nở turbin (V > 104m3kk/h).

CÁC GIAI ĐOẠN NHIỆT ĐỘNG CƠ BẢN CỦA LẠNH CRYO

Hệ thống lạnh năng suất nhỏ và vừa sử dụng máy nén và máy dãn nở piston, hệ thống vừa và lớn sử dụng máy nén và máy dãn nở turbin (V > 104m3kk/h). Các quá trình nhiệt động cơ bản của lạnh cryo gồm có:. 1) Chuẩn bị môi chất lạnh. 4) Sử dụng lượng lạnh. Do đó N2 khí ở đỉnh tháp chưng cất dưới ngưng tụ lại, một phần chảy xuống các tầng đĩa chưng cất của tháp chưng cất dưới làm dòng hồi lưu, phần còn lại đi lên đỉnh tháp chưng cất trên làm dòng hồi lưu cho tháp chưng cất trên qua van tiết lưu VTL2.

Hình 6.7: Sơ đồ hóa lỏng không khí hạ áp.
Hình 6.7: Sơ đồ hóa lỏng không khí hạ áp.