Nguyên lý truyền dẫn ánh sáng trong sợi quang tại Hà Nội

MỤC LỤC

Nguyên lý truyền dẫn ánh sáng trong sợi quang

Nguyên lí truyền sóng ánh sáng trong sợi cáp là để ánh sáng truyền từ đầu sợi đến cuối sợi quang không bị mất ở lớp vỏ thì phải dựa vào hiện tợng phản xạ ánh sáng toàn phần. Nên ngời ta đa ra khái niệm gọi là khẩu độ số NA (Numerical Aperture) nghĩa là khả năng ghép luồng bức xạ quang vào sợi.

Cáp quang

Phân loại cáp quang

    Khi sử dụng phơng pháp ghép phân chia theo thời gian, liên lạc không có lỗi chỉ có thể thực hiện đợc nếu các bit, các khung và các kênh ghép động bộ hoá cùng một kiểu nh nhau tại nơi phát và nơi thu. Đặc điểm quan trọng của SDH là có khả năng kết hợp với PDH trong mạng lới hiện tại nó ghép thực hiện việc hiện đại hoá mạng lới một cách dần dần theo từng giai đoạn phát triển và có thể tiếp nhận tất cả các tín hiệu PDH tr- íc ®©y.

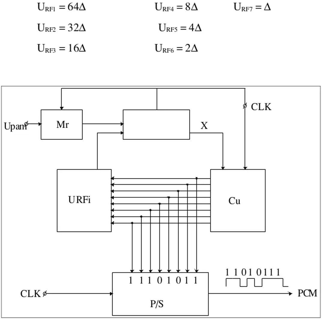
    Hình 4   5: –  Sơ đồ khối của bộ mã bằng phơng pháp so sánh
    Hình 4 5: – Sơ đồ khối của bộ mã bằng phơng pháp so sánh

    TUG21

      * Nhóm 2: Là các linh kiện hoạt động theo nguyên lý biến đổi trực tiếp l- ợng tử ánh sáng thành tín hiệu điện, đợc gọi là bộ tách quang lợng tử, hoặc đơn giản là bộ tách quang, bởi vì hiện này là linh kiện chính đợc sử dụng trong kỹ thuật viễn thông. Lớp tiếp giáp P - N cảu diode thu quang có đặt một điện áp phân cực ngợc để tạo ra trờng dịch chuyển các phân tử tải điện thiểu số sẽ đợc sinh ra, sao cho khi cha có tác dụng của ánh sáng vào thì trong diode thu cha có dòng điện, chỉ có thể xuất hiện một dòng tối hoặc một dòng rò rất nhỏ, bởi vì diode hoàn toàn bị khoá. Do tác động của điện trờng vùng điện tích không gian các điện tử thiểu số từ miền P đợc dịch chuyển qua vùng này sang miền N và các lỗ trống thiểu số từ miền N trôi sang miền P, nh thế trên mạch ngoài có một dòng điện chảy qua gọi là dòng quang điện.

      Độ rộng của miền điện tích không gian và tốc độ trôi của các phần tử mang dòng thiểu số quyết định thời gian trôi của chúng, do đó cần lu ý khi sử dụng để truyền với tốc độ cao, vì lúc đó các xung ánh sáng rất hẹp. Nhiệm vụ chủ yếu của thiết bị truyền dẫn quang, không xét đến phần thiết bị ghép kênh, là truyền đa tín hiệu điện một cách chính xác dới dạng tín hiệu quang, sao cho ở đầu thu tín hiệu có dạng đúng nh tín hiệu phát. Thiết bị này sẽ đổi mã CCITT thành tín hiệu nh phân có hai trạng thái phù hợp với truyền dẫn bằng ánh sáng, nhng vẫn giữ nguyên tốc độ bit luồng bit đợc đa qua bộ ngẫu nhiên hoá SCR nó xáo trộn các xung một cách ngẫu nhiên, nhng lại có qui ớc để thu xung có thể hoàn trả trở lại trật tự cũ để tín hiệu có phổ phân bố đồng đều hơn gần với phổ tín hiệu điều hoà và do đó phù hợp với môi trờng truyền dẫn.

      Có thể sử dụng mạch vòng khoá pha PLL, đó là một điều chỉnh theo pha là mộ bộ dao động có tần số và pha đợc đồng bộ với tín hiệu vào mạch này thực chất là một bộ dao động điều khiển điện áp VCO ( Voltage contrrolled oscillator) và một bộ tách sóng pha có nhiệm vụ so sánh dịch pha giữa tín hiệu vào và tín hiệu ra của VCO. Mã HDB - 3 ( Hight Dentry Binary with maximum of conseccutive zerros ) là mã nhị phân mật độ cao có cực đại 3 số 0 liên tiếp thuật toán này để một tín hiệu nhị phân thành tín hiệu HDB -3 phụ thuộc vào các quy tắc sau đây.

      Hình 4   8: –  Cấu tạo của led phát xạ rìa ELED
      Hình 4 8: – Cấu tạo của led phát xạ rìa ELED

      Bờ Hồ

      Giới thiệu thiết bị

      * Thiết bị xen/ rẽ kênh ADM ( Add\Multiplex) đợc sử dụng trong các cấu hình mạng vòng ( Ring) hoặc chuỗi ( Chain ) cho việc truy nhập tín hiệu các luông PDH và SDH. * Thiết bị nối chéo luồng cục bộ ( Local Cross - Connect Multiplex ) đợc sử dụng khi vận hành đơn lẻ hoặc kết nối nhiều nhất là 4 vòng SDH ( chuyển mạch không khối - non Blocking). * Thiết bị ghép kênh đầu cuối ( Terminal Multiplex ): đợc sử dụng cho các điểm tới ddiemr ( Point to Point) hoặc cho việc truy nhập tới các mạng truyền dẫn SDH trong đó cấu hình ADM đợc sử dụng nhiều nhất.

      Tất cả các thiết bị SMA đều đợc quản lý, điều khiển giám sát bởi hệ thống quản lý tập trung EMOS ( Element Management Operation Systems ) EMOS có thể kết nối trực tiếp tới thiết bị SMA thông qua giao diện Q hoặc kết nối từ xa thông qua thông tin dữ liệu DDCC ( Data Communication Channel). Giao diện F dành cho việc kết nối tới đầu khai thác cục bộ LCT ( Local Craft Terrminal ) để ddk đo thử và giám sát thiết bị SMA. Ngoài ra, việc truy nhập tới các mức thấp hơn trong khi vận hành cũng bị hạn chế trừ khi xảy ra sự cố với thông tin từ bộ phận quản lý phần tử hoặc đối với các thiết bị đầu cuối đảm đơng nhiệm vụ quản lý các phần tử trong mạng.

      Hình 2.1: Tổng quát về thiết bị SMA
      Hình 2.1: Tổng quát về thiết bị SMA

      Đồng bộ

      Các đồng hồ luồng (Tributary Timing Source) sẽ đợc lựa chọn trớc nhờ các thiết bị đầu cuối cục bộ cho phù hợp với các card luồng và các cổng trên card. Khi chế độ Normal đợc thiết lập (thờng dùng trong cấu hình ADM), cấu trúc đồng bộ sẽ đợc thực hiện bằng u tiên các nguồn đồng bộ và có thể hoạt động ở các chế độ. Chế độ đồng bộ thẳng (Through Timing Mode) Chế độ đồng bộ vòng (Loop Timing Mode) Chế độ đồng bộ luồng (Triabutary Timing Mode) Chế độ đồng bộ ngoài (External Timing Mode) Chế độ đồng bộ hỗn hợp (Mixed Timing Mode) Chế độ đồng bộ BIST/SSU (BIST/SSU Timing Mode) 1.5.2.

      Khi xảy ra sự cố, bộ nhớ trên sẽ tự động thiết lập lại trạng thái mà nó ghi đợc cho nguồn có sự cố cho đến khi có nguồn mới hoạt động hoặc khôi phục đợc nguồn ban ®Çu. Chế độ này chỉ dùng cho mạng nhỏ, đối với mạng lớn hơn cần có một bộ dao động ngoài (External Osscillator) để cung cấp cho SMA chủ(Master) thông qua một cổng. Chế độ vận hành tự do còn đợc gọi chế độ vận hành mặc định và nếu có một thiết bị SMA không đợc đặt cấu hình đồng bộ thì nó sẽ hoạt động ở chế độ mặc định.

      Hình 2.5: Quá trình lựa chọn nguồn đồng hồ
      Hình 2.5: Quá trình lựa chọn nguồn đồng hồ

      Các tính năng bảo vệ

      Ban đầu, khi hệ thống hoạt động bình thờng, một bộ nhớ chức năng sẽ liên tục bị cập nhật các trạng thái của tín hiệu đồng hồ PLL. Các chức năng của giao diện vật lý đồng bộ, đầu cuối đoạn lặp, đầu cuối đoạn ghép kênh đều đợc xử lý trên cả hai đờng làm việc và bảo vệ. Tín hiệu trên cả hai đờng là giống hệt nhau, đầu sẽ thu xác định từ các thông tin giám sát ( đợc lu giữ trong phần SOH ) để lựa chọn đờng truyền có chất lợng tèt nhÊt.

      Còn chế độ non Revert thì không có sự tái thiết lập tự động, các đờng truyền hoạt động và bảo vệ sẽ chuyển đổi chức năng cho nhau để vận hành một cách linh hoạt. Cấu trúc bảo vệ này đạt đợc thời gian chuyển mạch nhanh và đợc sử dụng trong bất kỳ cấu hình nào có thể thiết lập đợc hai đờng vật lý độc lập. Card luồng 2 Mbit/s có thể cung cấp bảo vệ ( 1 : N), khi đó Card bảo vệ đợc thực hiện bởi một lệnh điều khiển tơng ứng với lỗi đã đợc nhận dạng thông qua 1 Bus bảo vệ.

      Hình 2.7: (1 + 1) Path Protection
      Hình 2.7: (1 + 1) Path Protection

      Liên lạc trong mạng

      Khi xảy ra lỗi tín hiệu ở một hớng, tín hiệu sẽ chuyển ngay lập tức sang hớng ngợc lại. Cấu trúc bảo vệ này cung cấp khả năng tự chuyển đôi, phục hồi trên cả. Thông tin điều khiển đợc trao đổi giữa các SMA thông qua byte K1 và K2 của phần MSOH.

      Bảo vệ Card đợc thực hiện chủ yếu bằng việc nhân đôi các thành phần hoạt động hiệu quả. Card điều khiển các kênh sẽ chuyển các luồng thông tin đến Card luồng dự phòng và loại bỏ Card sự cố. Chuyển mạch bảo vệ có thể đợc thực hiện từ EMOS hoặc từ thiết bị khac thác cục bộ LCT.

      Thiết bị Sl

        Thiết bị SL1 thích hợp cho việc sử dụng trọng mạng nội hạt hoặc mạng nông thôn, nó cũng thích hợp cho việc thiết lập các mạng có nhân ở các ứng dụng ngắn hạn. Thiết bị SL1 cũng cung cấp các lựa chọn cho trợ giúp kỹ thuật EOW, các giao diện ngời sử dụng, khả năng chuyển mạch bảo vệ, quản lý mạng thông tin phần mào đầu. AUX BUS ( Auxiliary Data Bus Interface ) : Cung cấp nhiều điểm truy nhập tới các kênh phục vụ hai hớng riêng biệt khi sử dụng SLR1 trong cấu hình chuỗi.

        SOHIF ( Section Overhead Interrface Unit ) : Khối giao diện kênh từ mào đầu, nó cung cấp dung lợng kênh phục vụ của SL1 có thể dùng cho các dịch vụ khác. SLT1 có thể đợc trang bị mọt khối SYNC sẽ chuyển từ chế độ hoạt động bình thờng sang chế độ lu giữ ở chế độ này, tất cả các giá trị về tần số, pha lu giữ đó đợc sử dụng để thay thế giá trị chuẩn với dung sai khoảng ± 0,2 ppm trong vòng ít nhất 48 giờ. Thiết bị SL1 có thể đợc cung cấp kiểu chuyển mạch bằng việc sử dụng thiết bị chuyển mạch bên ngoài, khi đó tín hiệu cảnh báo đầu ra sẽ đợc cung cấp (FK).

        2.1.1. Sơ đồ khối chức năng
        2.1.1. Sơ đồ khối chức năng