Thiết kế sơ bộ đập đất theo phương án 1

MỤC LỤC

Các thông số của hồ chứa

Mực nước dâng bình thường (MNDBT): Mực nước hồ cần phải đạt được ở cuối thời kỳ tích nước để đảm bảo cung cấp đủ nước theo mức đảm bảo thiết kế. Do lượng bốc hơi mặt thoáng lớn hơn lượng bốc hơi trên mặt đất nên khi xây dựng kho nước cần tính toán đến lượng bốc hơi phụ thêm do diện tích mặt thoáng tăng lên, ký hiệu là ∆.

Bảng 1.10. Kết quả tính toán dung tích hiệu dụng có kể đến tổn thất.
Bảng 1.10. Kết quả tính toán dung tích hiệu dụng có kể đến tổn thất.

THIẾT KẾ CƠ SỞ

THIẾT KẾ SƠ BỘ ĐẬP ĐẤT

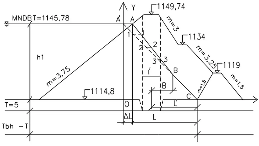
Sau đó ta kiểm tra lại điều kiện sóng nước sâu xem có thoả mãn điều kiện (2-7), nếu không thì là sóng nước nông ta phải tính toán lại. Thoả mãn sóng nước sâu thì chiều cao sóng 1% được xác định theo công thức:. K1, K2: hệ số phụ thuộc vào đặc trưng lớp gia cố mái và độ nhám tương đối trên mái. K3: Hệ số phụ thuộc vào vận tốc gió và hệ số mái nghiêng m. K4: Hệ số được xác định từ đồ thị phụ thuộc vào hệ số mái nghiêng của công trình m và. Bảng 2.1: Tổng hợp kết quả tính toán cao trình đỉnh đập ứng với MNDBT và MNLTK. Thông số Đơn vị Trường hợp tính toán. Thông số Đơn vị Trường hợp tính toán. TM TM TM TM. Bảng 2.2: Tổng hợp kết quả tính toán cao trình đỉnh đập ứng với MNLKT và MNLVKT. Thông số Đơn vị Trường hợp tính toán. Tổng hợp kết quả cho các trường hợp trong bảng 2.3:. Bảng 2.3:Bảng tổng hợp cao trình đỉnh đập ứng với các Btr. Kiểm tra lại cấp công trình:. Bảng 2.4:Lựa chọn cấp công trình theo chiều cao đập. Vậy cả 3 phương án đều là công trình cấp II. Mái đập phải đảm bảo ổn định theo tiêu chuẩn quy định trong mọi điều kiện làm việc của đập.Hình dạng và kích thước mái dốc phụ thuộc vào hình thức, chiều cao đập, loại đất đắp, tính chất nền, điều kiện thi công, khai thác… Đất có hệ số dính và hệ số masát trong càng bé thì mái dốc càng thoải, vì vậy mà mái dốc thượng lưu thoải hơn mái dốc hạ lưu. Hệ số mái dốc lớn hay nhỏ ảnh hưởng đến điều kiện làm việc của đập như ổn định trượt của mái dốc, ổn định thấm của than đập, lưu lượng thấm, khối lượng giá thành công trình. Mái càng thoải thì càng tốt về mặt kĩ thuật tuy nhiên sẽ làm giá thành công trình tăng lên vì vậy mà ta phải xác định độ dốc mái hợp lý. Sơ bộ ta có thể chọn hệ số mái dốc theo công thức sau:. Để thuận tiện cho thi công và bố trí cấu tạo đập sơ bộ ta chọn hệ số mái cho cả 3 phương án là:. Hệ số mái được kiểm tra lại và quyết định thông qua tính ổn định đập. Trên mái đập nên bố trí các cơ do yêu cầu thi công, kiểm tra sửa chữa trong quá trình quản lý khai thác, do sử dụng đê quai thi công ở thượng lưu và đống đá tiêu nước ở hạ lưu vào đập. Số lượng cơ phụ thuộc vào chiều cao của đập, điều kiện thi công, kiểu gia cố mái và khả năng ổn định của toàn đập. Ở mái thượng lưu, việc bố trí cơ đập phụ thuộc vào điều kiện thi công và hình thức bảo vệ mái. Ở mái hạ lưu, nên bố trí cơ để sử dụng vào việc tập trung và dẫn nước mưa, làm đường công tác, và làm tăng sự ổn định của mái đập khi cần thiết. a)Bảo vệ mái thượng lưu. Có nhiều giải pháp công trình bảo vệ mái dốc thượng lưu nhưng ở đây để chống hiện tượng sạt lở mái do sóng gió gây lên với chiều cao tương đối lớn (ứng với MNDBT hs1%) ta sử dụng biện pháp bảo vệ mái bằng tấm bê tông cốt thép mác 200 kích thước (150x150x15) cm để lát.

THIẾT KẾ TRÀN XẢ LŨ 3.1.1 Chọn tuyến và bố trí tuyến tràn

Chiều dày bản đáy( t) phụ thuộc vào chiều sâu dòng chảy và vận tốc tại mặt cắt tính toán.Công thức tính chiều dày bản đáy dốc nước của V.N.Domborovxki – (Giáo trình công trình tháo lũ/ĐHTL - trang 106). V – Vận tốc của dòng chảy lớn nhất trong dốc nước (m/s). [Vkx ] – Vận tốc không xói cho phép trong kênh. Theo kết quả tính toán đường mặt nước trên dốc nước thì điều kiện trên thỏa mãn. Mục đích, hình thức tiêu năng và nội dung tính toán. Chọn hình thức tiêu năng hợp lý để giảm thiểu lưu tốc của dòng chảy về hạ lưu gây hư hại các công trình cuối kênh và đảm bảo điều kiện kinh tế. Hình thức tiêu năng. Tại nơi xử lý tiêu năng có địa hình thay đổi đột ngột, ngược lại có nền địa chất là tốt sau khi bóc bỏ lớp phong hóa lựa chọn hình thức tiêu năng mũi phun là kinh tế nhất. Nội dung tính toán. Xác định các thông số :Chiều dài mũi phun xa và chiều sâu hố xói. → Từ đó xác định hiệu quả biện pháp tiêu năng, có biện pháp gia cố. Dòng chảy sau khi ra khỏi hố xói phần năng lượng bị tieu hao gần trở vè trạng thái ổn định. Kênh dẫn hạ lưu được thiết kế để dẫn nước từ hố xói hạ lưu sông sao cho kênh không bị xói lở và chuyển được lưu lượng lớn nhất từ tràn xả xuống. Kênh dẫn hạ lưu xây đá có mặt cắt ngang dạng hình thang và có các thông số cơ bản sau:. Xác định độ sâu dòng chảy trong kênh theo phương pháp lợi nhất về thủy lực:. + Tính h0 theo công thức. Ta có kết quả tính toán thủy lực kênh hạ lưu ở bảng sau : Bảng 3-11:Kết quả tính toán thủy lực kênh hạ lưu. [Vkx ] – Lưu tốc không xói cho phép trong kênh. Dòng chảy qua dốc có lưu tốc lớn gây hiện tượng xói lở, cuốn trôi chân công trình. Do vậy phải chọn biện pháp tiêu năng sao cho phù hợp điều kiện địa hình, kinh thế mà vẫn đảm bảo an toàn cho công trình trong quá trình làm việc. b) Hình thức tiêu năng :Do mực nước cuối dốc cao, mực nước hạ lưu thấp. Dòng chảy qua mũi phun sẽ bị hắt vào không khí pha trộn làm tiêu hao bớt năng lượng giảm khả năng gây xói lở hạ lưu. Dòng chảy khi rơi xuống sẽ tạo thành hố xói ở hạ lưu. c) Nội dung tính toán.

Bảng 3.2 Tính toán thủy lực dốc nước đoạn thu hẹp ứng với B tr  =36
Bảng 3.2 Tính toán thủy lực dốc nước đoạn thu hẹp ứng với B tr =36

TÍNH TOÁN KHỐI LƯỢNG

    Dòng chảy qua dốc có lưu tốc lớn gây hiện tượng xói lở, cuốn trôi chân công trình. Do vậy phải chọn biện pháp tiêu năng sao cho phù hợp điều kiện địa hình, kinh thế mà vẫn đảm bảo an toàn cho công trình trong quá trình làm việc. b) Hình thức tiêu năng :Do mực nước cuối dốc cao, mực nước hạ lưu thấp. Dòng chảy qua mũi phun sẽ bị hắt vào không khí pha trộn làm tiêu hao bớt năng lượng giảm khả năng gây xói lở hạ lưu. Dòng chảy khi rơi xuống sẽ tạo thành hố xói ở hạ lưu. c) Nội dung tính toán. + Khối lượng đào móng tràn : Dựa vào bề rộng tràn, ta xác định bề rộng, hệ số mái của hố móng tràn, từ đó tính được khối lượng đào móng tràn.

    THIẾT KẾ KỸ THUẬT CÁC CÔNG TRÌNH ĐẦU MỐI

    THIẾT KẾ BỔ SUNG 5.1 Tính toán thủy lực đường tràn

      Đombrovxki đã nêu trong phần thiết kế sơ bộ tràn (Chương 3) tính toán với Qxả max. Kênh có tác dụng nối tiếp, đưa dòng chảy từ hố xói về lòng suối tự nhiên. Lập quan hệ giữa lưu lượng Q và cao trình mực nước trong kênh. Ta tính với các cấp lưu lượng:. Xác định độ sâu dòng chảy trong kênh theo phương pháp lợi nhất về thủy lực:. + Tính h0 theo công thức. Ta có kết quả tính toán thủy lực kênh hạ lưu ở bảng sau : Bảng 5.12 Kết quả tính toán thủy lực kênh hạ lưu. [Vkx ] – Lưu tốc không xói cho phép trong kênh. Nội dung tính toán mũi phun là xác định chiều dài phóng xa và chiều sâu hố xói nhằm xác định được hiệu quả tiêu năng và tìm biện pháp gia cố thích hợp, đảm bảo an toàn cho công trình trong quá trình làm việc. Các thông số tính toán:. Tính toán thông số mũi phun:. Hình 5-2:Sơ đồ xác định kích thước hố xói. a) Xác định chiều dài phóng xa: Lp. Chiều dài phóng xa là khoảng cách theo phương ngang từ mũi phun đến trung tâm dòng nước tại đáy kênh hạ lưu (Lp). Theo sách '' Nối Tiếp Và Tiêu Năng Hạ lưu Công Trình Tháo Nước '' của PGS.TS. Phạm Ngọc Quý, chiều dài phóng xa được xác định theo công thức:. - h: chiều sâu dòng nước cuối mũi phun. - S2: khoảng cách từ mũi phun đến đáy kênh hạ lưu:. - Eo: năng lượng toàn phần của dòng chảy tại mũi phun lấy với đáy kênh hạ. Vmũi: vận tốc dòng chảy trên mũi phun, lấy gần đúng Vmũi=Vcuối dốc. b) Góc nghiêng � của dòng phun tại vị trí rơi xuống mực nước hạ lưu: tính theo công thức. e)Chiều dài từ cuối mũi phun tới tâm hố xói Tính từ mặt cắt cuối mũi phun đến tâm hố xói:. Trong đó: dx: Chiều sâu hố xói tính từ đáy kênh hạ lưu. hh : Chiều sâu mực nước trong kênh hạ lưu. f) Tính toán chọn góc mũi phun α hợp lí. Để tính toán hố xói trong tiêu năng phóng xa, ta phải chọn góc mũi phun hợp lí sao cho giá trị dx/L là bé nhất. Ở đây ta tiến hành tính toán dx và L trong từng cấp lưu lượng. Từ bảng trên ta thấy với giá trị α. =110 là giá trị góc mũi phun để tính toán đường bao hố xói. g) Xác định chiều dài hố xói. h) Tính toán đường bao hố xói ứng với góc mũi phun α.

      Hình 5.4 Sơ đồ tính toán các lực tác dụng lên tường cánh
      Hình 5.4 Sơ đồ tính toán các lực tác dụng lên tường cánh

      THIẾT KẾ CHI TIẾT ĐẬP ĐẤT

        Để đưa về trường hợp đập và nền đồng chất (khụng cú lừi giữa) cần biến đổi lừi giữa cú hệ số thấm (K1)bđ thành một lừi tượng trưng cú hệ số thấm bằng hệ số thấm thõn đập với chiều rộng :l'bđ = l'. Để đưa về trường hợp đập và nền đồng chất (khụng cú lừi giữa) cần biến đổi lừi giữa cú hệ số thấm (K1)bđ thành một lừi tượng trưng cú hệ số thấm bằng hệ số thấm thõn đập với chiều rộng :l'bđ = l'.

        Hình 6.7 Sơ đồ tính thấm mặt cắt lòng sông cho trường hợp 1
        Hình 6.7 Sơ đồ tính thấm mặt cắt lòng sông cho trường hợp 1

        THIẾT KẾ CỐNG LẤY NƯỚC 7.1 Chọn tuyến

          Với sơ đồ tính toán như hình (7-1) thì bề rộng cống phải đủ rộng để tháo được lưu lượng thiết kế Qtk=1,29 m3/s khi mà chênh lệch mực nước thượng hạ lưu là nhỏ nhất. Điều kiện cần thoả mãn để tháo được lưu lượng yêu cầu là:. - Giả thiết các giá trị bc khác nhau. - Với mỗi giá trị bc giả thiết ta sẽ xác định được các tổn thất Zi. Cụ thể trong đồ án này, để xác định bc , sử dụng phương pháp thử dần để tính, tiến hành giả thiết một loạt các giá trị bc để tính ∑ Zi và kiểm tra lại theo điều kiện không chế: ∑ Zi≤ [∆Z]. a) Tổn thất cửa ra. Dòng chảy từ trong bể tiêu năng ra kênh dẫ hạ lưu coi như sơ đồ đập tràn đỉnh rộng chảy ngập khi đó:. Tra bảng 13 trong. : Diện tích mặt cắt ngang của bể tiêu năng. b) Tổn thất dọc đường. Để tiện cho quá trình vận hành trước cửa cống ta bố trí hai khe phai với kích thước (30x30cm). - ξp: Hệ số tổn thất qua khe phai, tính toán tương tự như tổn thất qua khe van. d) Tổn thất cửa vào. Xác định theo công thức tràn đỉnh rộng chảy ngập có co hẹp bên:. - ϕn: Hệ số lưu tốc tại cửa vào, phụ thuộc vào hệ số lưu lượng m. Để thuận tiện ta lập bảng tính toán, với nhiều giả thiết bc. Kết quả tính toán xác định khẩu diện cống được thể hiện ở bảng sau:. Bảng 7-1 Bảng tính toán tổn thất trong cống. Mặt khác theo điều kiện thi công và cấu tạo bc≥ 1-1,2m để thuận tiện cho việc kiểm tra và sửa chữa, đảm bảo điều kiện thi công. Chiều cao mặt cắt cống tính theo công thức :. - Hc: Chiều cao mặt cắt cống. SVTH: Nguyễn Trung Đức 115 Lớp. a) Cao trình đáy cống. - Xác định độ mở cửa van để phục vụ công tác quản lý. - Kiểm tra xem nước nhảy có xảy ra ở trong cống không. - Xác định chiều sâu bể cần thiết để giới hạn nước nhảy ngay sau cửa ra của cống, tránh xói lở kênh hạ lưu. Trong phần này, tiến hành tính toán cho trường hợp bất lợi nhất: thượng lưu là mực nước cao có thể là MNLTK hoặc MNDBT và tính toán đối với một số cấp lưu lượng khác nhau. Trong phạm vi đồ án này, chỉ tính với 1 trường hợp thượng lưu là MNDBT. Độ mở cống a được xác định theo sơ đồ chảy tự do qua lỗ :. Vì mực nước cao và được dẫn trực tiếp vào từ hồ chứa nên ta bỏ qua lưu tốc tới gần:. hw : Tổn thất cột nước từ cửa vào đến vị trí cửa van. Do tổn thất nhỏ không đáng kể nên ta bỏ qua. ε: hệ số co hẹp đứng. Hệ số co hẹp đứng ε phụ thuộc tỷ số a/H, có thể xác định a bằng cách sử dụng bảng quan hệ của Jucốpxki như sau:. Để kiểm tra trạng thái chảy trong cống cần phải tiến hành vẽ đường mặt nước trong cống để tìm độ sâu cuối cống hr. a) Xác định đường mặt nước để tìm độ sâu cuối cống.

          CHUYÊN ĐỀ KỸ THUẬT: TÍNH TOÁN KẾT CẤU CỐNG NGẦM

            Trong tháp bố trí van công tác và van sửa chữa sự cố, cần bố trí lỗ thông hơi khi cần thiết (khi có nước nhảy trong cống và chiều sâu nước nhảy xấp xỉ tới trần cống). Với cốt thép ngang trong cống ta thường chỉ bố trí cốt thép xiên nên khi tính toán cốt thép ngang cho cống ta chỉ tính toán và bố trí cốt thép xiên cho cống mà không tính toán và bố trí cốt đai cho cống.

            Hình 8.1:Sơ đồ các lực tác dụng lên cống
            Hình 8.1:Sơ đồ các lực tác dụng lên cống