Những yêu cầu đối với thiết bị bảo vệ máy biến áp trong trạm biến áp 1102210,5 kV

MỤC LỤC

X 1HTEHT

Điểm ngắn mạch N2’

Do phía trung áp của máy biến áp nối tam giác nên trong trường hợp ngắn mạch tại điểm N2 ta chỉ xét dạng ngắn mạch hai pha N(2). Trong trường hợp này chỉ có dòng điện ngắn mạch đi qua BI1 và BI2, không có dòng điện chạy qua BI3, BI4 và BI5.

Bảng tổng kết trong trường hợp chế độ cực tiểu 2 máy biến áp làm việc song song
Bảng tổng kết trong trường hợp chế độ cực tiểu 2 máy biến áp làm việc song song

Chế độ ngắn mạch Min trạm biến áp có một máy biến áp làm việc

PHƯƠNG THỨC BẢO VỆ TRẠM BIẾN ÁP VÀ GIỚI THIỆU VỀ RƠLE

Những yêu cầu đối với thiết bị bảo vệ

    • Bảo vệ có độ chọn lọc tương đối: Ngoài nhiệm vụ bảo vệ chính cho đối tượng được bảo vệ còn thực hiện chức năng dự phòng cho bảo vệ đặt ở các phần tử lân cận. Đối với lưới trung áp, hạ áp, số lượng các phần tử cần được bảo vệ lớn, yêu cầu bảo vệ không cao bằng lưới truyền tải cao áp, nên cần cân nhắc về tính kinh tế sao cho chi phí cho thiết bị bảo vệ là nhỏ nhất mà vẫn đảm bảo yêu cầu.

    Bảo vệ máy biến áp

      Bảo vệ được coi là tác động nhanh (tức thời) nếu thời gian tác động không vượt quá 50ms (2,5 chu kỳ dòng điện công nghiệp ). Tính kinh tế. Đối với lưới trung áp, hạ áp, số lượng các phần tử cần được bảo vệ lớn, yêu cầu bảo vệ không cao bằng lưới truyền tải cao áp, nên cần cân nhắc về tính kinh tế sao cho chi phí cho thiết bị bảo vệ là nhỏ nhất mà vẫn đảm bảo yêu cầu. - Quá bão hoà mạch từ. Tuỳ theo công suất, vị trí, vai trò của máy biến áp trong hệ thống mà lựa chọn phương thức bảo vệ thích hợp. Những loại bảo vệ thường dùng để chống lại loại sự cố và chế độ làm việc không bình thường của máy biến áp được giới thiệu trong bảng sau. Loại hư hỏng Loại bảo vệ. Ngắn mạch một pha, ngắn mạch nhiều pha, hoặc ngắn mạch nhiều. pha chạm đất. dự phòng tuỳ vào công suất của máy biến áp ).  Bảo vệ quá dòng đặc tính thời gian độc lập (3 cấp tác động, tác động theo từng pha, hệ thống đo lường riêng cho từng pha, phản ứng theo thành phần thứ tự nghịch và thành phần thứ tự không (TTK)).

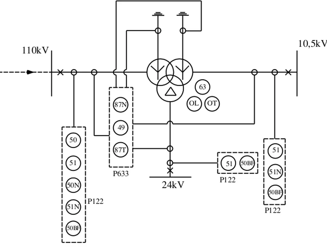
      2.2.2. Sơ đồ phương thức bảo vệ cho trạm biến áp
      2.2.2. Sơ đồ phương thức bảo vệ cho trạm biến áp

      Các thông số kỹ thuật của rơle P633

      • Các đại lượng đầu vào đầu ra
        • Chức năng bảo vệ so lệch
          • Bảo vệ quá dòng
            • Bảo vệ tần số

              Bảo vệ so lệch MBA trong trường hợp này có thể cảm nhận việc đóng MBA không tải như khi có ngắn mạch bên trong MBA, với nguồn cung cấp từ một phía và nếu không có giải pháp ngăn chặn bảo vệ, bảo vệ có thể tác động nhầm cắt MBA. Khi tỉ lệ giữa sóng hài bậc hai và sóng hài cơ bản I(2f0)/I(f0) vượt quá một giá trị đặt trước ở một trong 3 pha thì tín hiệu khoá tác động được thực hiện theo một trong 2 cách sau:. +) Chọn lọc cho một pha.Tín hiệu tác động sẽ không bị khoá nếu dòng so lệch vượt quá ngưỡng Idiff >>. Khi xảy ra ngắn mạch ngoài vùng bảo vệ, ở thời điểm ban đầu, dòng ngắn mạch lớn làm cho BI bị bão hoà dẫn đến dòng điện không cân bằng chạy qua bảo vệ lớn, có thể cao hơn ngưỡng tác động, làm cho bảo vệ tác động nhầm.

              Bảo vệ so lệch thứ tự không (87N) phản ứng theo thành phần sóng tần số cơ bản của dòng điện trong dây trung tính IY và dạng sóng tần số cơ bản của dòng điện thứ tự không tổng 3 pha IN của mỗi đầu cuộn dây. Tuy nhiên khi có sự cố chạm đất ngoài vùng bảo vệ, dòng điện không cân bằng có thể tồn tại do mức độ bão hoà của các máy biến dòng không giống nhau, dòng không cân bằng này có thể gây nên sự tác động nhầm. Khi dòng điện pha vượt quá ngưỡng tác động của cấp nào thì rơle sẽ phát tín hiệu, bộ đếm thời gian được khởi động (dòng điện các pha được so sánh với giá trị đặt chung cho cả 3 pha còn việc khởi động là riêng cho từng pha).

              Khi dòng điện TTN vượt quá ngưỡng tác động của cấp nào thì rơle sẽ phát tín hiệu, bộ đếm thời gian được khởi động (dòng điện các pha được so sánh với giá trị đặt chung cho cả 3 pha còn việc khởi động là riêng cho từng pha). Khi dòng TTK (3I0) vượt quá ngưỡng tác động của cấp nào thì rơle sẽ phát tín hiệu, bộ đếm thời gian được khởi động (dòng điện các pha được so sánh với giá trị đặt chung cho cả 3 pha còn việc khởi động là riêng cho từng pha). Chức năng THRM2 có thể được gán cho cuộn dây MBA “yếu” hơn hoặc cho sự kết hợp của 2 cuộn dây “yếu” hơn (bằng việc kết nối cuộn dây MBA ảo) với sự lựa chọn thíc hợp của đặc tính tác động cho chức năng THRM2.

              Đồ thị đặc tính thời gian giữ
              Đồ thị đặc tính thời gian giữ

              Các đầu vào và đầu ra

               Đầu ra logic: Đầu ra logic kiểu tiếp điểm khô Khả năng làm việc: 5A: lâu dài.

              Độ chính xác

              Giao diện

              Các chức năng bảo vệ quá dòng pha và quá dòng thứ tự không

              Bảo vệ quá dòng cắt nhanh (50/50N)

              Ngay khi giá trị dòng điện đầu vào vượt ngưỡng, đầu ra cắt nhanh được kích hoạt. Tín hiệu đầu ra chỉ ra rằng bảo vệ đã phát hiện sự cố và bộ phận tạo thời gian trễ khởi động. Thời gian trễ này có thể bị kéo dài bởi tín hiệu khóa của rơ le gần điểm sự cố nhất do rơ le này đã phát hiện và loại trừ hư hỏng.

              Ngưỡng thời gian tác động độc lập

              Ngưỡng thời gian tác động phụ thuộc

              Bảo vệ chống hư hỏng máy cắt

              Mỗi lần rơ le phát hiện tín hiệu dòng vượt ra ngoài vùng I<, rơ le lại khởi động bộ đếm thời gian với thời gian 20 chu kì lấy mẫu, rơ le sẽ tiếp tục kiểm tra nếu dòng vẫn vượt ngoài vùng I<. Trong khoảng thời gian 20 chu kỳ lấy mẫu rơ le sẽ kiểm tra xem dòng điện có vượt ngưỡng vùng I<, theo chiều ngược với chiều vượt ngưỡng trước hay không (tức là theo chiều tăng hay giảm về giá trị đại số của dòng điện). Nếu vượt, tín hiệu “CB pole open” xuất hiện, nếu không, tín hiệu “CB pole closed” được duy trì. Nếu tín hiệu “CB pole closed” vẫn tồn tại sau thời gian tBF thì tín hiệu “CB fail” được khỏi tạo đi cắt các máy cắt. Hình phát hiện hư hỏng máy cắt a) Nguyên lý phát hiện hư hỏng máy cắt. b) Trạng thái tín hiệu khi máy cắt cắt trước thời gian tBF c) Tín hiệu hư hỏng máy cắt xuất hiện.

              TÍNH THÔNG SỐ CÀI ĐẶT CHO CÁC BẢO VỆ

              • Tính thông số cài đặt cho rơle bảo vệ so lệch P633
                • Xác định các thông số cài đặt cho rơle bảo vệ quá dòng P122 dự phòng cho bảo vệ so lệch

                  - Đoạn 1 đặc trưng bởi Idiff>đây là giá trị khởi động ngưỡng thấp của bảo vệ so lệch, bảo vệ so lệch của máy biến áp phải có độ nhạy cao. Tỷ lệ hãm sóng hài bậc hai và bậc năm trong dòng so lệch, khi tỷ lệ hài bậc hai và hài bậc năm đạt ngưỡng chỉnh định, tín hiệu cắt sẽ bị khoá tránh rơle khỏi tác động nhầm. Để đảm bảo tính chọn lọc thì thời gian tác động của chức năng 51 (BV2) phải được phối hợp với thời gian tác động của các bảo vệ quá dòng phía phụ tải 24kV.

                  Để đảm bảo tính chọn lọc thì thời gian tác động của chức năng 51 (BV3) phải được phối hợp với thời gian tác động của các bảo vệ quá dòng phía phụ tải 10,5kV. Để đảm bảo tính chọn lọc thì thời gian tác động của chức năng 51 (BV1) phải được phối hợp với chức năng bảo vệ quá dòng 51của BV2, BV3. Máy biến áp, cuộn dây trung phía 24kV có điện kháng XT=0, cuộn dây hạ áp 10,5kV trung tính trực tiếp nối đất, khi xảy ra ngắn mạch ở hai phía trung áp và hạ áp của máy biến áp không có dòng thứ tự không chạy qua phía cao áp.

                  Máy biến áp, cuộn dây trung phía 24kV có điện kháng XT=0, cuộn dây hạ áp 10,5kV trung tính trực tiếp nối đất, khi xảy ra ngắn mạch ở hai phía trung áp và hạ áp của máy biến áp không có dòng thứ tự không chạy qua phía cao áp.

                  KIỂM TRA SỰ LÀM VIỆC CỦA CÁC BẢO VỆ

                  • Chức năng bảo vệ so lệch (87T)
                    • Điểm ngắn mạch N3
                      • Điểm ngắn mạch N’1 + Dạng ngắn mạch hai pha N (2)

                        Ikcbμ: Thành phần dòng điện không cân bằng do dòng điện từ hoá máy biến áp gây nên. IkcbN: Thành phần dòng không cân bằng do việc chọn các dòng danh định sơ cấp của các BI đặt ở phía của máy biến áp khác với tỷ số biến đổi của máy biến áp. Kkck: Hệ số kể đến ảnh hưởng của các thành phần không chu kỳ của dòng điện ngắn mạch.

                        Để kiểm tra độ nhạy của bảo vệ so lệch máy biến áp ta tính toán hệ số Knhđối với những điểm ngắn mạch nằm trong vùng bảo vệ, trong chế độ min một máy biến áp làm việc: N’1, N’2, N’3. Điểm làm việc nằm trên đường đặc tính sự cố, nên dựa vào đường đặc tính sự cố có thể xác định được độ nhạy của bảo vệ. Khi xảy ra ngắn mạch tại điểm N’1 trong vùng bảo vệ của bảo vệ chống chạm đất hạn chế.

                        Để kiểm tra độ nhạy của các bảo vệ quá dòng ta kiểm tra đối với các điểm ngắn mạch sau: N’2, N’3 ứng với trường hợp ngắn mạch ở chế độ min hai máy biến áp làm việc song song.

                        Bảng kết quả kiểm tra hệ số an toàn của bảo vệ so lệch
                        Bảng kết quả kiểm tra hệ số an toàn của bảo vệ so lệch