Giải pháp thiết kế và tính toán kết cấu chung cư Tân Minh

MỤC LỤC

GIẢI PHÁP KIẾN TRÚC 1. Quy mô công trình

Tầng trệt cao 3.6m: Diện tích bằng các tầng khác nhưng không xây tường ngăn nhiều, dùng để làm khu vực sảnh đi lại, phòng thiết bị, phòng bảo vệ, phòng tang lễ, nhà trẻ…. Ngoài việc thông thoáng bằng hệ thống cửa ở mỗi phòng, còn sử dụng hệ thống thông gió nhân tạo bằng máy điều hòa, quạt ở các tầng theo gain lạnh về khu sử lý trung tâm.

GIẢI PHÁP KẾT CẤU

GIẢI PHÁP KỸ THUẬT 1. Hệ thống điện

THU GOM VÀ XỬ LÝ RÁC

Rác thải ở mỗi tầng sẽ được thu gom và đưa xuống tầng kĩ thuật, tầng hầm bằng ống thu rác.

GIẢI PHÁP HOÀN THIỆN

TÍNH TOÁN SÀN TẦNG ĐIỂN HÌNH

XÁC ĐỊNH KÍCH THƯỚC SƠ BỘ SÀN

Sàn không bị rung động, dịch chuyển khi chịu tải trọng ngang (gió, bão, động đất..) ảnh hưởng đến công năng sử dụng. Trên sàn, hệ tường ngăn không có hệ dầm đỡ có thể được bố trí bất kỳ vị trí nào trên sàn mà khụng làm tăng đỏng kể độ vừng của sàn.

TÍNH TOÁN CỐT THÉP 1. Ô bản kê bốn cạnh

Khi bản tựa trên dầm bê tông cốt thép đổ toàn khối mà h hd / s ≥3: Liên kết được xem là liên kết ngàm.

KIỂM TRA Ô SÀN

TÍNH TOÁN CẦU THANG TRỤC 1 – 2 TẦNG ĐIỂN HÌNH

    Đây là hệ tĩnh định, nội lực có thể dùng phương pháp cơ kết cấu hoặc dùng các chương trình tính kết cấu để giải. Mômen lớn nhất ở nhịp được xác định từ điều kiện: “Đạo hàm của mômen là lực cắt và lực cắt tại đó phải bằng không”.

    Hình 5.4 Mặt bằng cầu thang
    Hình 5.4 Mặt bằng cầu thang

    TÍNH TOÁN KHUNG KHÔNG GIAN

    GIỚI THIỆU CHUNG

    Trong kết cấu nhà nhiều tầng thì sàn đóng vai trò rất quan trọng, sàn phải có đủ độ cứng để có thể truyền được tải ngang. Do đó ta cần phải khai báo sàn là tuyệt đối cứng (Rigid Diaphragm), mỗi một sàn tầng tương ứng với một Diaphragm.

    XÁC ĐỊNH TẢI TRỌNG TÁC DỤNG LÊN CÔNG TRÌNH 1. Tải trọng thẳng đứng

    Gán tải phân bố trực tiếp lên sàn, đối với tường xây trên dầm ta quy về lực phân bố trên dầm. Trong nhà cao tầng, do xác suất xuất hiện hoạt tải ở tất cả các phòng và tất cả các tầng là không xảy ra, do đó giá trị hoạt tải sử dụng được nhân với hệ số giảm tải được quy định trong TCVN 2737-1995. Công trình xây dựng ở khu vực nội thành của Thành phố Hồ Chí Minh nên thuộc vùng II.A có Wo= 83(daN/m2). C: Hệ số khí động, xác định bằng cách tra bảng 6. k: hệ số tính đến sự thay đổi của áp lực gió theo độ cao. - Tải trọng gió quy về lực phân bố đều ngang mức sàn W. ) Trong đó.

    Các trường hợp tải trọng và tổ hợp tải trọng + Khai báo trường hợp tải: Define\Static Load Case. Sau khi khai báo các trường hợp tải trọng như trên ta tiến hành gán tải trọng tính toán vào mô hình. + Đối với tĩnh tải và hoạt tải ta gán phân bố đều trên sàn: Assign \ Shell/Area Loads\Uniform.

    Nhập tải trọng và khai báo các tổ hợp tải trọng sau đó chạy chương trình để có các kết quả nội lực và chuyển vị của hệ kết cấu.

    Hình 6.14 Khai báo vật liệu + Khai báo phần tử cột, dầm: Define\Frame Sections
    Hình 6.14 Khai báo vật liệu + Khai báo phần tử cột, dầm: Define\Frame Sections

    TÍNH TOÁN DẦM VÀ BỐ TRÍ CỐT THÉP 1. Lý thuyết tính toán

    Nếu αm >αRthì tiến hành tăng tiết diện tính toán hoặc tính toán cốt thép kép Nếu αm <αRthì tiến hành tính toán với bài toán cốt đơn. Do khung trục C đối xứng nên ta tính cốt thép dầm với nữa khung bên trái và lấy kết quả tính toán bố trí cho toàn khung. Ở vựng gối tựa lấy bằng ẳ nhịp khi cú tải trọng phõn bố đều và lấy bằng khoảng cỏch từ gối tựa đến lực tập trung gần nhất nhưng khụng nhỏ hơn ẳ nhịp.

    MẶT CẮT 9-9

    TÍNH TOÁN CỘT VÀ BỐ TRÍ CỐT THÉP 1. Lý thuyết tính toán

    Ta chọn các cặp nội lực tính toán cột bằng cách tổ hợp từ các giá trị nội lực trong các tổ hợp. Chọn phương án bố trí thép đối xứng nên chỉ cần tìm các giá trị Mxmax và Mymax. Sau khi đã có các giá trị nội lực tính toán tại các tiết diện của cột ta gom các giá trị nội lực trong các tầng không thay đổi nhiều thành các nhóm.

    Lấy giá trị nội lực lớn nhất để tính toán và bố trí cho cả nhóm để đảm bảo thuận lợi cho tính toán và thi công. Cốt thép được đặt theo chu vi, phân bố đều hoặc mật độ cốt thép trên cạnh b có thể lớn hơn. Tuỳ theo tương quan giữa giá trị Mx1, My1 với các kích thước các cạnh mà đưa về một trong hai mô hình tính toán (theo phương x hoặc y).

    Do khung trục C đối xứng nên ta tính cốt thép cột với nữa khung bên trái và lấy kết quả tính toán bố trí cho toàn khung.

    MẶT CẮT 29-29

    NEO VÀ NỐI CHỒNG CỐT THÉP

    GIẢI PHÁP THIẾT KẾ MểNG

      Căn cứ vào quy mô công trình( tải trọng công trình) và điều kiện địa chất như đã phân tích ở trên thì giải pháp móng sâu mà cụ thể là móng cọc là phù hợp với công trình nhất. Kích thước và sức chịu tải của cọc bị hạn chế do tiết diện cọc, chiều dài cọc không có khả năng mở rộng và phát triển do thiết bị thi công cọc bị hạn chế hơn so với các công nghệ khác. Ưu điểm của cọc khoan nhồi là có thể đạt đến chiều sâu hàng trăm mét (không hạn chế như cọc ép), do đó phát huy được triệt để đường kính cọc và chiều dài cọc.

      Có thể quan sat trực quan các lớp địa chất bằng cách lấy mẫu khoan, từ đó đánh giá chính xác điều kiện đất nền và khả năng chịu lực của đất nền dưới đáy hố khoan. Càng ngày kỹ thuật cọc barrette dựa trên kỹ thuật tường chắn càng được sử dụng rộng rãi, qua đó kết cấu bêtông cốt thép được thực hiện tại chỗ từ mặt đất hiện hữu đến độ sâu thiết kế, có tiết diện kích thước cọc phụ thuộc vào kích thước gầu tiêu chuẩn. Cọc barret có thể thi công kết hợp nhiều dạng hình học khác nhau để đạt được một kết cấu chịu lực với hình dạng mong muốn như : L, T, +, H….

      Gía thành cao do kỹ thuật thi công và đòi hỏi phải có những thiết bị máy móc kỹ thuật hiện đại đội ngũ công nhân có tay nghề cao.

      Hình 7.32 Mặt cắt địa tầng
      Hình 7.32 Mặt cắt địa tầng

      THIẾT KẾ CỌC KHOAN NHỒI

        - Tải trọng tiêu chuẩn được sử dụng để tính toán nền móng theo trạng thái giới hạn thứ hai. Tải trọng lên móng đã tính được từ Etabs là tải trọng tính toán, muốn có tổ hợp các tải trọng tiêu chuẩn lên móng đúng ra phải làm bảng tổ hợp nội lực chân cột khác bằng cách nhập tải trọng tiêu chuẩn tác dụng lên công trình. Tuy nhiên, để đơn giản quy phạm cho phép dùng hệ số vượt tải trung bình n =1,15.

        Như vậy, tải trọng tiêu chuẩn nhận được bằng cách lấy tổ hợp các tải trọng tính toán chia cho hệ số vượt tải trung bình. Lực tác dụng khác nhau thì cấu tạo và kích thước các cấu kiện của móng cũng khác nhau. Tuy nhiên để đơn giản cho công tác thiết kế, móng có tải tác dụng chênh lệch nhau không quá 15% có thể phân vào một loại móng.

        Đối với công trình này có rất nhiều móng ứng với từng cột và các vách cứng nhưng để tiết kiệm thời gian ta chỉ làm 3 móng M1; M2; M3 như trên hình mặt bằng móng. Thiết kế mặt đài trùng mép trên kết cấu sàn tầng hầm : trùng cốt -1.8 m so với mặt đất tự nhiên. Công thức tính cường độ chịu tải của đất ở mũi cọc (theo Meyerhof ) với ϕ <300 như sau.

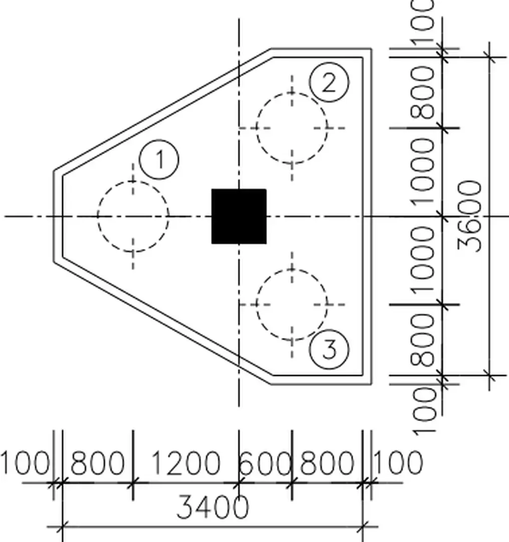
        Hình 8.35 Kích thước đài cọc móng M1
        Hình 8.35 Kích thước đài cọc móng M1

        THIẾT KẾ THI CÔNG CỌC KHOAN NHỒI

          + Định vị công trình: Dựa vào thực trạng kết hợp với mốc xây dựng do Chủ đầu tư cấp dùng thước thép để xác định mốc ranh giới của các hạng mục công trình, các trục móng của công trình. - Nước thi công: Đơn vị thi công sẽ sử dụng nguồn nước giếng khoan, lắp đặt máy bơm nước, có bể chứa nước 2m3 và sử dụng một bơm điện có công suất nhỏ để phục vụ thi công. Với phương pháp này ta phải đóng ống chống đến độ sâu 15,5m và đảm bảo việc rút ống chống lên được.Việc đưa ống và rút ống qua các lớp đất( nhất là lớp sét pha và cát pha) rất nhiều trở ngại, lực ma sát giữa ống chống và lớp cát lớn cho nên công tác kéo ống chống gặp rất nhiều khó khăn đồng thời yêu cầu máy có công suất cao.

          Trong quá trình lấy đất ra khỏi lòng cọc, cần khoan sẽ được đưa ra vào liên tục nên tác dụng thứ hai của ống vách là đảm bảo cho thành lỗ khoan phía trên không bị sập, do đó cọc sẽ không bị lệch khỏi vị trí. Mặt khác, quá trình thi công trên công trường có nhiều thiết bị, ống vách nhô một phần lên mặt đất sẽ có tác dụng bảo vệ hố cọc, đồng thời là sàn thao tác cho công đoạn tiếp theo. Để kiểm tra không phá huỷ các cọc đã thi công xong, cần phải đặt trước các ống thăm dò bằng thép có nắp đậy ở đáy, có kích thước phù hợp với phương pháp thăm dò trên suốt chiều dài cọc: dùng ống 60 mm để thăm dò bằng siêu âm và ống 114 mm để khoan lấy mẫu bê tông ở đáy hố khoan.

          Thông thường buộc cốt thép ngay tại những vị trí gần hiện trường thi công sau đó lồng thép đươc sắp xếp và bảo quản ở gần hiện trường, trước khi thả lồng thép vào lỗ lại phải dùng cần cẩu bốc chuyển lại một lần nữa.

          Hình 9.65 Quy trình thi công cọc khoan nhồi
          Hình 9.65 Quy trình thi công cọc khoan nhồi