Phân tích cấu trúc và chức năng của hệ thống Tổng đài NEAX-61E

MỤC LỤC

PHÂN HỆ ỨNG DỤNG

     T: Đo thử (Test) : là thiết bị kiểm tra tự động để phát hiện các lỗi như là : đường dây thuê bao bị hỏng do ngập nước, chập mạch với đường điện hay bị đứt bằng cỏch theo dừi đường dõy thuờ bao thường xuyờn cú chu kỳ. + Giao tiếp mạng chuyển mạch gói (PNI): Giao tiếp mạng chuyển mạch gói PNI được điều khiển bởi bộ chuyển mạch gói (PH), cho phép các thuê bao ISDN truy nhập vói mạng số liệu chuyển mạch gói công cộng (PSPDN) qua đường trung ké X75.

    Hình 3: Cấu hình của phân hệ ứng dụng.
    Hình 3: Cấu hình của phân hệ ứng dụng.

    PHÂN HỆ CHUYỂN MẠCH

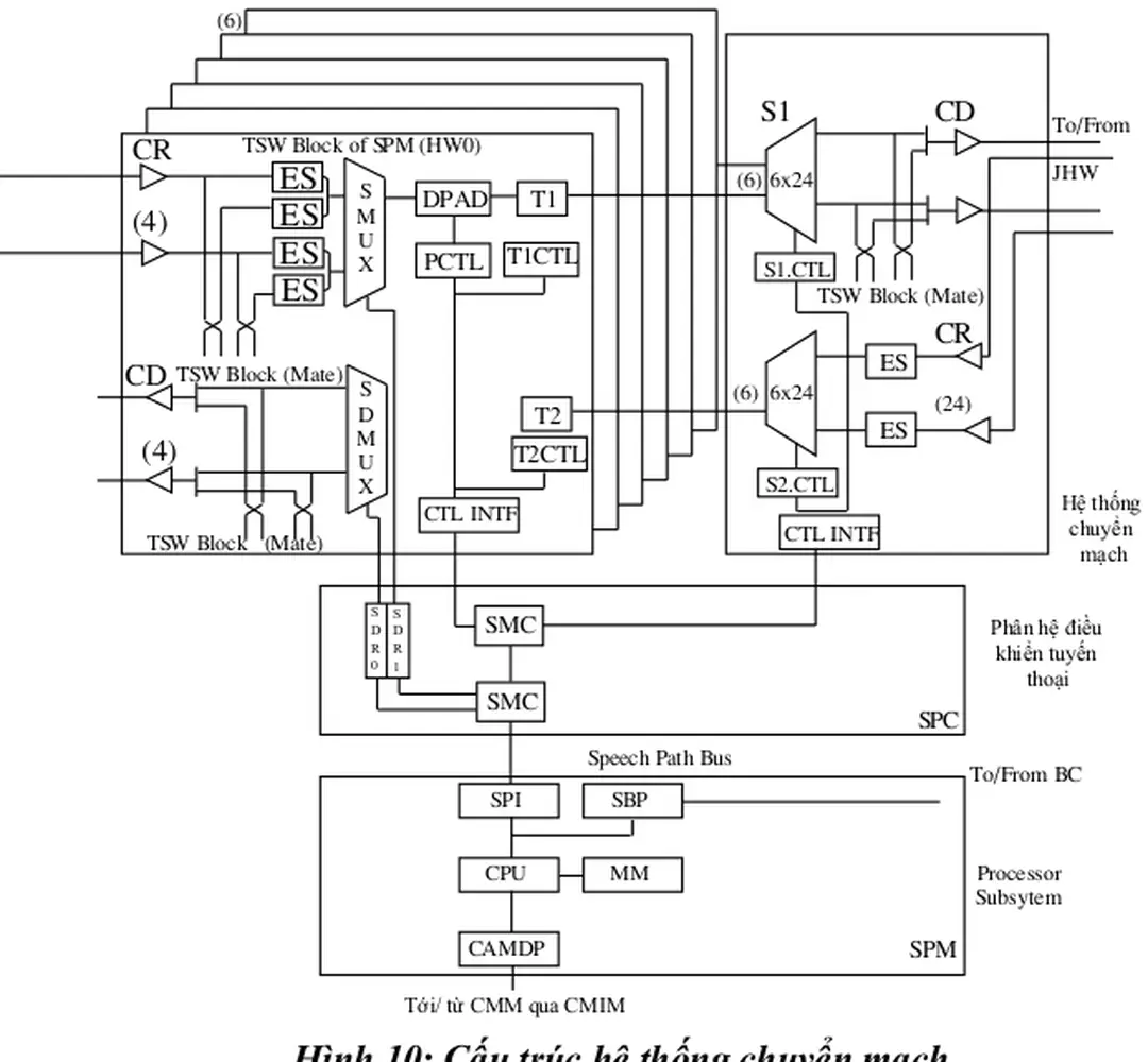
    Trường chuyển mạch của hệ thống tổng đài NEAX – 61E có cấu trúc T-S-S- T, mỗi mạng chuyển mạch cơ sở bao gồm 6 bộ chuyển mạch thời gian sơ cấp (T1), một bộ chuyển mạch không gian sơ cấp (S1), một bộ chuyển mạch không gian thứ cấp (S2) và 6 bộ chuyển mạch thời gian thứ cấp (T2). SPM có hai khối chức năng chính là chuyển mạch theo thời gian TSW (Time Switch) cà bộ chuyển mạch theo không gian SSW (Space Switch), ngoài ra nó còn gồm có các bộ giao tiếp với bộ điều khiển tuyến thoại, bộ điều khiển khai thác và bảo dưỡng, bộ thu tín hiệu đồng hồ.

    Hình 7: Cấu trúc trường chuyển mạch NEAX – 61E.
    Hình 7: Cấu trúc trường chuyển mạch NEAX – 61E.

    PHÂN HỆ XỬ LÝ

      Trong cấu trúc đa xử lý, phân hệ xử lý có thể gồm tới 32 bộ điều khiển xử lý CP trong đó có 22 bộ xử lý cuộc gọi CLP (Call Processor), bộ xử lý điều khiển định vị PCP (Position Control Processor) và một bộ xử lý cuộc gọi CLP thực hiện chức năng xử lý cuộc gọi theo chế độ phân chia tải. Bộ xử lý khai thác và bảo dưỡng bao gồm sự thông tin Người – Máyvà điều khiển các tuyến bảo dưỡng và điều khiển những CPS cho việc kiểm tra hoặc điều khiển truy nhập những module riêng.

      Hình 8: Sơ đồ khối hệ thống đa xử lý.
      Hình 8: Sơ đồ khối hệ thống đa xử lý.

      PHÂN HỆ KHAI THÁC VÀ BẢO DƯỠNG

      Thông qua đó người sử dụng có thể thực hiện nhiều chức năng khai thác (ví du: các thue tục kiểm tra hệ thống), nói chính xác hơn MAT là giao diện giữa người sử dụng và hệ thống. Các lệnh được người sử dụng đưa vào sẽ được xử lý, đồng thời hệ thống sẽ đưa ra bản tin đáp ứng lệnh. Hệ thống cung cấp một tập đa dạng các lệnh sử dụng với mục đích và ý nghĩa riêng của nó. - Nhóm lệnh bao gồm: Là nhốm lệnh ma thông qua đó người sử dụng có thể thay đổi đựơc thuộc tính của cả hệ thống, mở rộng hệ thống, mở các tuyến trung kế, quản lý các tuyến trung kế. .Điển hình của nhóm lệnh này là lệnh ODC:. Office Data Change). - Nhóm các lệnh đặc biệt: Điển hình của nhóm lệnh này là lệnh MLD (Memory Load – nạp bộ nhớ). Lệnh này được dùng với mục đích đặc biệt, chỉ được dùng dưới sự đồng ý của nhà sản xuất. Vì những lệnh này thường cung cấp số liệu cho nhà quản lý có nhiệm vụ vào số liệu đó. Người lập lệnhhệ thống còn cung cấp các khả năng kiểm tra giám sát hệ thống bằng các thiết bị phụ trợ khác. Ví dụ như STC: System Test Consol), hệ thống giám sát cảnh báo nhằm sớm phát hiện các trạng thái cảnh báo.

      CÁC ỨNG DỤNG ĐIỂN HÌNH

      Người bảo dưỡng vào thông tion này để tiến hành thay thế Card bị lỗi và có thể tiến hành chuẩn đoán lại nhở các nút chuyển đổi trên các moduloe. - Xử lý lỗi phần mềm: Khi phát hiện lỗi phần mềm, hệ thống tự động khôỉ tạo lai thông tin lỗi sẽ được hiện thị trên MAT.

      CẤU HÌNH PHẦN MỀM

      KIẾN TRÚC CƠ SỞ

      Phần mềm hệ điều hành được cài đặt sẵn nhằm cải thiện khả năng xử lý làm tác động đến các bước thao tác “động” và “tĩnh” trong việc xử ký chuyển mạch phần mềm này cũng diều khiển việc khởi động các module chức năng , quản lý hệ thống theo dừi bỏo hiệu đường dõy. Chương trình xử lý lỗi phát hiện các lỗi của hệ thống và khắc phục chúng bằng cách tự động nạp lại chương trình và số liệu tổng đài.Các lỗi dược phát hiện thông qua tín hiêu quét bảo dưỡng MNSCN (Maintenance Scan),kiểm tra lỗi chẵn lẻ và mã trạng thái.

      PHÂN HỆ ỨNG DỤNG

      Sau khi nhạn được (-) mơi quay số DT ,thuê bao A quay số càn gọi chương trình sử lý cuộc gọi sẽ hủy tuyến đấu nối DT ngay sau khi PBOB hoặc DPOR thu được chữ số đầu tiên DBOR trong LOC sẽ đếm xung DP (đối với loại dây thuê bao DP) còn PBOR đặt tronh mô dun trung kế dịch vụ sẽ báo hiệu đa tần(đoói với thuê bao PB) các chữ số thu được sẽ được đưa tơi chưng trình xử ly gọi. Giữa OGT zunctor lúc này DPOS (hoạc MFOS) được giải phóng khi cuộc gọi đã được kết cuối tài thuê bao bị gọi OFFICE ở xa xẽ gửi âm chuông tơi thuê bao bị gọi và âm hồi chuônh tới OFFICE của thuê bao chủ gọi.sau đó hệ thống ở trạng thái chờ báo hiệu trả lời từ OFFICE của thuê bao bị gọi.

      GIỚI THIỆU CHUNG VỀ PHÂN HỆ CHUYỂN MẠCH

      CHỨC NĂNG CƠ BẢN CỦA PHÂN HỆ CHUYỂN MẠCH

      Bộ điều khiển trường chuyển mạch SPC nhận dạng bộ điều khiển phát lệnh điều khiển sẽ được cung cấp, tập hợp các lệnh điều khiển và khung đã được định trước lưu trữ thông tin đã được thu thập vào bộ thu tín hiệu và bộ phân phối tín hiệu ra SRDO. Thông tin trong phân hệ chuyển mạch được thực hiện thông qua Bus hệ thống SB do bộ xử lý Bus hệ thống SBP điều khiển (System Bus Module xử lý điều khiển) CPM (Contron Processor), bao gồm bộ nhớ chung CM (Common Memory) là bộ nhớ chung co mỗi CP.

      Hình 10: Cấu trúc hệ thống chuyển mạch
      Hình 10: Cấu trúc hệ thống chuyển mạch

      ĐẶC TÍNH GHÉP KÊNH

      Việc truy nhâp qua lai SHW cấu trúc kép được tạo ra thông qua chuyển mạch truy nhâp chéo đã cho giữa các mạch nhớ đàn hồi é và SMUX theo hướng đi giữa SDMUX và bộ CD theo hướng đi. Chức năng này được thực hiện bằng cạch kiểm tra các bít chẵn lẻ của mạch nhớ, kiểm tra các cụm tín hiệu Pilot truyền qua mạng sử dụng 1 khe thời gian riêng của các đường SHW, JHW, SMUX/SDMUX và chuyển mạch không gian.

      MODUL ĐƯỜNG THOẠI SPM

      CHỨC NĂNG CỦA SPM

      Bộ nhớ điều khiển chuyển mạch không gian đầu ra S2 – CTLM xác định chỉ số của đường JHW mà đưa tới S2 từ giao tiếp JHW INTF phù hợp với thông tin điều khiển S2 chứa trong SMCD theo lệnh SPC và sử dụng nó để chuyển số liệu tiếng nói trong mỗi khe thời gian của đường HW số liệu nhận được từ giao tiếp JHW INTF đến khe thời gian cùng chỉ số tương tự như khi đưa ra đến S1 từ T1. Bởi vì tốc độ truyền dẫn số liệu khung trung kế và đường dây LTFD theo lệnh đã được nhận từ SPC qua giao tiếp SPC INTF và tốc độ tiếp nhận của LTDF theo lênh trong INS là không đồng bộ, SRDQ nhớ một cách tạm thời số liệu trung kế và đường dây LTFD theo lệnh nhận được từ SPC qua giao tiếp SPC INTF và đồng bộ tốc độ thu của INS trước khi lệnh LTFD tới INS.

      Hình 13: Vị trí của SPM trong hệ thống chuyển mạch NEAX – 61E
      Hình 13: Vị trí của SPM trong hệ thống chuyển mạch NEAX – 61E

      BỘ ĐIỀU KHIỂN TUYẾN THOẠI

      • SPC 0 1 BIU 0 1

        Giao tiếp Module chuyển mạch thời gian TMS/ Module chuyển mạch không gian SSM/ Module chuyển mạch SPM TMS/SSM/SPM INTF và giao tiếp đường dẫn DRP INTF (Dropper Interface): Nhận các tín hiệu quét SCN từ các đường trong bộ ghép kênh thứ cấp SMUX và phân phối tín hiệu đến các khối chức năng của SPC. Bộ điều khiển chuyển mạch SPC được điều khiển bởi Module xử lý điều khiển CPM (Control Processor Module) và điều khiển Module chuyển mạch thời gian TSM (Time Switch Module), Module chuyển mạch không gian SSM (Space Switch Module), Module chuyển mạch SPM (Speech Path Module) và khung đường dây và trung kế LTF (Line Trunk Fram).

        Hình 26: Chức năng phát hiện cuộc gọi.
        Hình 26: Chức năng phát hiện cuộc gọi.

        MODULE TRUNG KẾ DỊCH VỤ

        GIỚI THIỆU

        SPC, SVTM cũng thực hiện việc ghép kênh và phân kênh tín hiệu số và nhân PB, MF, MFC và tín hiệu Tone đến và đi từ 1 đường dây trung kế hay 1 đường dây thuê bao qua mạng chuyển mạch TDNW. Tuy nhiên trong suốt quá trình chuẩn đoán lỗi, chúng hoạt động ở chế độ tách biệt, trong chế độ đồng bộ cả SVTC hoạt động và dự phòng (ACT – SVTC) truyền tín hiệu đến TDNƯ tích cực.

        Hình 28: Vị trí của SVTM trong hệ thống NEAX – 61E
        Hình 28: Vị trí của SVTM trong hệ thống NEAX – 61E

        REC P D

        •Giao tiếp giữa các SVTC và TDND: Các tín hiệu điều khiển của phần mềm chèn vào các khe thời gian điều khiển của SHW được tách ra bởi DRP, sau đó chúng được chứa vào DRPQ thông qua SHWINE. - REC phân tích các thông báo từ ATC SVTX cho mỗi kênh và thông báo các chữ số nhận được về SVTC Z80 tương ứng với chế độ hoạt động (Luật A hay luật à, PBBREC hay MFREC, MFCREC).

        Hình 31: Sơ đồ giao tiếp với Suhbighway.
        Hình 31: Sơ đồ giao tiếp với Suhbighway.

        CHƯƠNGV:MODULE ĐỒNG HỒ(CLKM)

          Các bộ giao động OSC (P-7KOL/ P-7KOM/ P-7KOP/ P-7KOQ) là những bộ giao động hoạt động theo kiểu vòng khoá pha để đồng bộ mạng,nhằm tạo ra đồng hồ tham chiếu có cấp độ chính xác cao nhất và tránh được hiện tượng Jitter và Hit.Mỗi PLO có chức năng bảo dưỡng tần số ,cho phép đồng hồ tham chiếu của tổng đài được bảo dưỡng ở mức cao nhất ngay cả khi đồng hồ tham chiếu xảy ra sự cố.CLKM có ở tổng đài chủ nơi mà cấp đồng bộ mạng cao nhất.Điều khiển chuyển mạch SHC và Card OSC cung cấp chức năng hỗ trợ CLKM. Bộ chọn đồng hồ (Clock Selector) P-7KOT chọn hệ thống đồng hồ tích cực là hệ tthống 0 hoặc 1 và nối đến bộ phân bố tín hiệu đồng hồ.Mỗi bộ phân bố tín hiệu đồng hồ có khả năng cung cấp một đồng hồ cho hai SPC lên đến sáu bộ phân bố tín hiệu đồng hồ (Cho 12 SPC) có thẻ lắp đặt trong CLKM.Đối với tổng đài lớn có nhiều hơn 12SPC thì có thể dùng 1 module đồng hồ mở rộng .Module này được.

          Bảng 2.2 .Các đặc trưng của bộ giao động
          Bảng 2.2 .Các đặc trưng của bộ giao động

          Bản chữ cái viết tắt

          General Queue High Interface Bus HighWay Intraoffice usage Incoming Trunk Interface Interface Internation al Switch Internation al Switch Incoming Register Junetor High Way Junetor Usage Last Look Memory Line Module Line Module Contreller Local Controller Line Printer Flip Flop loại D. Bàn kiểm tra đương dây Giá trung kế và dây thuê bao Dữ liệu giá trung kế và đường dây Module kiểm tra đường dây Trung kế cho kiểm tra đường dây Thiết bị điều hành và bảo dưỡng Bàn Master.