Giới thiệu bộ định thời AT89C55WD - Vi điều khiển thế hệ mới

MỤC LỤC

HOẠT ĐỘNG TIMER CỦA 89C51 1. Giới thiệu

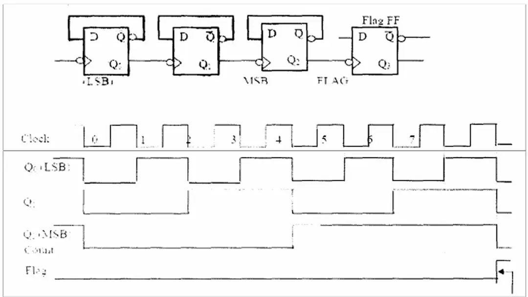
- Bộ định thời của Timer là một chuỗi các Flip Flop được chia làm 2, nó nhận tín hiệu vào là một nguồn xung clock, xung clock được đưa vào Flip Flop thứ nhất là xung clock của Flip Flop thứ hai thà nó .cũng chia tần số.clock này cho 2 và cứ tiếp tục. Khi bộ đếm tràn từ FFH sang 00H, không chỉ cờ tràn được set mà giá trị trong THx cũng được nạp vào TLx: Bộ đếm được tiếp tục từ giá trị này lên đến sự chuyển trạng thái từ FFH sang 00H kế tiếp và cứ thế tiếp tục.

Hình 1.8. Biểu đồ thời gian
Hình 1.8. Biểu đồ thời gian

CỔNG NỐI TIẾP 1. Giới thiệu

Nói cách khác, sau mỗi tràn ta không cần khi gán lại cho các thanh ghi Timer mà chúng vẫn đếm được lại từ giá trị ban đầu. Ty nhiên tốn thêm phần mềm vì phải nạp lại TH1, TL1 sau mỗi lần tràn, việc này phải thực hiện trong chương trình phục vụ ngắt.

VI ĐIỀU KHIỂN AT89C55 .1 Đặc trưng

AT89C55WD có các đặc trưng chuẩn sau đây: 20 K byte Flash, 256 byte RAM, 32 đường nhập/xuất, ba bộ định thời/bộ đếm 16-bit, sáu vectơ, cấu trúc ngắt hai mức, một cổng nối tiếp song công hoàn toàn (full-duplex serial), mạch dao động và tạo xung clock trên chíp. Bộ định thời 2 có thể được lập trình để đếm tiến hoặc lùi khi đã định cấu hình trong chế độ tự nạp lại 16-bit.Tính năng này được gọi tới bằng bit DCEN (Down Cunter Enable) được định vị trong SFR T2MOD. Nó có thể được lập trình tới đầu vào của xung chích ngoài cho bộ đếm/định thời 2 hoặc tới đầu ra của xung clock chu kì nhiệm vụ 50% trong dải từ 61 Hz đến 4MHz cho tần số hoạt động là 16MHz.

Không có yêu cầu nào về chu kì nhiệm vụ của tín hiệu xung clock bên ngoài, vì để đầu vào này đến được mạch tạo xung clock bên trong chíp phải đi qua 1 flip-flop chia-2, nhưng các chi tiết kỹ thuật về thời gian mức cao và mức thấp, điện áp cực tiểu và cực đại phải được xem xét. Ta cần lưu ý rằng khi chế độ nghỉ được kết thúc bởi 1 reset cứng, chíp vi điều khiển sẽ tiếp tục bình thường việc thực thi chương trình từ nơi chương trình bị tạm dừng trong vòng 2 chu kì thấy trước khi giải thuật reset mềm nắm quyền điều khiển. Reset xác định tại các thanh ghi chức năng đặc biệt nhưng không thay đổi RAM trên chíp.Việc reset không nên xảy ra trước khi Vcc được khôi phục lại mức điện áp bình thường và phải kéo dài trạng thái tích cực của chân reset đủ lâu để cho phép mạch dao động hoạt động trở lại và đạt trạng thái ổn định.

Hình 1.17. Cấu trúc bên trong AT89C55WD
Hình 1.17. Cấu trúc bên trong AT89C55WD

VI ĐIỀU KHIỂN AT89C2051 .1 Đặc trưng của AT89C2051

AT89C2051 cũng thích hợp với các lệnh và các chân ra của chuẩn công nghiệp MCS-51 flash trên chíp cho phép bộ nhớ chương trình được lập trình lập lại trên hệ thống hoặc bằng bộ lập bộ nhớ không mất nội dung qui ước. Bằng cách kết hợp CPU linh hoạt 8 bit với flash trên một chíp mạnh đáp ứng cho những ứng dụng điều khiển. AT89C2051 thiết kế với logic tĩnh cho hoạt động có tần số giảm xuống 0 và hỗ trợ hai chế độ tiết kiệm năng lượng.

Nó có các chế độ như chế độ nghỉ dừng CPU trong khi vẫn cho phép RAM, các bộ định thời/đếm, port nối tiếp và hệ thống ngắt tiếp tục hoạt động. Chế độ nguồn giảm duy trì nội dung trong RAM không cho mạch dao động cứng cấp xung clock nhằm vô hiệu hoá. Các hoạt động khác của chíp cho đến khi có reset phần cứng tiếp theo.

HỌ VI ĐIÈU KHIỂN AVR AT90S8535

Các đặc tính

Trong chế độ tắt điện máy tạo dao động tính giờ tiếp tục để chạy, cho phép người sử dụng bảo vệ thiết bị tính giờ căn bản trong khi các phần còn lại của thiết bị đang dừng ở giữa chừng. Port D (PD7.PDO) Cổng D là một cổng vào ra có hướng 8- bit cùng với điện tử kẻo trong. Cổng D cũng phục vụ cho các chức năng của những đặc tính đặc biệt khác như trong hình của AT90S8535. Các chân cổng D có ba trạng thái khi một điều kiện thiết lập lại được hoạt động. Reset dữ liệu đầu vào. Một thiết lập bên ngoài được sinh ra bởi một mức thấp tên chốt Reset. Thiết lập lại xung dài hơn 50 ns sẽ sinh ra một reset, dù đồng hồ l\hôn ) l~h~li dụng chạy. Điều đó được cho phép bởi thực tế mà thanh ghi được gán 32 địa chỉ không gian dữ liệu thấp nhất ($00-$1F) cho phép chúng được truy cập như chúng là những sự định vị bộ nhớ bình thường.

Mặc dù không được thực hiện về mặt vật lý như vị trí SRAM, việc tổ chúc bộ nhớ này cung cấp sự linh hoạt lớn trong truy nhập thanh ghi, như các thanh ghi X-, Y-, và Z có thể dược thiết lập tới chỉ mục một vài thanh ghi trong tệp tin. Trong các cách đánh địa chỉ khác nhau, những thanh ghi địa chỉ này có các chức năng như sự dịch chuyển cố định sự gia tăng và sự giảm bớt tự động (xem sự mô tả cho những sự chỉ dẫn khác nhau). NHỮNG CÁCH ĐÁNH ĐỊA CHỈ CHO CHUƠNG TRÌNH VÀ DỮ LIỆU AT90S8535 được người điều khiển máy tính hổ trợ những cách đánh địa chỉ hiệu quả và mạnh cho sự truy nhập vào bộ nhớ chương trình (flash) và bộ nhớ dữ liệu (SRAM, Register file and I/O memory).

Hình 2. 1. Sơ đồ chân AT90S8535
Hình 2. 1. Sơ đồ chân AT90S8535

Cho phép ngắt toàn cục

Tất cả những thanh ghi địa chỉ vào/ral tài liệu này cho thấy với địa chỉ SRAM trong dấu ngoặc. Để thích hợp với những thiết bị các bit dành riêng cần phải được viết 0 nếu truy cập. Ghi chú rằng lệnh CBI và SBI sẽ có tác dụng trên tất cả các bits trong thanh ghi vào/ra, viết ‘1’ vào sau bất kỳ cờ dọc nào như là tập hợp, như vậy làm xoá cờ.

S: Kí hiệu bit, (S=N + V)

Bit-S luôn luôn được dành riêng hoặc ở trong cờ ngược N và bổ sung tràn bộ nhớ cờ V.

C : cờ nhỏ

Con trỏ ngăn xếp được tăng lên bởi 1 khi dữ liệu được bật ra khỏi ngăn xếp với lệnh POP và nó được tăng lên bởi 2 khi một địa chỉ được bật ra từ ngăn xếp với sự gọi chương trình con RET hoặc trở lại từ ngắt RET. Những ngắt và xác lập lại vector riêng biệt từng cái có một vector chương trình riêng biệt trong không gian bộ nhớ chương trình. Mọi ngắt được gán riêng lẻ làm cho bits phải được thiết lập cùng nhau với I-BIT trên thanh ghi trạng thái trong thứ tự để cho phép ngắt.

Những địa chỉ thấp nhất trong không gian bộ nhớ chương trình tự động được định nghĩa như xác lập lại và ngắt vector. Thấp hơn địa chi, mức ưu tiên cao hơn, RESET có mức ưu tiên cao nhất và tiếp theo là INTO (the External lnterrupt Request 0),…. Để tìm hiểu kỹ hơn về AVR chúng ta có thể tham khảo một số tài liệu trên Internet và một số quyển sách giới thiệu trong phần tài liệu.

Bảng 2.2. Sự xác 1ập 1ại và các véc tơ ngắt
Bảng 2.2. Sự xác 1ập 1ại và các véc tơ ngắt

CÔNG NGHỆ CHIP PSoC

Ngôn ngữ lập trình cho PSoC

Sau khi thiết kế phần cứng của hệ thống sau bằng chương trình PSoC Designer, chúng ta bắt dầu tiến hành lập trình cho hệ thống. Nhưng trên thực tế để làm cho hệ thống linh hoạt và dễ kiểm soát hơn, người ta thường kết hợp cả hai ngôn ngữ này. Ngôn ngữ C cho PSoC cũng gần giống với ngôn ngữ C bình thường, nhưng nó phải hỗ trợ lập trình cấu trúc cho PSoC.

Vì vậy để viết được tốt ngôn ngữ này chúng ta phai tìm hiểu kỹ phần: PSoC Designer C Langunge Compiler User Guide. Chúng ta có thể đọc phần hướng dẫn sử dụng của nhà sản xuất dễ có thê hiếu và lập trình được: PSoC Designer Assembly Langunge User Guide. Chúng ta có thể xem và được hỗ trợ trực tuyến trên trang Web của nhà sản xuất: http://www.cypress.cpm.

Giới thiệu những nét cơ bản về IDE

Trong Application Editor bạn có thể nhìn thấy các file của dự án thông qua cây source, cửa sổ file nguồn đang được mở, cửa sổ trạng thái đầu ra. Nếu bạn trong hệ thống con Debugger, bạn sẽ nhìn thấy những cửa sổ hoạt động như trong trình biên tập ứng dụng cộng với thanh ghi CPU(CPU register), là RAM/Bank/Flash thanh ghi dữ liệu. Trong thẻ này bạn có thể lựa chọn trình biên dịch C, định nghĩa Macro, tối ưu hóa tốc độ cho những hàm toán học, tố ưu hóa luồng dữ liệu trình biên dịch , phân trang RAM, nén mã.

Với trình biên dịch C đã chọn ở thẻ Compiler bạn có thể xác định lại ví trí vùng văn bản, liên kết mã nguồn từ các project khác, thêm các thư viện khác. Bạn sẽ phải thay đổi cổng mặc định, LTP1, nếu ICE xung đột với một máy in hay cổng khác của một thiết bị độc lập nào đó hoặc nếu bạn đã cài đặt một card mở rộng PCI/PCMClA. PsoC Designer luôn duy trì một thư mục sao lưu dự phòng cho project trong thư mục của project với những file đã được chuyển đến bên trong cây nguồn.