Thiết kế bộ nguồn chỉnh lưu cho mạ điện

MỤC LỤC

Chỉnh lưu tia ba pha có điều khiển

Khi có biến áp nối Y trên mỗi pha a,b,c ta nối một van như hình H.1.8a, các van có thể đấu Catốt chung (hoặc Anôd chung), nếu ba van đấu Catốt chung cho ta điện áp dương qua tải, còn trung tính biến áp sẽ là điện áp âm. Nhờ cú biến ỏp ba pha ba trụ mà từ thụng lừi thộp là từ thông xoay chiều không đối xứng làm cho công suất của biến áp phải lớn, nếu ở đây biến áp được chế tạo từ ba biến áp một pha thì công suất các biến áp con lớn hơn nhiều.

Chỉnh lưu tia sáu pha có cuộn kháng

So với chỉnh lưu một pha thì chỉnh lưu tia ba pha có chất lượng điện áp một chiều tốt hơn, biên độ điện áp đập mạch tốt hơn, việc điều khiển các Tiristor tương đối đơn giản. Nhưng nếu dùng sơ đồ này thì có một vấn đề khó khăn là: việc chế tạo máy biến áp với sáu pha thứ cấp ngược nhau 1800 là hết sức khó khăn, cộng thêm việc chế tạo cuộn kháng cân bằng lên càng tăng thêm tính phức tạp cho công việc chế tạo và bảo quản.

Chỉnh lưu cầu ba pha điều khiển đối xứng

Theo nguyên tắc hoạt động của sơ đồ chỉnh lưu cầu; Tại mỗi thời điểm cần phải mở van bán dẫn cho dòng chạy qua tải, chúng ta phải cấp hai xung điều khiển đồng thời (một xung ở nhóm Anôd, một xung ở nhóm Catốt). Trong những trường hợp này khi dòng chạy từ pha này sang pha kia là do các van bán dẫn có phân cực thuận theo điện áp dây đặt lên chúng cho tới khi điện áp đổi dấu, các van bán có phân cực ngược nên chúng tự khoá.

Chỉnh lưu cầu ba pha điều khiển không đối xứng

Nếu chọn chỉnh lưu cầu một pha, tuy chất lượng điện áp tương đối tốt nhưng mật độ không cao, biên độ đập mạch lớn, thành phần đa hoà bậc cao lớn, hiệu suất sử dụng máy biến áp xấu và công suất chỉnh lưu nhỏ nên không đáp ứng yêu cầu của mạ vậy không chọn sơ đồ này. Chỉnh lưu tia ba pha không chọn vì máy biến áp sử dụng cho mạch này là biến áp ba pha ba trụ nên từ thông trong máy biến áp không đối xứng làm cho công suất máy biến áp lớn, dẫn đến hệ số sử dụng công suất của máy biến áp tồi, dòng điện trên dây trung tính lớn đúng bằng dòng qua tải.

Sơ đồ mạch động lực:
Sơ đồ mạch động lực:

Điện áp ngược của van

Hai thông số cần quan tâm nhất khi chọn van bán dẫn cho chỉnh lưu là điện áp và dòng điện. Chọn điều kiện làm việc của van là có cánh toả nhiệt và đầy đủ diện tích toả nhiệt, có quạt thông gió.

TÍNH TOÁN MÁY BIẾN ÁP CHỈNH LƯU

Điện áp thứ cấp của máy biến áp:. Dòng điện thứ cấp của máy biến áp:. I2 - Dòng điện thứ cấp của máy biến áp. Id - Dòng điện định mức của tải. Dòng điện hiệu dụng sơ cấp:. I1 - Dòng điện sơ cấp của máy biến áp. kba - Hệ số của máy biến áp. Điện áp pha thứ cấp của máy biến áp:. Công suất tối đa của máy biến áp:. Công suất biểu kiến của máy biến áp:. Tiết diện sơ bộ của trụ:. m: Số trụ của máy biến áp. Tính lại tiết diện của trụ:. *) Tính toán dây quấn. Số vòng dây mỗi pha sơ cấp của máy biến áp:. W1 - Số vòng dây của cuộn dây cuộn sơ cấp cần tính. Số vòng dây mỗi pha thứ cấp của máy biến áp:. Chọn sơ bộ mật độ dòng điện của máy biến áp:. Tiết diện dây dẫn sơ cấp của máy biến áp:. Đường kính dây dẫn. Chọn dây dẫn tiết diện tròn. Tính lại mật độ dòng điện trong cuộn dây sơ cấp:. Tiết diện dây dẫn thứ cấp của MBA:. Vì tiết diện dây lớn nên ta chập 3 sợi làm một. Tính lại mật độ dòng điện trong cuộn dây thứ cấp:. Thực hiện dây quấn kiểu đồng tâm bố trí theo chiều dọc trục. Tính sơ bộ số vòng dây trên một lớp của cuộn sơ cấp:. h: Chiều cao trụ. hg = d1: Khoảng cách từ gông tới cuộn sơ cấp. Tính sơ bộ lớp dây ở cuộn sơ cấp:. Chiều cao thực tế của cuộn sơ cấp. Đường kính trong của ống cách điện:. Đường kính trong của cuộn sơ cấp:. Bề dầy cuộn sơ cấp:. Đường kính ngoài của cuộn sơ cấp:. Đường kính trung bình của cuộn sơ cấp:. Chiều dày dây quấn sơ cấp:. Chọn sơ bộ chiều cao cuộn thứ cấp:. Tính sơ bộ số vòng dây trên một lớp của cuộn thứ cấp:. Tính sơ bộ lớp dây ở cuộn thứ cấp:. Chiều cao thực tế của cuộn thứ cấp. Đường kính trong của cuộn thứ cấp:. Bề dầy cuộn thứ cấp:. Đường kính ngoài của cuộn thứ cấp:. Đường kính trung bình của cuộn thứ cấp:. Chiều dài dây quấn thứ cấp:. Đường kính trung bình của các cuộn thứ cấp và sơ cấp:. *) Tính toán mạch từ. dt - Đường kính trụ. ng - Số bậc của gông. kc - Hệ số chêm kín hình tròn của trụ. Toàn bộ tiết diện của trụ:. Tiết diện hiệu quả của trụ:. Chiều dày các bậc thang của trụ:. Số lá thép trong các bậc:. n - Số lá thép trong một bậc của trụ. bt - Bề dầy một bậc của trụ. Vậy số lá tôn trong từng bậc của trụ là:. Chọn gông có tiết diện hình chữ nhật có kích thước như sau:. Tiết diện hiệu quả của gông:. Số lá thép dùng trong một gông:. Tính chính xác mật độ từ cảm trong trụ:. Mật độ từ cảm trong gông:. Chiều rộng cửa sổ:. Khoảng cách giữa hai tâm trụ:. Chiều rộng mạch từ:. Chiều cao của mạch từ:. *) Tính khối lượng của sắt và đồng. Thể tích của trụ:. Thể tích của gông:. Khối lượng của trụ:. Khối lượng của gông:. Khối lượng của sắt:. Khối lượng của đồng của cuôn sơ cấp:. Khối lượng của đồng của cuôn thứ cấp:. Tổng khối lượng dây đồng:. Khối lượng sắt và đồng cần sử dụng là:. *) Tính các thông số của máy biến áp. Kiểm tra máy biến áp thiết kế ra có đủ điện kháng để hạn chế tốc độ biến thiên của dòng chuyển mạch.

TÍNH TOÁN CUỘN KHÁNG LỌC

Xác định các thành phần sóng hài

Trong đó: P = 6 là số xung đập mạch trong một chu kỳ của điện áp lưới.

TÍNH TOÁN THIẾT BỊ BẢO VỆ

Bảo vệ quá nhiệt độ cho các van bán dẫn

Vậy để van làm việc an toàn thì ta phải thiết kế và chọn hệ thống toả nhiệt hợp lý.

Bảo vệ quá dòng cho các van bán dẫn

- Chọn cầu chì có dây chảy tác động nhanh, để bảo vệ ngắn mạch các van bán dẫn, ngắn mạch đầu ra của bộ chỉnh lưu, ngắn mạch sau cuộn thứ cấp.

Bảo vệ quá điện áp cho các van

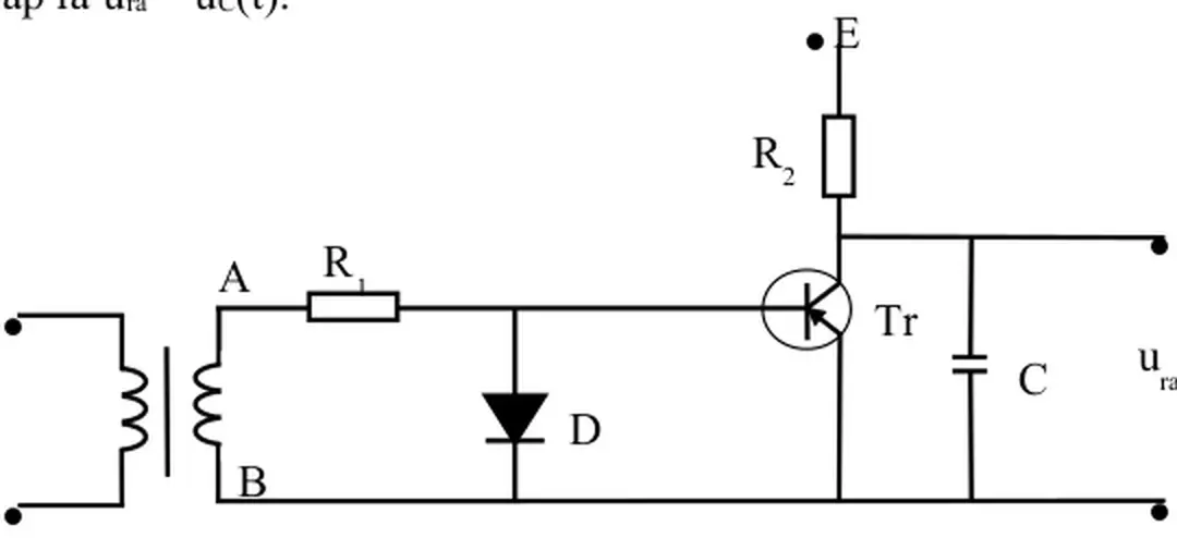
Đến nửa chu kỳ sau điện thế tại A và B đổi dấu, lúc này VA(-), VB(+) dòng điện qua Diôt D còn Diôt D0 bị khóa, Tranzito phát quang dẫn, tụ C phóng điện qua Tranzito. Ưu điểm của sơ đồ:. - Không phải dùng máy biến áp đồng pha, nên việc chế tạo và nắp giáp đơn giản hơn, kích thước nhỏ gọn, giá thành rẻ. - Cách ly nguồn xoay chiều với mạch điều khiển. Nhược điểm của sơ đồ này:. - Việc mở khoá Tranzitor trong vùng điện áp lân cận không thiếu chính xác Nói chung các sơ đồ trên ít dùng do chất lượng điện áp tựa không tốt, do các linh kiện điện tử có sụt áp nhất định nên vùng biến thiên tuyến tính của điện áp tựa không phủ hết 1800. Do đó góc mở van bị giới hạn, tức là điện áp tải không điều chỉnh được từ 0 tới cực đại. Sơ đồ khâu đồng pha dùng khuếch đại thuật toán. Hoạt động của sơ đồ:. Nửa chu kỳ đầu điện thế ở A mang dấu dương “+”, qua khuếch đại thuật toán A1 một chuỗi xung hình chữ nhật UB qua Diốt D tới khuếch đại thuật toán A2 tích phân thành điện áp răng cưa Urc, do Tranzito phân cực ngược nên tụ C nạp điện áp. dòng điện qua khuếch đại thuật toán A1, Diốt D lúc này bị phân cực ngược. H.3.7 - Sơ đồ khâu đồng pha dùng khuếch đại thuật toán. H 3.8 - Sơ đồ tín hiệu điện áp ra của khâu đồng pha dùng khuếch đại thuật toán. nên bị khóa không cho dòng chạy qua. Tranzito mở, làm ngắn mạch khuếch đại thuật toán A2 và tụ C, tụ C xả năng lượng qua Tranzito, nên điện áp răng cưa hạ về không trong vùng điện áp UB âm. Như vậy ở đầu ra của khuếch đại thuật toán A2 chúng ta thu được các xung điện áp răng cưa Urc. Ưu điểm của sơ đồ:. - Tác động nhanh, các sườn xung răng cưa dốc, độ chính xác cao. - Cho chất lượng điện áp tốt. Kết luận: Qua phân tích một số sơ đồ tạo xung răng cưa, ta thấy nếu chọn sơ đồ dùng Tranzito và tụ,và sơ đồ đồng pha dùng bộ ghép quang thì việc mở, khoá Tranzito không được chính xác tại vùng điện áp không và việc xả, nạp của tụ C trong vùng này không được như ý muốn nên chúng ta không chọn. Vậy với sơ đồ đồng pha dùng khuếch đại thuật toán có ưu điểm tác động nhanh, gọn nhẹ, độ chính xác cao nên được ứng dụng nhiều trong thiết kế mạch đồng pha. *) Chọn khâu so sánh. Chỉ cần một thay đổi nhỏ của tớn hiệu vào (cỡ àV) thỡ ở đầu ra sẽ cú điện ỏp thay đổi lớn. Nờn việc chọn khuếch đại thuật toán làm khâu so sánh là hợp lý nhất. Kết luận: Sơ đồ so sánh dùng khuếch đại thuật toán có ưu điểm hơn là dùng Tranzito: có độ nhạy cao, cho điện áp ra nhảy cấp thẳng đứng, độ chính xác cao, ổn định nhiệt, tín hiệu ra không bị méo. Nên trong sơ đồ mạch điều khiển ta chọn bộ so sánh dùng khuếch đại thuật toán. H.3.12 - Sơ đồ so sánh hai tín hiệu khác dấu có điện áp Udc dùng khuếch đại thuật toán. *) Chọn sơ đồ khuếch đại tạo xung.

1. Sơ đồ khâu đồng pha dùng Tranzitor và tụ.
1. Sơ đồ khâu đồng pha dùng Tranzitor và tụ.

TÍNH TOÁN CÁC THÔNG SỐ MẠCH ĐIỀU KHIỂN

  • ĐẶC TÍNH NGOÀI CỦA BỘ NGUỒN

    - Mỗi kênh điều khiển dùng 3 khuếch đại thuật toán, do đó toàn bộ mạch điều khiển ta chọn 3 IC loại TL084, mỗi IC này có 4 khuếch đại thuật toán. Trải qua hơn ba tháng tìm hiểu và nghiên cứu các tài liệu chuyên ngành, cùng với sự giúp đỡ của các thầy cô trong khoa đến nay về cơ bản em đã hoàn thành đồ án này.

    7. Sơ đồ mạch tạo nguồn nuôi.
    7. Sơ đồ mạch tạo nguồn nuôi.