Thiết kế tay máy 3 ậc tự do RRR: Ứng dụng trong công nghiệp

MỤC LỤC

Một số kết cấu tay máy điển hình

Do kết cấu đơn giản, loại tay máy nầy có độ cứng vững cao, độ chính xác cơ khí dễ đảm bảo vì vậy nó thuờng dùng để vận chuyển phôi liệu, lắp ráp, hàn trong mặt phẳng. Tất cả các khâu đều nằm trong mặt phẳng thẳng đứng nên các tính toán cơ bản là bài toán phẳng, ưu điểm nổi bật của các loại robot hoạt động theo hệ toạ độ góc là gọn nhẹ, tức là có vùng làm việc tương đối lớn so với kích cở của bản thân robot, độ linh hoạt cao.

Hình 2.2 Robot hoạt động theo hệ tọa độ trụ.
Hình 2.2 Robot hoạt động theo hệ tọa độ trụ.

Đề án thiết kế tay máy có 3 bậc tự do:(RRR)

Tính ứng dụng: Với tay máy kiểu này thì phạm vi hoạt động tương đối lớn nó có thể dùng trong việc lấy sản phẩm hay cấp phôi cho các máy gia công tự động. Tháng đầu tiên: Tìm tài liệu, nghiên cứu cái mới và kết hợp những gì đã được học ở trường.

LẬP PHƯƠNG TRÌNH ĐỘNG HỌC CHO CƠ HỆ

  • LÝ THUYẾT MỞ ĐẦU
    • BIẾN ĐỔI TỌA ĐỘ
      • CÁC THÔNG SỐ ĐẶC TRƯNG CỦA TAY MÁY
        • PHƯƠNG TRÌNH ĐỘNG HỌC CỦA TAY MÁY (RRR)

          Khi xem xét, nghiên cứu mối quan hệ giữa robot và vật thể ta không những cần quan tâm đến vị trí (Position) tuyệt đối của điểm, đường, mặt của vật thể so với điểm tác động cuối (End effector) của robot mà còn cần quan tâm đến vấn đề định hướng (Orientation) của khâu chấp hành cuối khi vận động hoặc định vị tại một vị trí. Qua trên ta thấy có thể mô tả mối quan hệ giữa hệ tọa độ gắn trên điểm tác động cuối của hệ toạ độ cơ bản thông qua mối quan hệ của các tọa độ trung gian gắn trên các khâu của Robot bắng các ma trận T.

          Hình 3.2. Phép quay Euler.
          Hình 3.2. Phép quay Euler.

          THIẾT KẾ PHẦN CƠ KHÍ VÀ TÍNH TOÁN SỨC BỀN CHI TIẾT MÁY

          GIỚI THIỆU VỀ VIỆC THIẾT KẾ TAY MÁY

            Tất cả các mạch đảo phải được điều khiển bên ngoài bởi bộ điều khiển, và đặc biệt, các động cơ và bộ điều khiển được thiết kế để động cơ có thể giữ nguyên bất kỳ vị trí cố định nào cũng như là quay đến bất kỳ vị trí nào. Hầu hết các động cơ bước có thể chuyển động ở tần số âm thanh, cho phép chúng quay khá nhanh, và với một bộ điều khiển thích hợp, chúng có thể khởi động và dừng lại dễ dàng ở các vị trí bất kỳ. Động cơ bước có thể được dùng trong hệ thống điều khiển vòng hở đơn giản, những hệ thống này đảm bảo cho hệ thống điều khiển gia tốc với tải trọng tĩnh, nhưng khi tải trọng thay đổi hoặc điều khiển ở gia tốc lớn, người ta vẫn dùng hệ điều khiển vòng kín với động cơ bước.

            Động cơ nam châm vĩnh cửu dường như có các nấc khi bạn dùng tay xoay nhẹ rotor của chúng, trong khi động cơ biến từ trở thì dường như xoay tự do (mặc dù cảm thấy chúng cũng có những nấc nhẹ bởi sự giảm từ tính trong rotor). Với một bộ điều khiển, hầu hết các loại động cơ nam châm vĩnh cửu và hỗn hợp đều có thể chạy ở chế độ nửa bước, và một vài bộ điều khiển có thể điều khiển các phân bước nhỏ hơn hay còn gọi là vi bước. Động cơ nam châm vĩnh cửu hoặc hỗn hợp hai cực có cấu trúc cơ khí giống y như động cơ đơn cực, nhưng hai mấu của động cơ được nối đơn giản hơn, không có đầu trung tâm.

            NGUYÊN LÝ, CƠ CẤU TRUYỀN ĐỘNG CỦA TAY MÁY

              Phạm vi hoạt động của tay máy là hình trụ rỗng có vùng giới hạn trong là 100 (mm). Do động cơ bước có mô men nhở nên để tăng mô men lên chúng em sử dụng hộp giảm tốc với tỷ số truyền 1/40. Sử dụng bộ truyền đai răng kết hợp hộp giảm tốc có sẵn trong động cơ.

              Cơ cấu kẹp sử dụng vít me kéo dây dùng để kẹp chi tiết , điều khiển bằng động cơ DC. Động cơ 1 nối với bộ truyền vít me keo dây kết hợp lò xò ở tay kẹp để kẹp vật. Riêng trên khớp 2 này thì thì ổ lăn chịu tác dụng cục bộ của phần tay máy, nên ta sẽ chọn mối lắp có độ hở để dưới tác dụng của va đập và chấn động thì làm cho vòng ổ lăn bị xê dich, miền chịu lực của ông lăn sẽ đều hơn, làm cho ổ sẽ mòn đều hơn.

              Hình 4.7 .Mô hình đế của rô bốt
              Hình 4.7 .Mô hình đế của rô bốt

              THIẾT KẾ CÁC MODUL ĐIỆN ĐIỀU KHIỂN

              GIỚI THIỆU VI ĐIỀU KHIỂN

                Bộ vi điều khiển viết tắt là Micro-controller, là mạch tích hợp trên một chip có thể lập trình được, dùng để điều khiển hoạt động của một hệ thống, theo chương trình điều khiển đã nạp sẵn bên trong chip. Nghĩa là ngoài chức năng cổng I/O, mỗi chân có công dụng kép này có thể là một đường điều khiển của Bus địa chỉ hay Bus dữ liệu hoặc là mỗi chân hoạt động một cách độc lập để giao tiếp với các thiết đơn bit như là công tắc, LED, transistor…. Nó là tín hiệu điều khiển để cho phép truy xuất bộ nhớ chương trình mở rộng và thường được nối đến chân OE (Output Enable) của một EPROM để cho phép đọc các byte mã lệnh của chương trình.

                Như đã nói ở trên, cả chương trình và dữ liệu có thể ở bên trong 8051, dù vậy chúng có thể được mở rộng bằng các thành phần ngoài lên đến tối đa 64 Kbytes bộ nhớ chương trình và 64 Kbytes bộ nhớ dữ liệu. Lệnh đầu dùng địa chỉ tức thời để di chuyển giá trị 5FH vào thanh ghi R0 và lệnh thứ hai dùng địa gián tiếp để di chuyển dữ liệu “được trỏ bởi R0” vào thanh ghi tích lũy. Lệnh đầu tiên dùng địa chỉ tức thời để tải dữ liệu 55H vào thanh ghi tích lũy, lệnh thứ hai cũng dùng địa chỉ tức thời, lần này để tải dữ liệu 16 bit 1000H vào con trỏ dữ liệu.

                Mỗi nguồn ngắt được lập trình riêng vào một trong hai mức ưu tiên qua thanh ghi chức năng đặc biệt được địa chỉ bit IP (Interrupt Priority : ưu tiên ngắt) ở địa chỉ B8H. Nếu ngắt ngoài được tác động theo mức thì nguồn bên ngoài phải giữ tín hiệu yêu cầu tác động cho đến khi ngắt được yêu cầu được thật sự tạo ra và không tác động yêu cầu ngắt trước khi ISR được hoàn tất.

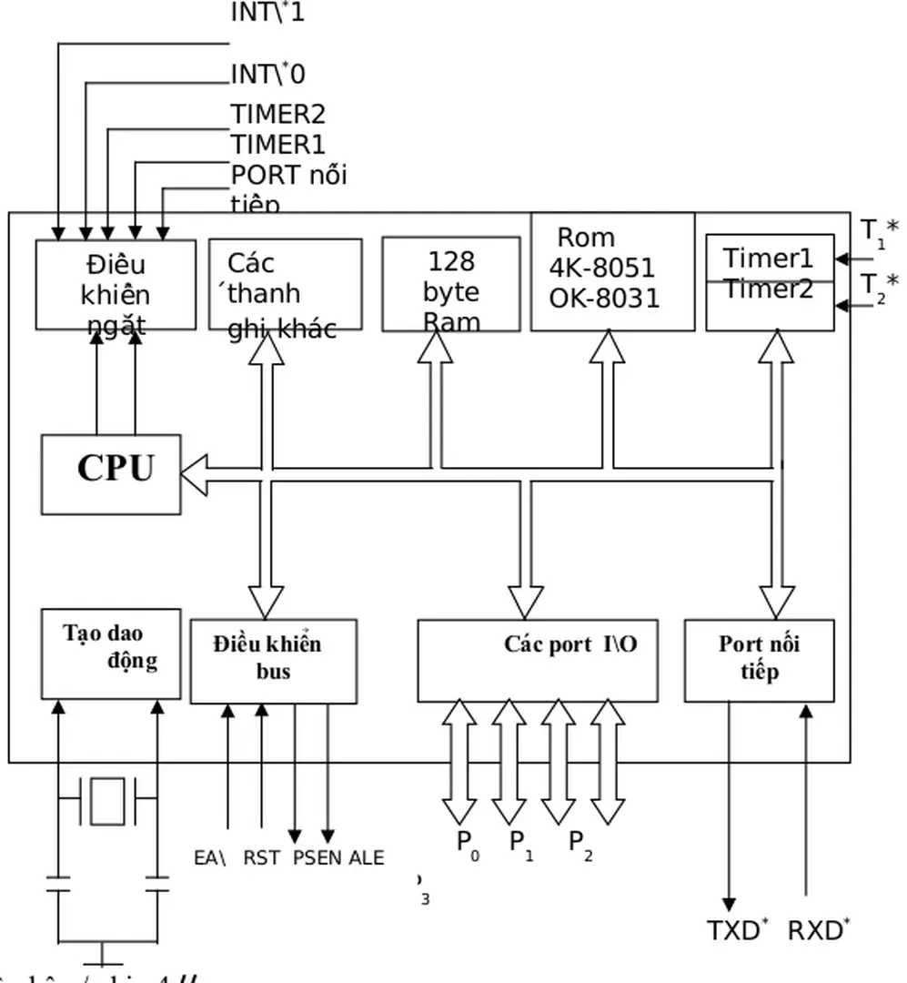
                Hình 5.1. Cấu trúc bên trong của họ 8051
                Hình 5.1. Cấu trúc bên trong của họ 8051

                THIẾT KẾ PHẦN ĐIỆN TỬ ĐIỀU KHIỂN TAY MÁY

                  Chúng ta để ý ở trên có điện áp lấy ra là 12VDC lấy ra từ đầu vào của bình Ac qui, với lý do là để có thể đủ dòng cung cấp cho mạnh công suất điều khiển động cơ hoạt động thì nó phải lấy ra trực tiếp ở ngỏ vào, không thể lấy ra ở ngỏ ra con IC LM7809 bởi vì áp lúc này đã là 9VDC, dòng chỉ còn lại vài mmA, chúng ta phải chú ý đến điều này khi thiết kế mạch. Tụ 104 có tác dụng củng không kém phần quan trọng đó là: Một tính chất mà chúng ta hầu như ai củng biết đó là tụ điện giấy không cho dòng điện một chiều chạy qua, đây là một yếu tố đặc trưng của tụ điện kiểu này, nó sẽ có công dụng là ngăn chặn nhiễu gây ra từ bên ngoài( ví dụ như các xung gây ra bởi động cơ điện, các tín hiệu âm thanh bên ngoài ). Làm thoát nhiễu là một yếu tố rất quan trọng bởi vì ta biết các họ vi điều khiển sẽ dễ dàng bị tác động bởi nhiễu làm cho các chức năng điều khiển hoạt động không đúng nữa, vì vậy làm cho cơ hệ hoạt động kém ổn định, có nhiều cách để triệt được nhiễu nhưng một trong các biện pháp rẽ tiền và có hiệu quả với các ứng dụng nhỏ.

                  Một yếu tố củng không kém phần quan trọng đó là tín hiệu: Một mạch điều khiển không thể coi là đầy dủ khi người sử dụng không biết được là ở đâu có tín hiệu, ở đau không có tín hiệu điều này là một đặc điểm để nhận dạng, khi người thiết kế phải truy tìm bệnh khi mạch điện có vấn đề nó sẽ làm cho công việc giải quết các sự cố được nhanh chóng hơn, mà đôi khi chỉ cần một tín hiệu của led là ta đã có thể bắt bệnh được rồi. Nếu đo điện áp ở ngỏ ra của LM89C51 với đất mà có điện thì chuyển sang phương án tiếp theo là: ta thử cắt nguồn điện, sau đó để đồng hồ ở thang đo điện trở rồi kiểm tra xem con led mà ta gắn vào mạch đã đúng cực chưa, nếu kiểm tra trên vẫn đúng thì ta chuyển sang phương án kiểm tra tiếp theo đó là xem mạch của mình có bị đức chổ nào không bằng cách sử dụng đồng hồ đo, nếu phương án kiêm tra trên vẫn chưa thu được kết quả gì thì ta tiếp tục kiểm tra bằng cách thử đo điện trở ở các mối hàn, để dạt được yêu cầu thì điện trở các mối hàn nối với GND phải nhỏ và dính chắt. Trong nhiều trường hợp, chúng ta phải thiết kế bộ điều khiển, có thể là một máy tính hoặc một mạch điều khiển giao tiếp lập trình được, với phần mềm trực tiếp phát tín hiệu điều khiển đóng mở, nhưng trong một số trường hợp khác mạch điều khiển được thiết kế kèm theo động cơ, và đôi khi được cho miễn phí.

                  Hình 5.16. Cách thức bảo vệ cho IC ổn áp.
                  Hình 5.16. Cách thức bảo vệ cho IC ổn áp.

                  TRÌNH ĐIỀU KHIỂN ROBOT

                  Để hạn chế port cho vi điều khiển chúng em dùng ic giải mã 74151 để dùng cho công tắc hành trình và mạch bàn phím.