Quy trình Sản xuất Bia tại Công ty Cổ phần HABADA

MỤC LỤC

Nhu cầu dầu FO

Dầu FO là nghiên liệu chính để đốt lò hơi cung cấp hơi nước cho quá trình sản xuất.

CÔNG NGHỆ SẢN XUẤT BIA

Sơ đồ công nghệ sản xuất bia tại công ty cổ phần HABADA 1. Nguyên vật liệu để sản xuất bia

    Gạo và malt trước khi đưa vào sản xuất thì phải được kiểm tra để tránh hiện tượng như malt có tỷ lệ nảy mầm kém (nếu malt đã nảy mầm thì hạt thóc malt sẽ xốp do các chất trong malt là nguồn dinh dưỡng cho quá trình nảy mầm của hạt vì vậy làm cho cấu trúc của hạt bị thay đổi. Nếu ít hạt xốp thì chất lượng nảy mầm của malt kém), gạo cần xem xem có bị mốc hay không, các chi tiêu khác có đạt hay không. Dùng chế phẩm enzyme amylase cho quá trình dịch hóa và đường hóa, các chế phẩm này đẩy nhanh các quá trình lên men bia và độ chín sinh học của bia như enzyme Malturex, enzyme Termamyl, Cereflo….

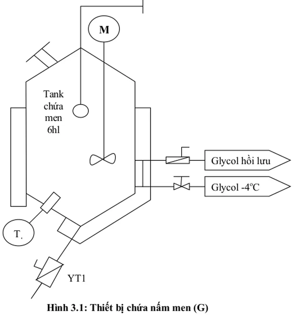
    Hình 3.1: Thiết bị chứa nấm men (G)
    Hình 3.1: Thiết bị chứa nấm men (G)

    Thuyết minh quy trình 1. Quy trình nấu

    • Công nghệ lên men và giữ men 1. Thông số cho quá trình lên men

      Sau đó bơm hỗn hợp cháo từ nồi cháo sang nồi hèm để trộn hỗn hợp đã có trong nồi hèm, hỗn hợp chung trong nồi hèm có nhiệt độ 67oC, và quá trình đường hóa được bắt đầu, quá trình đường hóa diễn ra trong 60 phút. Hỗn hợp này được bơm qua nồi hèm tới thùng lọc và rồi vào nồi lắng, trước khi bơm sang các thùng thì hỗn hợp này được đun sôi ít nhất là 30 phút ở mỗi thùng (nồi cháo và nồi hèm), những thùng không thể đun sôi được thì hỗn hợp này phải được ngâm trong thùng ít nhất 2h (thùng lọc và nồi lắng), phải bỏ thêm xút vào sau bơm để tất cả các nồi có thể đầy lượng xút thêm vào nồi hèm là 10 kg NaOH tinh thể với lượng nước thêm là 5000 l. Loại Ca2+ này rất quan trọng nó làm ổn định các phản ứng phân tích làm lắng đọng chất phosphat và có thể ổn định pH trong hèm, tạo điều kiện để lắng đọng men và lắng cặn bia CaCO3 trước khi chiết chai, tránh được bia trào ra ngoài.

      Để tưng sự khuếch tán của các chất cần thiết còn sót lại vào dung dịch, lớp bã cần phải xáo trộn cho xốp và dùng nước nóng khoảng ở 76oC để rửa, không dùng nước nóng có nhiệt độ quá cao vì sẽ làm bất hoạt enzyme amylase và bột còn sót lại được hồ hóa nhưng chưa đường hóa kết quả làm cho dịch lên men bị đục. Hèm được sục khí trước khi cho men vào, để lượng O2 khoảng 8 ppm/l hèm bằng cách thêm không khí vô trùng vào 40l/h, lạnh nhanh được khống chế và điều khiển van tiết lưu bằng tay, nhiệt độ của hèm lạnh được khống chế bởi bộ phận PI, dùng tay điều chỉnh bộ phận sục và tỷ lệ không khí vào bao nhiêu thì xem bộ phận đo dòng. Còn nhiệt độ do trong quá trình lên men nó còn thải ra 1 lượng nhiệt, làm cho nhiệt độ trong các tank lên nhưng ở các tank có các áo lạnh để điều chỉnh nhiệt độ, giữ nhiệt độ trong tank không đổi, tác nhân làm lạnh đó là glycol.

      Hình 3.3: Sơ đồ thiết bị nấu nguyên liệu 3. Biểu đồ nấu bia
      Hình 3.3: Sơ đồ thiết bị nấu nguyên liệu 3. Biểu đồ nấu bia

      C – COOH

      • Lọc bia
        • Ưu và nhược điểm trong quy trình sản xuất tại công ty HABADA

          CO2 ở các tank lên men được thu hồi bằng cách cho chúng đi qua một bình gọi là bình bãy bọt, và sau đó CO2 được rửa bằng nước sạch trong ống có hình trụ thẳng đứng, bằng cách cho khí CO2 đi lên trên còn nước sạch đi từ trên xuống dưới, ở đây các cặn bẩn sẽ được giữ lại bởi lượng nước xuống còn CO2 thoát ra và đi qua máy nén cấp 1, rồi máy nén cấp 2. -Sự hình thành CO2 và việc bay hơi của nó qua bia nên một phần các hợp chất có thể bay hơi sẽ được đẩy ra ngoài theo phương pháp khuếch tán, đặc biệt là các hợp chất như (aldehyt và ceton) và các hợp chất có chứa lưu huỳnh như metacaptan và hydrosulfit. Sau khi hết giai đoạn lên men, bia được bơm từ các tank lên men qua bơm, bảng dòng, qua hệ thống ống cứng và ống cao su mềm tới máy lọc, qua đất lọc, qua túi lọc và sau đó được bơm vào tank chứa bia trong để giữ trước khi đóng chai.

          Đất lọc dùng để tạo màng sơ bộ giai đoạn 1 và 2 là hỗn hợp đặc được tạo ra trong thùng chứa đất lọc của bơm định hướng bằng cách pha 1 phần đất lọc với 6 phần nước, máy lọc được tạo màng sơ bộ với tỷ lệ dòng khoảng 60 hl/giờ và bơm định lượng mở với tốc độ cao và sẽ tạo màng được 100 – 1200 g/m2 diện tích lọc. - Việc lọc thông thường dừng lại sao 6 – 7 giờ khi áp suất đã quá 6 bar hoặc tổng số đất lọc (cả tạo màng sơ bộ và màng chính) bơm vào trong máy lọc đã cao hơn 90 kg, khi lượng đất lọc bơm vào khoảng 90 kg thì việc dừng lại là quan trọng nếu không máy lọc sẽ bị hỏng. Túi lọc được lắp vào trong đường lọc sau lọc đất với mục đích là giữ lại đất lọc trong bia những phụ phẩm không hòa tan hoặc bọt bị vỡ có thể lọc qua màng lọc của đất lọc và ngoài ra tạo điều kiện để chống tắc trên đường bơm đến tank bia trong.

          Nguyên tắc chung: Điều quan trọng là trước khi thay giấy lọc và túi lọc thì phải vệ sinh xút nóng để vệ sinh máy lọc và túi lọc, khi thay giấy lọc và túi lọc thí giấy mới và túi lọc mới phải được tưới nước làm mềm lại trước khi lắp vào máy lọc. Trong quá trình sản xuất nếu thời gian mất điện quá lâu hay đột xuất thì chưa có cách giải quyết cho các thiết bị lạnh, đặc biệt là các tank lên men, mất điện thì nhiệt độ sẽ lên cao ảnh hưởng tới sự phát triển của nấm men.

          Hình 3.7: Sơ đồ quá trình rửa chai
          Hình 3.7: Sơ đồ quá trình rửa chai

          CÔNG NGHỆ XỬ LÝ MÔI TRƯỜNG CÔNG TY HABADA IV.1. Các chất thải trong quá trình sản xuất bia

          Những tác động và biện pháp giải quyết các loại chất thải

          • Tác động do chất thải rắn

            Các loại khí phát sinh trong dây chuyền sản xuất: khí CO2 sinh ra trong quá trình lên men chính; khí NH3, glycol có thể sinh ra khi hệ thống làm lạnh bị rò rỉ. - Quá trình phân hủy các chất hữu cơ và tảo sẽ làm giảm nồng độ O2 hòa tan trong nước, vì vậy hạn chế sự phát triển của các sinh vật thủy sinh. Song vẫn rất khó để đánh giá được mưc độ ô nhiễm do nhà máy phát sinh vì các ao, hồ, sông này cũng là nơi tiếp nhận nước thải từ một lượng lớn dân cư trong thành phố cùng các ngành dịch vụ khác….

            Công đoạn này có vai trò rất quan trọng, quyết định hiệu quả xử lý vì sau khi lắng hàm lượng chất rắn lơ lửng trong nước giảm đi 80%, nồng độ BOD và COD giảm đi khoảng 50 – 60%. Quá trình sục khí không chỉ nhằm mục đích cấp đủ oxy chó quá trình oxy hóa mà còn có tác dụng duy trì các hạt bùn hoạt tính ở trạng thái lơ lửng để tiếp xúc nhiều nhất với các chất ô nhiễm hữu cơ, tạo điều kiện thuận lợi cho phản ứng oxy hóa. Thao tác này quyết định hiệu quả xử lý là: khống chế được lượng bùn đưa vào bể để đảm bảo quá trình phân hủy diễn ra thuận lợi, không bị quá tải.

            Hình 4.3: KHU XỬ LÝ NƯỚC THẢI NHÀ MÁY BIA HABADA
            Hình 4.3: KHU XỬ LÝ NƯỚC THẢI NHÀ MÁY BIA HABADA

            NGHIÊN CỨU MỘT SỐ YẾU TỐ ẢNH HƯỞNG TỚI HIỆU SUẤT THU HỒI (η%): tỷ lệ malt/gạo, tỷ lệ enzyme trong quá trình nấu

            Phương pháp nghiên cứu

            • Bố trí thí nghiệm
              • Kết quả nghiên cứu và thảo luận

                Gạo đã được nghiền và malt lót được cho vào nồi cháo ở 50oC, sau đó đến quá trình gia nhiệt nồi cháo lên 90oC trong 35 phút và giữ ở 90oC trong 10 phút nhằm cho sự hoạt động của enzyme α - amylase để quá trình dịch hóa được diễn ra, làm cho loãng dung dịch trong nồi cháo tạo điều kiện cho việc đun sôi ở 100oC. Sau đó nồi cháo được đổ vào nồi malt đang ở 45oC được nồi hèm, dung dịch trong nồi hèm có nhiệt độ là 67oC, quá trình chuyển này diễn ra trong 5 phút và tiến hành quá trình đường hóa trong 60 phút, rồi gia nhiệt lên 76oC và giữ ở nhiệt độ này trong 10 phút và sau đó chuyển toàn bộ dịch trong nồi hèm sang nồi lọc. Sau đó cho vào lắng xoáy trong 15 phút, rồi nghỉ khoảng 20 phút cho nhiệt độ trong nồi lắng giảm xuống 90oC, và thực hiện quá trình lạnh nhanh trong 60 phút xuống 15oC, rồi dịch lạnh nhanh này được bơm sang các tank lên men để thực hiện quá trình lên men chính.

                Như ở tỷ lệ M/G = 40/60 có hiệu suất thu hồi là thấp nhất và, tỷ lệ M/G = 54/46 và tỷ lệ M/G = 50/50 cũng vậy có hiệu suất thu hồi thấp hơn 90%, tuy lượng malt giảm, gạo thay thế nhiều có thể làm giảm giá thành sản phẩm đầu ra nhưng chất lượng bia sẽ không được tốt và nó còn ảnh hường tới quá trình lọc, làm cho việc lọc dịch ban đầu chậm lại, mặt khác có thể làm rách màng do lượng malt quá ít (vì khi cho malt vào thì có cả vỏ cuat malt, vỏ này có tách dụng tạo màng cho quá trình lọc, giúp quá trình lọc được tốt hơn). Mặt khác, sản phẩm công ty sản xuất ra thường bán chủ yếu là ở trong nội tỉnh và một số tỉnh lân cận, mà tỉnh Bắc Giang là một tỉnh chủ yếu là miền núi, thu nhập của nhân dân chưa cao nên bia với giá thành thấp sẽ là phù hợp hơn với thu nhập của nhân dân hiện nay. Điều này rất dễ hiểu vì nếu ta tăng lượng enzyme vào thì làm rút ngắn quá trình nấu cũng như quá trình đường hóa giảm, bình thường quá trình đường hóa trong khấu nấu diễn ra khoảng trong 1 giờ, nay tăng hàm lượng enzyme làm cho quá trình đường hóa giảm xuống khoảng từ 45 -50 phút.

                Bảng 5.1: Kết quả sau khi xác định hiệu suất thu hồi.
                Bảng 5.1: Kết quả sau khi xác định hiệu suất thu hồi.