Thiết kế mạch ổn áp Máy phát điện vừa và nhỏ: Yêu cầu hệ thống kích từ

MỤC LỤC

Sơ đồ tự động điều chỉnh điện áp máy phát điện

Yêu cầu chung đối với một hệ thống kích từ

    Khả năng của máy phát ở đây là các giới hạn của một số yếu tố như: cách điện dây quấn rô-to khi điện áp tăng cao, độ tăng nhiệt độ rô-to do dòng điện từ trường tăng cao, độ tăng nhiệt độ của stator do dòng tải tăng ở dây quấn phần ứng; độ tăng nhiệt các đầu búi dây ở chế độ thiếu kích thích và quá điện áp hoặc quá tần số. Để đảm bảo sử dụng tối ưu hệ thống kích từ, hệ thống kích từ phải có khả năng đáp ứng các yêu cầu của hệ thống bằng cách tận dụng triệt để các khả năng ngắn hạn của máy phát sao cho không vượt quá các giới hạn. Nó phải có khả năng đáp ứng nhanh đối với những biến động của hệ thống để nâng cao độ ổn định quá độ và tác động nhanh đối với từ trường nhằm tăng cường tính ổn định tín hiệu nhỏ (ổn định tĩnh) của hệ thống.

    Trong những năm 1920 khi vai trò của các bộ ổn áp tác động nhanh đối với độ ổn định quá độ và độ ổn định tĩnh của hệ thống điện được phát hiện, người ta càng quan tâm hơn nhiều đến khả năng của hệ thống kích từ và các máy kích từ (excitor) cùng với các bộ ổn định điện áp (voltage. SV: TBĐ Trg. regulator) đáp ứng nhanh đã sớm được đưa vào ứng dụng cho các hệ thống điện. Trong những năm 1960 hệ thống kích từ đã được mở rộng bằng việc sử dụng các tín hiệu ổn định phụ, ngoài các tín hiệu về sai lệch điện áp đầu ra, để điều khiển điện áp từ trường nhằm loại bỏ các dao động của hệ thống.

    Các phương pháp Tự động Điều chỉnh Kích từ

    SV: TBĐ Trg. regulator) đáp ứng nhanh đã sớm được đưa vào ứng dụng cho các hệ thống điện. Hệ thống kích từ theo đó đã có các bước tiến hoá liên tục. Trong những năm 1960 hệ thống kích từ đã được mở rộng bằng việc sử dụng các tín hiệu ổn định phụ, ngoài các tín hiệu về sai lệch điện áp đầu ra, để điều khiển điện áp từ trường nhằm loại bỏ các dao động của hệ thống. Người ta coi việc điều khiển kích từ này như là bộ ổn định hệ thống điện. Trên thực tế ngày nay các hệ thống kích từ hiện đại có khả năng đáp ứng đồng thời đối với các điện áp ngưỡng cao. Việc phối hợp về năng lực áp đặt từ trường cao cùng với việc sử dụng các tín hiệu ổn định phụ sẽ đóng góp lớn cho việc nâng cao ổn định động trong vận hành hệ hệ thống điện. SV: TBĐ Trg. làm việc là thiết bị tự động điều chỉnh kích từ. Đặc tính của hệ thống kích từ và cấu trúc thiết bị điều chỉnh kích từ có ý nghĩa quyết định không những đối với chất lượng điều chỉnh điện áp mà còn đến tính ổn định hệ thống. Ta xét đặc tính một số loại kích từ chính. Trong thực tế người ta có 4 phương pháp để điều chỉnh dòng kích từ một cách tự động đó là các phương pháp sau:. Hệ thống kích từ dùng máy phát điện một chiều. Hệ thống kích từ dùng các máy phát điện xoay chiều có vành góp. Hệ thống kích từ dùng các máy phát điện xoay chiều không vành góp. Hệ thống kích từ xoay chiều dùng nguồn chỉnh lưu có điều khiển. 1) Hệ thống kích từ dùng máy phát điện một chiều. Máy phát điện một chiều làm nhiệm vụ kích thích này (còn gọi là máy phát điện kích thích) có thể được kích thích độc lập hoặc song song cuộn dây kích thích của nó có thể chia làm nhiều cuộn dây cùng làm việc. Nhược điểm chủ yếu của hệ thống kích từ dùng máy phát điện một chiều là bị giới hạn bởi công suất nhỏ (hạn chế làm việc bởi tia lửa phát sinh trên vành đổi chiều) và có hằng số quán tính điều chỉnh lớn (Te = 0,3 – 0,5s). 2) Hệ thống kích từ dùng máy phát điện xoay chiều tần số cao chỉnh lưu.

    Để cung cấp dòng điện một chiều của máy phát kích thích (đặt ở stato) mà nguồn cung cấp của nó có thể là nguồn một chiều bằng Ac-qui hoặc một nguồn xoay chiều khác bất kỳ thông qua chỉnh lưu có hoặc không có điều khiển. Như vậy hoàn toàn không có vành trượt đưa điện vào roto công xuất chế tạo không bị hạn chế, ngoài ra do nối trực tiếp hằng số thời gian cũng giảm đi đáng kể (0,1 – 0,15s). 4) Hệ thống kích từ xoay chiều dùng nguồn chỉnh lưu có điều khiển.

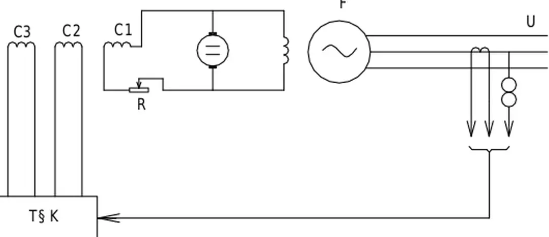
    Hình 2.1 - Hệ thống kích từ dùng máy phát một chiều.
    Hình 2.1 - Hệ thống kích từ dùng máy phát một chiều.

    Thiết kế và tính toán mạch động lực

    Chỉnh lưu cầu ba pha điều khiển đối xứng

    Với nhóm Cathode chung, T1 có thế Anode dương cao nhất nên nếu có xung mở (góc mở ) thì T1 sẽ thông, dẫn tới thế Cathode của T3 và T5 cao hơn thế Anode của chúng và các Thyristor T3 và T5 bị khoá do phân áp ngược. Với nhóm Cathode chung, T6 có thế âm thấp nhất nên nếu có xung mở (góc mở ) thì T6 sẽ thông, dẫn tới thế Anode của T2 và T4 cao hơn thế Cathode của chúng và các Thyristor T2 và T4 bị khoá do phân áp ngược. Với nhóm Anode chung, T2 bây giờ có thế Cathode âm thấp nhất nên nếu có xung mở thì T2 sẽ thông và khi T2 thông sẽ đặt điện thế Vc âm thấp nhất vào Anode chung, dẫn đến T6 đang thông trước đó bị phân áp ngược và khoá lại.

    Với nhóm Cathode chung, T3 vẫn có thế Anode dương cao nhất nên nếu có xung mở thì sẽ thông và khi thông sẽ đặt điện thế Vb dương cao nhất vào Cathode chung, dẫn đến T1 đang thông trước đó bị phân áp ngược và bị khoá lại ngay (T5 vẫn khoá). Đó là hiệu các giá trị tức thời giữa suất điện động của pha dương nhất và suất điện động của pha âm nhất hay nói cách khác là khoảng cách thẳng đứng giữa hai đường bao trên cùng và dưới cùng của các suất điện động xoay chiều ba pha.

    Chỉnh lưu cầu ba pha điều khiển không đối xứng

      Sau khi phân tích và đánh giá về các phương pháp chỉnh lưu có điều khiển ba pha, từ các ưu nhược điểm của các sơ đồ, Với tải là mạch kích từ của máy phát điện Diezel thì sơ đồ chỉnh lưu tia ba pha có điều khiển là hợp lý hơn cả bởi lẽ công suất của mạch kích từ không lớn lắm. Với các tính toán đã được trình bày ở các phần trên, thì máy biến áp động lực được chọn dùng trong đồ án này là biến áp 3 pha, 3 trụ với các tính toán được trình bày dưới đây. Lừi thộp biến ỏp - cỏc kớch thước cơ bản của mạch từ Do Biến áp có công suất nhỏ, nên chọn trụ hình chữ nhật, với các kích thước QFe = a.

      Sự biến thiên nhanh chóng của dòng điện ngược gây ra sức điện động cảm ứng rất lớn trong các điên cảm làm cho quá điện áp giữa Anod và Catod của van. Khi có mạch R – C mắc song song với van tạo ra mạch vòng phóng điện tích trong quá trình chuyển mạch nên các van không bị quá điện áp.

      Hình 3.4 - Chỉnh lưu cầu ba pha  điều khiển không đối xứng  a- sơ đồ động lực, b- giản đồ các đường cong, U d - điện áp tải khi
      Hình 3.4 - Chỉnh lưu cầu ba pha điều khiển không đối xứng a- sơ đồ động lực, b- giản đồ các đường cong, U d - điện áp tải khi

      C hương 4 - Tính toán các thông số của mạch điều khiển

      Trong thực tế người ta thường dùng hai nguyên tắc điều khiển: thẳng đứng tuyến tính và thẳng đứng “arccos” để thực hiện việc điều chỉnh vị trí xung trong nửa chu kỳ dương của điện áp đặt trên Thyristor. Ta thấy rằng với loại Tiristor đã chọn có công suất điều khiển khá bé : Uđk = 3 (V) : Iđk = 0,11 (A) nên dòng Colecto – Bazơ của Tranzito Ir3 khá bé, trong trường hợp này ta có thể không cần Tranzito Ir2 mà vẫn có đủ công suất điều khiển Tranzito. Hệ thống máy phát kích từ lựa chọn là một hệ thống không dùng chổi than vành trượt và như đã được mô tả ở Chương 2, đây là một hệ thống đơn giản hơn về chế tạo so với các hệ thống máy phát kích từ khác.

      Nổi bật nhất là Rô-to máy phát chính và phần ứng (Stator) của máy phát kích từ được chế tạo trên cùng một trục và quay theo tốc độ của động cơ kéo Diesel và dòng áp kích từ cảm ứng ra trong máy phát kích thích được đưa ngay vào cuộn kích từ của máy phát thông qua bộ chỉnh lưu Diot gắn trên cùng trục Rôto. Để cung cấp dòng điện một chiều vào máy phát kích thích (đặt ở stato), nguồn cung cấp của nó có thể dùng nguồn điện một chiều bằng Ac-qui hoặc một nguồn xoay chiều khác bất kỳ thông qua chỉnh lưu có điều khiển và đây chính là nguồn chỉnh lưu có điều khiển mà đồ án được thiết kế và tính toán. Tác động của hệ thống tự động điều chỉnh kích từ được đặt trực tiếp vào cửa điều khiển của bộ chỉnh lưu, làm thay đổi dòng kích từ của máy phát điện kích thích, tương ứng với mục đích điều chỉnh điện áp phát ra của máy phát.

      Với công nghệ chế tạo van bán dẫn ngày càng hiện đại hơn cộng với sự hợp tác đắc lực của điện tử số, các hệ thống điều khiển kích từ ngày nay có chất lượng điều khiển rất cao và được điều khiển thông minh hơn.

      Hình 4.4 - Đường cong điện áp
      Hình 4.4 - Đường cong điện áp