Tính toán Thiết kế một số chi tiết máy trong đồ án Thiết Kế Máy

MỤC LỤC

Tính toán, thiết kế bộ truyền bánh răng

Tính toán, thiết kế bộ truyền bánh răng cấp nhanh – răng côn

    Chọn vật liệu nào là tùy thuộc vào yêu cầu cụ thể, tải trọng lớn hay nhỏ, khả năng công nghệ cũng như thiết bị chế tạo, vật tư cung cấp…đối với hộp giảm tốc côn – trụ 2 cấp chịu công suất trung bình (Ndc = 8,86 kW). Nhờ có độ cứng thấp nên khi gia công chế tạo bánh răng đạt được độ chính xác cao, đồng thời trong quá trình truyền động cặp bánh răng ăn khớp có khả năng chạy mòn tốt và không bị phá hủy giòn khi chịu tải trọng động. Chiều dài côn ngoài của bánh răng côn chủ động được xác định theo độ bền tiếp xúc.

    KHβ - Hệ số kể đến sự phân bố tải trọng không đều trên chiều rộng vành răng,. KHα – Hệ số kể đến tải trọng phân bố không tải trọng cho các đôi răng ăn khớp với nhau, và đây là bánh răng côn – răng thẳng nên KHα = 1. KHα – hệ số kể đến sự phân bố không đều tải trọng cho các đôi răng đồng thời ăn khớp, vì là bánh răng thẳng nên KHα = 1.

    0,85 – hệ số kinh nghiệm xét đến khả năng tải của bộ truyền bánh răng côn so với bộ truyền bánh răng trụ;. Vì vậy khi kiểm nghiệm răng về quá tải thì ta phải dựa vào ứng suất tiếp xúc cực đại (σHmax) và ứng suất uốn cực đại (σFmax).

    Bảng 1- Thông số và kích thước bộ truyền bánh răng côn.
    Bảng 1- Thông số và kích thước bộ truyền bánh răng côn.

    Tính toán thiết kế bộ truyền bánh răng trụ - nghiêng cấp chậm

      Ys – hệ số xét đến độ nhạy của vật liệu đối với tập trung ứng suất;. NHO – số chu kỳ thay đổi thay đổi ứng suất cơ sở khi thử về ứng suất tiếp xúc;. Nên ta lấy: NHE3 = NHO3 và NHE4 = NHO4 (đường cong mỏi là đường thẳng song song với trục hoành; tức là trên khoảng này giới hạn mỏi và giới hạn tiếp xúc không thay đổi).

      Để tránh hiện tượng biến dạng dư hay gãy dòn lớp bề mặt thì ứng suất tiếp xúc cực đại σHmax không được vượt quá một giá trị cho phép. Được dùng để liên kết các trục với nhau, làm nhiệm vụ truyền chuyển động giữa hai trục với nhau; nối các trục ngắn thành trục dài; có thể đóng mở các cơ cấu, ngăn ngừa quá tải, giảm tải trọng động,. Căn cứ vào công dụng thì khớp nối có thể phân thành 3 loại: nối trục,ly hợp và ly hợp tự động.

      Căn cứ vào công dụng của từng loại mà ta có thể chọn được một khớp nối trục tối ưu nhất; có thể là nối trục chặt, nối trục bù, nối trục di động và nối trục đàn hồi. Dùng để nối cứng các trục đồng tâm và không di chuyển tương đối với nhau. Ngoài momen xoắn chúng còn truyền momen uốn,tải trọng hướng tâm, tải trọng dọc trục.

      Nhưng loại này không bù trừ được các sai số chế tạo và lắp ghép, do đó cần định tâm chính xác các trục được nối. Loại này dùng đế nối các trục có sai lệch nhỏ về vị trí do biến dạng đàn hồi của các trục, do sai số chế tạo và lắp ghép. Tuy nhiên, khi sử dụng loại này thì ổ và trục phải chịu thêm tải trọng phụ do sự phân bố tải trọng không đều trong trục gây ra.

      Sử dụng loại này khi nối các trục có sai lệch lớn hơn sai lệch cho phép của nối trục bù. Sử dụng loại này ngoài khả năng bù trừ các sai lệch của trục nhờ biến dạng các chi tiết dàn hồi, vì thế mà nối trục đàn hồi có thể: giảm va đập và chấn động; đề phòng được cộng hưởng do dao động xoắn gây ra…. Bởi lẽ, khớp nối vòng đàn hồi vì loại này dễ chế tạo, thay thế dễ dàng, làm việc với độ tin cậy cao và được sử dụng rộng rãi.

      Xác định các thông số cơ bản

      Như vậy, căn cứ vào 4 phương án trên thì ta thấy phương án 4 là tối ưu nhất. Kiểm nghiệm điều kiện bền dập và điều kiện bền uốn của vòng đàn hồi.

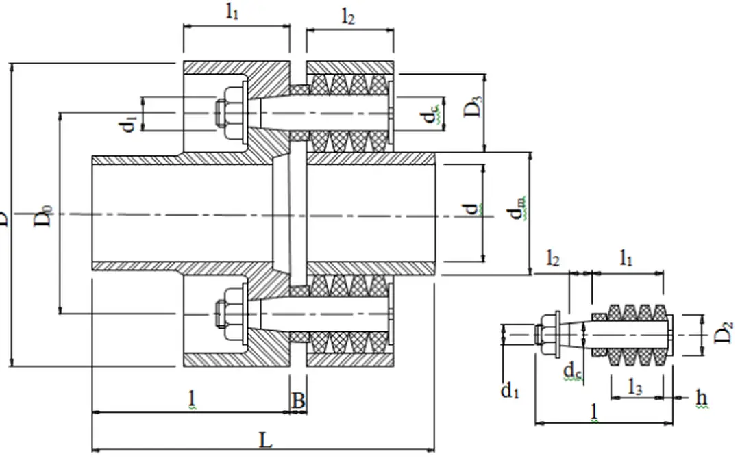
      Bảng 3-1. Các thông số kích thước của khớp nối vòng đàn hồi, mm.
      Bảng 3-1. Các thông số kích thước của khớp nối vòng đàn hồi, mm.

      Tính toán – thiết kế trục

      Xác định đường kính sơ bộ trục

      Phân tích lực tác dụng lên bộ truyền và chọn chiều nghiêng cho cặp bánh.

        3 0,1.[ ]Mtd

        Xác định các đường kính và chiều dài các đoạn trục II

        Dựa vào các kích thước mặt cắt trục đã chọn trên ta xác định được kết cấu trục như hình vẽ.

        Sơ đồ biểu thị các lực tác dụng Dựa vào sơ đồ trên, ta có:
        Sơ đồ biểu thị các lực tác dụng Dựa vào sơ đồ trên, ta có:

        Xác định các đường kính và chiều dài các đoạn trục III

        Khi dời các lực về tâm trục, thi giá trị momen uốn và momen xoắn do các lực Fa4 và Ft4.

        Tính cho mối lắp then

          Như ta đã biết, mối ghép then thường bị hang do dập bề mặt làm việc, do bị cắt hoặc do bị mòn. Ở trên ta xác định các đường kính trục là chưa xét đến các ảnh hưởng về độ bền mỏi của trục như đặt tính thay đổi chu kỳ ứng suất; yếu tố kích thước hay chất lượng bề mặt…Vì. Mu là mặt cắt nguy hiển nhất nên ta kiểm nghiệm cho mặt cắt tại C.

          Mu là mặt cắt nguy hiển nhất nên ta kiểm nghiệm cho mặt cắt tại C. Mu là mặt cắt nguy hiển nhất nên ta kiểm nghiệm cho mặt cắt tại B.

          Bảng 10.10 [1] ta có:
          Bảng 10.10 [1] ta có:

          Kiểm nghiệm trục về độ bền tĩnh

          Tương tự, dựa vào biểu đồ momen trục II, thì mặt cắt nguy hiểm xảy ra tại C. Tương tự, dựa vào biểu đồ momen trục III, thì mặt cắt nguy hiểm xảy ra tại B.

          Kiểm nghiệm trục về độ cứng vững

            Ưu việt của ổ lăn đó là: hệ số ma sát nhỏ; chăm sóc và bôi trơn đơn giản, ít tốn vật liệu bôi trơn; mức độ tiêu chuẩn và tính lắp lẫn cao; giá thành chế tạo thấp;.

              Tính ổ theo trục II

                Như vậy, ổ lăn đã chọn thỏa mãn khả năng tải trọng động và có các thông số như trên.

                  Vỏ hộp

                    Gối trục cần phải đảm bảo độ cứng vững để không ảnh hưởng đến sự làm việc của ổ. Để quá trình gia công mặt ngoài của tất cả các giá đỡ nằm trong cùng một mặt phẳng. Đường kính ngoài của kích thước nối trục theo đường kính nắp ổ và theo bảng 18.2 [4].

                    Một số chi tiết khác

                      Bởi lẽ, sau một thời gian làm việc thì dầu bôi trơn trong hộp bị bẩn do bụi và doa hạt mài, hoặc bị biến chất nên cần phải thay dầu mới. Để tháo dầu cũ, ở đáy hộp có lỗ tháo dầu và khi làm việc lỗ được bịt kín. Ống lót dùng để đỡ ổ lăn, tạo thuận lợi cho viêc lắp ghép và diều chỉnh bộ phận ổ, đồng thời che kín ổ tránh sự xâm nhập của bụi bặm, chất bẩn…ống lót làm bằng GX 15 – 32.

                      Để giảm mất mát công suất vì ma sát, giảm mài mòn răng, đảm bảo thoát nhiệt tốt và đề phòng các tiết máy bị gỉ. Do vậy, cần phải bôi trơn lien tục các bộ truyền trong hộp giảm tốc.

                      Hình dạng và kích thước nút thông hơi như sau:
                      Hình dạng và kích thước nút thông hơi như sau:

                      Bôi trơn ổ lăn

                      Thứ tự Tên mối ghép Kiểu lắp Sai lệch giới hạn của lỗ và trục. Mối ghép giữa bánh răng và trục không được tháo lắp thường xuyên, khả năng định tâm đảm bảo, không có khả năng di chuyển dọc trục nên ta dùng kiểu lắp H7/n6 và H7/k6. Còn đối với mối ghép bạc và trục yêu cầu không đồng tâm cao nên ta dùng kiểu lắp H8/h8.

                      Còn mối ghép giữa ổ và trục thì lắp theo hệ thống lỗ ta chọn kiểu lắp k6, còn mối ghép giữa ổ và lỗ hộp thì ta dùng kiểu lắp H7.