Thiết kế hệ thống điện trong nhà máy nhiệt điện: Tính toán phụ tải và lựa chọn phương án nối dây

MỤC LỤC

THIẾT KẾ PHẦN ĐIỆN TRONG NHÀ MÁY NHIỆT ĐIỆN

TÍNH TOÁN PHỤ TẢI, CHỌN PHƯƠNG ÁN NỐI DÂY

Việc nắm được quy luật biến đổi này tức là tìm được đồ thị phụ tải là điều rất quan trọng đối với việc thiết kế và vận hành. Trong phần này, đồ thị phụ tải các cấp điện áp được tính toán nhằm xác định các thông số cho việc thiết kế nhà máy điện. Dựa vào đồ thị phụ tải cho phép chọn đúng công suất các máy biến áp và phân bố tối ưu công suất giữa các tổ máy phát điện trong cùng một nhà máy và phân bố công suất giữa các nhà máy điện với nhau.

0.4-lượng phụ tải tự dùng không phụ thuộc công suất phát 0.6-lượng phụ tải tự dùng phụ thuộc công suất phát. Phụ tải về hệ thống chiếm phần lớn công suất nhà máy do đó việc đảm bảo cung cấp điện cho phụ tải này là rất quan trọng. + Phần công suất luôn thừa bên trung (vì tổng công suất các bộ bên trung luôn lớn hơn phụ tải cực đại bên trung) nên công suất luôn phải qua 2 lần biến áp làm tổn thất trong các MBA tăng lên.

Tuy nhiên, MBA tự ngẫu khuyến khích truyền công suất từ phía trung lên cao nên tổn thất trong MBA không tăng nhiều. + Vì công suất bộ bên trung luôn bé hơn phụ tải cực tiểu bên trung nên đây là trường hợp công suất truyền tải từ hạ lên cao và trung áp => công suất không bị truyền qua 2 lần MBA như phương án 1.

Đồ thị phụ tải của toàn nhà máy
Đồ thị phụ tải của toàn nhà máy

CHƯƠNG II. TÍNH TOÁN CHỌN MÁY BIẾN ÁP

PHƯƠNG ÁN 1

Vì MBA này mang tải bằng phẳng nên không có nhu cầu điều chỉnh điện áp phía hạ .Như vậy chỉ cần điều chỉnh điện áp phía cao áp và được điều chỉnh trực tiếp bằng tự động điều chỉnh kích từ (TĐK) của MF. Loại MBA này cần có bộ điều chỉnh dưới tải: Vì tất cả các phía của MBA mang tải không bằng phẳng, nên có nhu cầu điều chỉnh điện áp tất cả các phía.Nếu dùng TĐK chỉ điều chỉnh được phía hạ,nên cần có kết hợp với điều chỉnh dưới tải MBA liên lạc thì mới điều chỉnh điện áp được tất cả các phía. Với các bộ máy phát – máy biến áp vận hành với phụ tải bằng phẳng trong suốt 24giờ/ngày.

Vào các thời điểm trong ngày do các phụ tải làm việc với đồ thị không bằng phẳng nên lượng công suất qua các cuộn dây cao - trung - hạ của các máy biến áp tự ngẫu cũng thay đổi. Phải chọn tình huống sao choMBA còn lại mang tải nặng nề nhất mà vẫn hoạt dộng bình thường với hệ số kqt. Trong trường hợp này, lượng công suất thừa của phụ tải phía trung được truyền qua cuộn dây trung áp của máy biến áp liên lạc.

Kết luận: Vậy các MBA dã chọn hoàn toàn thỏa mãn các điều kiện làm việc bình thường cũng như trong các trường hợp sự cố. SCi, STi, SHi: Công suất phụ tải qua các cuộn dây của n máy biến áp .Vận hành song song théo biểu đồ thời gian SđmB: Công suất định mức máy biến áp tự ngẫu.

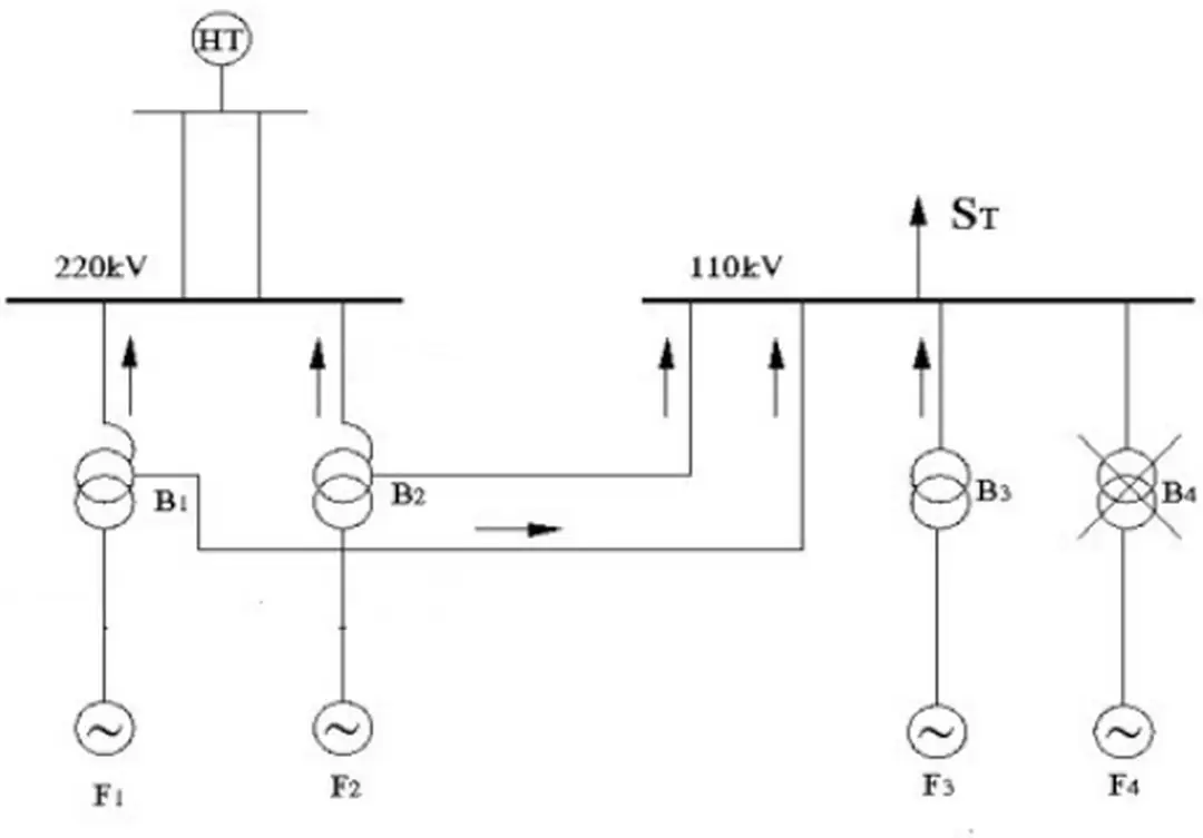
Hình 2.1.Sơ đồ nối điện phương án 1khi sự  cố  1  MBA  2  dây  quấn  phía  trung  áp
Hình 2.1.Sơ đồ nối điện phương án 1khi sự cố 1 MBA 2 dây quấn phía trung áp

TÍNH TOÁN NGẮN MẠCH

●Tính các điện kháng của các phần tử trong sơ đồ thay thế a.Điện kháng hệ thống và đường dây.

ĐỒ ÁN NHÀ MÁY ĐIỆN GVHD: PHẠM THỊ PHƯƠNG THẢO

TÍNH TOÁN KINH TẾ - KỸ THUẬT CHỌN PHƯƠNG ÁN TỐI ƯU

CHỌN SƠ ĐỒ THIẾT BỊ PHÂN PHỐI

TÍNH TOÁN KINH TẾ KỸ THUẬT , CHỌN PHƯƠNG ÁN

KHÍ CỤ ĐIỆN VÀ DÂY DẪN

TÍNH TOÁN DềNG CƯỠNG BỨC A.Phương án 1

1.1-Dòng cưỡng bức ở cấp điện áp 220KV

Vậy, dòng điện cưỡng bức dùng để chọn khí cụ điện của các mạch cấp điện áp.

2, GIỚI THIỆU CHUNG VỀ KHÍ CỤ ĐIỆN VÀ DÂY DẪN

3, KHÍ CỤ ĐIỆN CHUYỂN MẠCH 1. Hồ quang điện

    -Máy cắt điện là khí cụ điện chuyển mạch dùng để đóng cắt mạch điện khi bình thường cũng như khi có sư cố. • - Chọn loại: Đối với cấp điện áp cao và điện áp trung chọn một loại MC với dòng cưỡng bức lớn nhất trong các dòng cưỡng bức các mạch và thường chọn MC khí, ví dụ: không khí nén, khí elega SF6 để thuận tiện cho điều khiển và cung cấp khí nén. -Là khí cụ điện chuyển mạch dùng để đóng , cắt mạch chủ yếu khi không có dòng.

    -Dao cách ly được dùng để tạo ra 1 khoảng hở không khí cách điện trông thấy được để phân ly khí cụ cần sửa chữa với phần còn lại. - Giữa các đầu tiếp xúc của dao cách ly không có bộ dẫn đập hồ quang -Dao cách ly chỉ thao tác khi máy cách ở vị trí cách. -Chú ý : Dao cách ly thường chỉ thao tác khi không có dòng tuy nhiên dao cách ly được phép thao tác trong 1 số TH khi có 2 dao cách ly // , hoặc cho phép đóng cắt các dòng điện nhỏ như cắt dòng không tải.

    4 – CHỌN KHÁNG ĐIỆN PHÂN ĐOẠN

    5 – CHỌN CÁP VÀ KHÁNG ĐIỆN ĐƯỜNG DÂY –CHỌN CÁP

    6 – CHỌN KHÁNG ĐIỆN ĐƯỜNG DÂY

    Máy cắt đã chọn có Iđm> 1000 A nên không cần kiểm tra ổn định nhiệt. Thanh dẫn cứng thường làm bằng đồng hoặc nhôm, và thường được dùng từ đầu cực máy phát đến gian máy, dùng làm thanh góp điện áp máy phát, đoạn từ cấp điện áp máy phát đến máy biến áp tự dùng.

    Sơ đồ cung cấp điện cho phụ tải địa phương bằng kháng đơn: (tương tự sơ đồ trong phần mạch kháng điện)
    Sơ đồ cung cấp điện cho phụ tải địa phương bằng kháng đơn: (tương tự sơ đồ trong phần mạch kháng điện)

    7.1- Chọn loại và tiết diện

    - Xác định lực điện động do dòng ngắn mạch trong cùng 1 pha gây ra trên 1 đơn vị dài. Giá trị này lớn hơn khoảng cách của khoảng vượt l = 120cm nên không cần đệm trung gian mà chỉ cần đệm chính tại sứ. Tần số này thoả mãn yêu cầu ở trên nên thoả mãn điều kiện ổn định khi xét đến dao động riêng.

    7.5- Chọn thanh góp mềm

    -Kiểm tra điều kiện vầng quang: Với điện áp từ 100 kV trở lên thì ta phải kiểm tra theo điều kiện: Uvq ≥Udmmang. Như vậy dây dẫn đã chọn đảm bảo yêu cầu không phát sinh vầng quang khi làm việc ở chế độ bình thường. Như vậy dây dẫn đã chọn đảm bảo yêu cầu không phát sinh vầng quang khi làm việc ở chế độ bình thường.

    -Công suất định mức: Tổng phụ tải nối vào BU (S2) phải nhỏ hơn hoặc bằng công suất định mức của BU với cấp chính xác đã chọn: SđmBU ≥ S2. ∑ Pdc và ∑ Qdc là tổng công suất tác dụng và phản kháng của các dụng cụ đo, xác định dựa trên sơ đồ nối dây của các dụng cụ đo vào thứ cấp của máy biến điện áp. +Tiết diện dây dẫn được chọn sao cho tổn thất điện áp trên nó không vượt quá 0,5% điện áp định mức thứ cấp khi có công tơ.

    Phụ tải thứ cấp của BU phía 220 kV và 110 kV thường là các cuộn dây điện áp của các đồng hồ vônmet có tổng trở tương đối lớn nên công suất thường nhỏ. Để đảm bảo độ chính xác thì tổng phụ tải thứ cấp (Z2) của nó kể cả tổng trở dây dẫn không được vượt quá ZdmBI. Chống sét van là thiết bị được ghép song song với thiết bị điện để bảo vệ chống quá điện áp khí quyển.

    Khi xuất hiện quá điện áp, nó sẽ phóng điện trước làm giảm trị số quá điện áp đặt trên cách điện của thiết bị và khi hết quá trình điện áp sẽ tự động dập tắt hồ quang điện xoay chiều, phục hồi trạng thái làm việc bình thường. Trên các thanh góp 220 kV và 110 kV đặt các chống sét van với nhiệm vụ quan trọng là chống quá điện áp truyền từ đường dây vào trạm. Các MBA TN do có sự liên hệ về điện giữa cao áp và trung áp nên sóng điện áp có thể truyền từ cao sang trung hoặc ngược lại.

    Mặc dù trên thanh góp 110 kV đã đặt chống sét van nhưng đôi khi có những dòng sét có biên độ lớn truyền vào trạm, các chống sét van ở đây phóng điện. Điện áp còn dư lại truyền tới cuộn dây của MBA rất lớn có thể phá hỏng cách điện cuộn dây, đặc biệt là phần cách điện ở gần trung tính nếu trung tính cách điện. Tuy nhiên, do điện cảm của cuộn dây MBA, biên độ dòng sét khi tới điểm trung tính sẽ giảm một phần.

    Hình 5.4. Sơ đồ bố trí các thiết bị đo lường b. Chọn BU cho cấp điện áp 220 kV và 110 kV
    Hình 5.4. Sơ đồ bố trí các thiết bị đo lường b. Chọn BU cho cấp điện áp 220 kV và 110 kV

    TÍNH TOÁN TỰ DÙNG

    Các máy biến áp này lấy điện từ ngay đầu cực máy phát ,dùng để cung cấp điện cho các động cơ có công suất từ 200 kW trở lên. Máy biến áp dự phòng được lấy điện từ phía hạ máy biến áp liên lạc của nhà máy điện, phía trên máy cắt. Các máy biến áp này lấy điện từ thanh góp 6,3kV của MBA tự dùng 6,3kV ,dùng để cung cấp điện cho các động cơ có công suất dưới 200 kW và cho thắp sáng.

    Máy biến áp dự phòng loại 2 được chọn cùng loại với máy biến áp loại 2. CHỌN MÁY CẮT VÀ KHÍ CỤ ĐIỆN Chọn máy cắt tự dùng cấp điện áp 6,3 kV. Trong chương ngắn mạch đã tính được dòng ngắn mạch để chọn khí cụ điện mạch tự dùng: IN5 = 54,89 kA.