Thiết kế hệ thống đo nhiệt độ hiển thị số 5 kênh sử dụng cảm biến điện

MỤC LỤC

Nhiệt kế giãn nở

Với l0 là chiều dài của thanh ở nhiệt độ 00C , α là hệ số giãn nở nhiệt của kim loại của thanh đó. Nhiệt kế giãn nở có độ chính xác thấp , nên dùng trong các hệ thống cần đo và điều khiển nhiệt độ đơn giản. Nguyên tắc làm việc của loại nhiệt kế này là dựa trên hiện tượng giãn nở vì nhiệt của chất lỏng chứa trong bầu thuỷ tinh , khi chất lỏng trong bầu bị đốt nóng , chất lỏng được dâng lên theo ống nối ngắn với bầu chứa , quan sát chiều cao cột chất lỏng ta sẽ có nhiệt độ tương ứng được khắc trrên thang đo.

Tiết diện càng nhỏ thì nhiệt kế càng nhạy với nhiệt độ, chất lỏng chứa trong bầu thuỷ tinh có thể là ruợu hoặc thuỷ ngân. Nhiệt kế thuỷ ngân chế tạo đơn giản , giá thành hạ.Nhược điểm khó đọc số, số chỉ báo chậm , độ bền kém, không thể tự ghi và truyền tín hiệu đi xa.

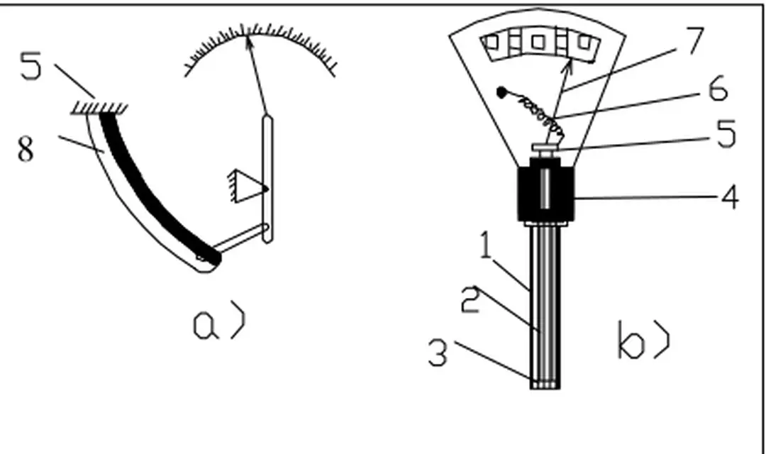
Hình 1.2 : Nhiệt kế hai thanh kim loại  1-  ống
Hình 1.2 : Nhiệt kế hai thanh kim loại 1- ống

Nhiệt áp kế

Khi tăng nhiệt độ của túi nhiệt làm cho chất lỏng, chất khí chứa trong nó tăng thể tích nhưng do túi nhiệt là thể tích kín nên làm cho tăng áp suất và làm biến dạng lò xo, truyền qua cơ cấu truyền động tới kim chỉ của áp kế , ống nối với túi nhiệt có đường kính từ 0,2 ÷ 0,5mm gọi là ống lò xo đàn hồi. Nhiệt áp kế phân theo tính chất làm việc như : nhiệt áp kế chất lỏng, chất khí, chất hơi. Trong nhiệt áp kế chất khí thì trong toàn bộ hệ thống áp suất đều chứa khí trơ như : heli, nitơ, ở áp suất cao hơn áp suất khí quyển.

Túi nhiệt được chế tạo từ thép hoặc đồng thau , ống dẫn nối chế tạo từ vật liệu là thép hoặc đồng, lò xo ống đàn hồi làm bằng đồng thau. Nhược điểm của các loại nhiệt áp kế là độ bền cơ học của ống nối thấp, thời gian báo kết quả đo chậm, khó sửa chữa và lắp ráp.

Hình 1-4  1-  Túi nhiệt
Hình 1-4 1- Túi nhiệt

Đo nhiệt độ sử dụng cặp nhiệt điện

Vật liệu làm điện cực cặp nhiệt điện phải có yêu cầu là đồng chất , sức điện động phụ thộc vào nhiệt độ gần tuyến tính , chịu được nhiệt độ, độ bền cơ học ở nhiệt độ cao, có độ bền hoá học, tính đồng nhất của vật liệu dọc chiều dài điện cực. + Sử dụng đồng hồ milivôn kế kiểu từ điện đo tín hiệu cặp nhiệt điện Trên sơ đồ nguyên lý hình (1-7) là sơ đồ sử dụng đồng hồ milivôn kiểu từ điện để đo tín hiệu của cặp nhiệt điện. Khi giữ cho Rng+RM = const thì góc quay của khung dây tỷ lệ với EAB(t,t0); trên bề mặt của đồng hồ milivon khắc theo nhiệt độ cho toàn thang đo.

Khi đo nhiệt độ sử dụng cặp nhiệt điện phải chú ý tới đầu tự do có nhiệt độ t0, phải chọn vùng có nhiệt độ t0 ổn định tránh sinh ra sức điện động phụ làm cho sai số của phép đo lớn. Để chọn được vùng có t0 ổn định người ta sử dụng cặp dây bù để kéo dài đầu tự do đi xa hoặc sử dụng cầu bù tự động để có điện áp đặt vào dụng cụ thứ cấp không đổi ứng với nhiệt độ t của đầu đo không đổi khi nhiệt độ t0 của đầu tự do thay đổi.

Hình 1.6 Đặc tuyến sức điện động của các cặp nhiệt
Hình 1.6 Đặc tuyến sức điện động của các cặp nhiệt

Đo nhiệt độ bằng cảm biến điện trở

Cảm biến nhiệt độ điện trở kim loại

Trên hình 1-10 là cấu tạo của một điện trở bạch kim sử dụng làm cảm biến nhiệt.

Sơ đồ nối cảm biến nhiệt độ điện trở

Khi dẫn tín hiệu đi xa và tránh ảnh hưởng của điện trở dây dẫn theo nhiệt độ tới phép đo, thì nối dây như sơ đồ hình 1-11b ; do nhánh cầu đều được thêm vào điện trở dây dẫn Rd1,Rd2 nên điện thế tại điểm 2 trên sơ đồ phản ánh đúng điện thế gây ra do nhiệt độ của cảm biến Rt.

Hoả kế

Hoả kế quang học

Ưu điểm của hoả kế quang học là đo gián tiếp, dải đo rộng, dễ điều chỉnh và sử dụng.

Hoả kế bức xạ

Sai số không vượt quá 4 ÷8%.Nhược điểm của loại hoả kế này là khó kiểm tra.

GIỚI THIỆU TỪNG PHẦN TỬ TRONG SƠ ĐỒ KHỐI 1 Khối cảm biến

  • Khối so sánh tín hiệu

    Tuỳ thuộc điện áp chân 6 so với điện áp chuẩn 2/3Vcc mà OA1 có điện áp ra ở mức cao hay thấp để làm tín hiệu R2, điều khiển bộ và đảo. (khi xả Diod phân cực thuận nên dòng điện không qua RB và hằng số thời gian nạp và xả của tụ không tính đến điện trở của Diod là do điện trở này rất nhỏ so với RA, RB và được cân bằng với điện trở thuận của tranzitor T khi tụ xả) Khi điện áp trên tụ : U6;2≥ 1/3 UN (điện áp chân 2; 6) khi đó OA2 lật trạng thái. R2 = H nhưng do lúc này OA2 chưa đổi trạng thái nên chân 3 vẫn ở mức thấp và T vẫn mở thông nên tụ vẫn xả.

    Bộ phận thứ hai : sử dụng 1 LED 7 thanh HD113 để cho biết kênh nào đang hoạt động(kênh phát tín hiệu). Hệ cơ số đếm thập phân của tín hiệu đo đã được số hoá qua khối biến đổi tương tự số (ICL7107). Khâu so sánh tín hiệu thường dùng khuyếch đại thuật toán ky hiệu OA - OA có hai cổng vào (+) U+ là cổng vào không đảo dấu (+) U- là cổng vào đảo dấu.

    - M là điểm nối đất của sơ đồ, là điểm chuẩn để đo điện thế của các điểm khác nhau trong sơ đồ. Để hiển thị nhiệt độ làm việc ta đưa điện áp đến một khâu hiển thị số và chuyển đổi tương tự sang số, kết hợp với bộ giải mã để cho ra ở đầu ra là mã 7 thanh. Sau đó sẽ chỉ thị đo lần lượt từng kênh một (từ sensor 1, sensor 2, sensor3, sensor4, sensor 5) và chỉ thị cho biết kênh nào đang đọc và đo nhiệt độ sensor của kênh đó.

    Việc chuyển kênh có thể được thực hiện theo nhiều cách, nhưng tổng quát có thể chia ra làm 2 cách là dùng mạch có tiếp điển (điều khiển bằng cơ) và dùng mạch không tiếp điển, hiện nay với dùng phổ biến là mạch không tiếp điểm với lý do là mạch có tiếp điểm có. + tuổi thọ không cao do sự đóng mở các tiếp điểm nên có sự hao mòn về điện hồ quang và về cơ khí. + Kích thước và không gian chiếm chỗ khá lớn, hệ thống điều khiển phức tạp, cồng kềnh và kém tin cậy.

    Bộ đếm sẽ hoạt động đếm lên hoặc khi chân CP0 chuyển mức thấp lên cao trong khi chân CP1 ở mức thấp hoặc ngược lại. Khi chân MR = L, bộ đếm được reset về 0, lúc này bộ đếm không lệ thuộc vào trạng thái của xung clock đưa vào.

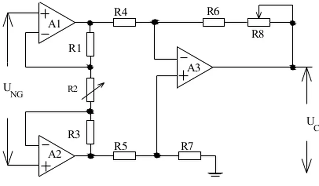
    Hình 2.4 Sơ đồ nối thành khuyếch đại đo lường  IC TL084
    Hình 2.4 Sơ đồ nối thành khuyếch đại đo lường IC TL084

    NGUYÊN LÝ LÀM VIỆC

    • Nguyên lý làm việc
      • Tính chọn nguồn

        - ở chu kỳ sáu chân MR ở mức cao lên ,có tác dụng reset lại quá trình đọc các kênh. - ở chế độ đặt nhiệt độ cho từng kênh ta dùng phương pháp điều khiển bằng tay để đảm bảo thời gian đặt nhiệt độ.( công tắc CT2 đưa về vị trí 2 ). Nếu ta nhấn tiếp nút M2 (khoảng cách nhấn nút M2 tuỳ thuộc vào thời gian quy định và người vận hành ), theo giản đồ xung của HEF 4017 lúc này.

        Quá trình đặt nhiệt độ cho từng kênh được diễn nhờ việc nhấn nút M2 theo chu kỳ như vậy cho tới hết kênh 5. Nút M1 có tác dụng reset lại để có thể đặt lại nhiệt độ cho các kênh hay khi chuyển sang chế độ đo nhiệt độ của các kênh thì ta chuyển CT1 sang 2 và nhấn M1. Tuy vậy khi đo nhiệt độ làm việc của từng kênh ta chuyển sang chế độ điều khiển tự động để đảm bảo đúng thời gian đọc từng kênh (lúc này CT2 đưa về vị trí 1, CT1 đưa về vị trí 2).

        Khi Uc< Uđ thì đầu ra ở mức cao dẫn tới hệ thống đèn hay chuông không hoạt động và quá trình đo được thực hiện bình thường,. Giả sử điện áp vào tăng lên một lượng nào đó, dẫn tới cực gốc T3 có điện thế so với đất giảm xuống(điều này do tinh chất của diod D2) T2 thông, điện áp phản hồi âm R7 giảm xuống, điện thế giữa cực phát ra và cực góp T4 mở thông hơn làm điện thế tại cực gốc của T1 bớt thông làm điện áp ra là Uổn= const. Trường hợp điện áp đầu vào giảm xuống, hiện tượng xảy ra ngược lại dẫn tới T1 mở thông hơn làm Uổn= const.

        Bây giờ ta xét trường hợp đột biến phụ tải, giả sử tải tăng lên làm điện thế của cực gốc T2 và T4 bớt thông làm điện thế của cực gốc T1 tăng lên làm Uổn= const. Cấu trúc và nguyên lý làm việc của IC ổn áp có đầu ra là âm nguồn cũng tương tự, nó đều xây dựng trên cơ sở mạch Tranzito và các linh kiện tạo mức điện áp chuẩn. Qua sự trình bày nguyên lý làm việc của vi mạch ổn áp điện một chiều ta thấy rằng T1’ và T1 ở hình (3-2) đóng vai trò như một điện trở động mắc nối tiếp với phụ tải, thay đổi trị số nhờ việc mở nhiều hay ít của T1’ và T1 theo sự biến động của điện áp vào và cũng như sự biến động của phụ tải đầu ra.

        Idmv : dòng định mức Diod khi có đủ cánh tản nhiệt và diện tích tản nhiệt (Idm > 2,5Ilv). - Ta thiết kế cách điện dây quấn sơ cấp với trụ và khoảng cách cách điện với gông hơi.