Giao diện vô tuyến WCDMA cho mạng 3G

MỤC LỤC

Giao diện vô tuyến cho 3G

FDD (Frequency Divesion Duplex) - Song công nhân chia theo tần số trong đó truyền dẫn đường lên và đường xuống sử dụng hai tần số riêng biệt, Ở FDD đường lên và đường xuống sử dụng hai băng tần khác nhau. TDD (Time Dvision Duplex) - Song công phân chia thời gian trong đó đường lên và đường xuống thực hiện trên cùng một tần số bằng cách sử dụng những khe thời gian luân phiên.

Tiêu chuẩn WCDMA

Ngoài ra, WCDMA còn có nhiều ưu điểm khác như là điều khiển công suất nhanh tỏng cả đường lên lẫn đường xuống và có khả năng biến đổi linh hoạt tỷ lệ bit, các tham số dịch vụ dựa trên cơ sở của chuỗi khung và trái phổ thay đổi. Nó là 1 sự lựa chọn hấp dẫn đối với cỏc nhà vận hành GSM sẵn cú bởi mạng lừi của nú dựa trên bộ phận ứng dụng di động của GSM (GSM MAP) và việc đầu tư mới là thấp hơn so với các kiến nghị cho hệ thống 3G khác.

Dự án đối tác (3GPP)

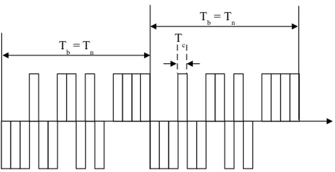
Song công phân chia theo thời gian

Một người sử dụng vẫn có thể được tốc độ dữ liệu "trung gian" bằng cách sử dụng đa mã, tức là một người sử dụng có thể được cấp phát một số mã trải phổ có SF=16 và được sử dụng một cách song song. Một cách điển hình các tế bào TDD sẽ nằm trong các toà nhà nơi mà chúng có thể cung cấp tốc độ dữ liệu tài xuống cao và bản chất trong toà nhà của hệ thống này ngăn chặn nhiễu điển hình ở các hệ thống TDD.

Dự án đối tác 3G hai (3GPP2)

Cho đến nay, người ta vẫn chưa thể khẳng định rừ liệu cỏc nhà vận hành CDMA2000 thực sự chú ý đến sự phát triển của hệ thống đa sóng mang nữa hay không, nếu hệ thống sóng mang đơn có thể cung cấp một kết quả tương ứng, hệ thống 1xRTT dễ triển khai hơn tại vì các sóng mang của nó có thể đối chiếu một -một với các sóng mang của hệ thống IS-95. Với những đặc tính kỹ thuật cao như: sử dụng hiệu quả phổ tần, sử dụng hiệu quả tài nguyên giữa đường lên và đường xuống, cung cấp tốc độ dữ liệu động, tăng khả năng chống nhiễu ra đường, điều chỉnh tốc độ bít phù hợp với trạng thái của thiết bị đầu cuối cho nên công nghệ 3G-WCDMA là một công nghệ rất tốt so với công nghệ GSM.

Hình 1.5: Quá trình phát triển của CDMA2000 Kết luận chương:
Hình 1.5: Quá trình phát triển của CDMA2000 Kết luận chương:

CẤU TRÚC MẠNG W-CDMA

Mạng truy nhập vô tuyến UTRAN

    - Giao diện UU: Là giao diện mà qua đó UE truy cập các phần tử có định của hệ thống và vì thế mà nó là giao diện mở quan trọng nhất của UMTS.- Giao diện IU: Giao diện này nối UTRAN với CN, nó cung cấp cho các nhà khai thác khả năng trang bị UTRAN và CN từ các nhà sản xuất khác nhau. RNC phục vụ (Serving RNC): SRNC đối với một MS là RNC kết cuối cả đường lối Iu để truyền số liệu người sử dụng và báo hiệu RANAP (phần ứng dụng mạng truy nhập vụ tuyến) tương ứng từ mạng lừi.

    Hình 2.2. Cấu trúc UTRAN.
    Hình 2.2. Cấu trúc UTRAN.

    Giao diện vô tuyến

      Ngăn xếp giao thức phía điều khiển mạng truyền tải: Gồm các giao thức báo hiệu để thiết lập kết nối AAL2 (Q.2630) và lớp thích ứng Q.2150 ở đỉnh các giao thức SS7 băng rộng. Vật mang báo hiệu trên cơ sở IP bao gồm: M3UA (SS7 MTP3 User Adaption Layer), SCTP (Simple Control Transmission Protocol), IP (Internet Protocol) và ALLL5 chung cho cả hai tuỳ chọn.

      Hình 2.3. Mô hình tổng quát các giao diện vô tuyến (UTRAN) 2.3.1. Giao diện UTRAN - CN, I U
      Hình 2.3. Mô hình tổng quát các giao diện vô tuyến (UTRAN) 2.3.1. Giao diện UTRAN - CN, I U

      Mã hoá trong W - CDMA

        Bước 1: Cổng đóng cho thông tin qua mạch, k chữ số thông tin u0, u1,.., un-k được dịch vào mạch từ thiết bị đầu cuối để nhân trước u(x) với xn-k> Ngay sau khi thông tin được đưa vào mạch thì n-k chữ số còn lại trong thanh ghi là những con số kiểm tra chẵn lẻ. Mạch này dùng thanh ghi dịch m bit làm bộ nhớ, các đầu ra của các phần tử nhớ được cộng với nhau theo quy luật nhất định để tạo nên chuỗi mã, sau đó các chuỗi này được ghép xen với nhau để tạo nên chuỗi mã đầu ra.

        Cơ sở lý thuyết trải phổ trong W - CDMA 1. Giới thiệu

          Tuy độ rộng băng tần tăng lên rất nhiều nhưng lúc này nhiều người sử dụng có thẻ dùng chung một băng tần trải phố, do đố mà hệ thống vẫn sử dụng băng tần có hiệu quả đồng thời tận dụng được các ưu điểm của trải phổ. Tốc độ nhảy tần có thể thực hiện nhanh hoặc chậm, trong hệ thống nhảy tần nhanh nhảy tần thực hiện ở tốc độ cao hơn tốc độ bit của bản tin, còn trong hệ thống nhảy tần thấp thì ngược lại. Trong các hệ thống FHSS và THSSS mỗi người sử dụng được ấn định một mã ngẫu nhiên sao không có cặp máy phát nào dùng chung tần số hoặc khe thời gian, như vậy các máy phát sẽ tránh bị xung đột.

          Hình 3.4. Trải phổ chuỗi trực tiếp (DSSS) 3.3.3. Mã trải phổ
          Hình 3.4. Trải phổ chuỗi trực tiếp (DSSS) 3.3.3. Mã trải phổ

          Kỹ thuật trải phổ trong W - CDMA

          • Mã trải phổ trong WCDMA

            Điều này dẫn đến người dùng có thể thực hiện các cuộc gọi chuyện mạch kênh và gói đồng thời (multi - call), hoặc liên lạc với tốc độ cao (>384Kbps). Mã định kênh sử dụng ở giao diện vô tuyến được xây dựng trên cơ sở kỹ thuật hệ số phải trả biến trực giao OSVF (Orthogonal Variable Speading Factor). Khi truyền dẫn từ một nguồn, từ hoặc một UE hay BS, một cây mã được sử dụng cùng với một mã ngẫu nhiên hoá ở đỉnh cây: Nghĩa là các UE khác nhau và các BS khác nhau có thể sử dụng các cây mã hoàn toàn độc lập với nhau, không cần thiết phải kết hợp sử dụng tài nguyên cây mã giữa các UE và BS khác nhau.

            Hình 3.9. Vai trò của mã ngẫu nhiên và mã kênh trong 3.5.2.  Mã ngẫu nhiên
            Hình 3.9. Vai trò của mã ngẫu nhiên và mã kênh trong 3.5.2. Mã ngẫu nhiên

            Cấu trúc phân kênh của WCDMA

              Hoạt động của kênh RACH không bao gồm chức năng điều khiển công suất, vì thế để đảm bảo mức công suất hợp lý thì các tiền tố được phát với mức công suất tăng dần theo từng nấc. Kênh này mang số liệu quan trọng nhất là mã Truy cập ngẫu nhiên và khe thời gian có thể cấp phát hay các kiểu phân tập phát được sử dụng với các kênh khác, ô khác cho trước. Do đặc thù của UE phải giải mã kênh quảng bá thì mới đăng ký thành công vào ô, nên hệ thống cần phát kênh này ở công suất cao để phục vụ tốt cho tất cả UE trong vùng phủ yêu cầu.

              Hình 3.11 Sơ đồ phân lớp kênh trong W-CDMA 3.6.1.Cấu trúc kênh vô tuyến
              Hình 3.11 Sơ đồ phân lớp kênh trong W-CDMA 3.6.1.Cấu trúc kênh vô tuyến

              SCH S-SCH

              • Đồng bộ hệ thống

                Trong chương này đã giới thiệu các kĩ thuật mã hóa tín hiệu, trải phổ sử dụng trong W-CDMA và đặc biệt đã trình bày cơ sở lí thuyết kênh sử dụng trong W-CDMA, cấu trúc khung dữ liệu kênh. Hiểu biết cấu trúc kênh là yếu tố quan trọng để có thể tiến hành nghiên cứu các lĩnh vực khác của W-CDMA như: các thủ tục truy nhập mạng, đồng bộ hệ thống và điều khiển công suất (sẽ được trình bày ở chương 4). UE có thể nhận các các tín hiệu kênh chung như thông tin quảng bá hệt hống bằng việc sử dụng mã ngẫu nhiên ở bước a (thiết lập đồng bộ đường xuống), và thiết lập đồng bộ đường lên bằng việc sử dụng các quy trình truy nhập ngẫu nhiên.

                Hình 3.24 Cấu trúc khung kênh AICH
                Hình 3.24 Cấu trúc khung kênh AICH

                CCPCH S-CCPCH

                  Lớp vật lý sẽd kiểm tra điều kiện thu, và nếu nó đáp ứng được mức chuẩn cho phép, thì lớp vật lý sẽ gửi nguyên dạng tới lớp 3 (RRC) để thông báo việc đồng bộ đã được thiết lập. Đối với nhóm tìm gọi này, các chỉ thị tìm gọi PI (thuộc kênh PICH) sẽ xuất hiện định ký ở kênh tìm gọi PICH khi có các bản tin tìm gọi cho một UE trực thuộc nhóm. Thủ tục truy cập ngẫu nhiên trong hệ thống WCDMA phải đáp ứng được vấn đề gần xa, vì khi bắt đầu truyền tín hiệu UE chưa biết được chính xác công suất phát cần thiết.

                  Hình 4.7 Đồng bộ kênh dành riêng DPCCH/DPDCH
                  Hình 4.7 Đồng bộ kênh dành riêng DPCCH/DPDCH

                  CCPCH

                  • Điều khiển công suất

                    Vấn đề điều khiển công suất là vấn đề vô cùng quan trọng và cần thiết trong W-CDMA để cho hệ thống hoạt động tốt vì tất cả các thuê băo đều chia sẻ cùng một băng tần vô tuyến và giải quyết một số bài toán như hiệu ứng. Vấn đề nhiều rắc rối nhất trên đường lên; khoảng cách của máy di động với trạm gốc thay đổi lớn nhất, đến nỗi mà những tín hiệu đường lên từ những user khác nhau đến tại bộ tru trạm gốc với những mức công suất khác nhau nhất. - Điều khiển công suất vòng kín - vòng ngoài: Không giống như điều khiển vòng trong, ở đây là điều chỉnh giá trị SIR đích của Node B theo những mong muốn của các radio- link riêng lẻ và cố gắng giữ các giá BER hoặc FER ở mức chất lượng cố định.

                    Hình 4.10. Sơ đồ minh hoạ các phương pháp điều khiển công suất 4.4.2.1. Điều khiển công suất vòng hở
                    Hình 4.10. Sơ đồ minh hoạ các phương pháp điều khiển công suất 4.4.2.1. Điều khiển công suất vòng hở

                    Preamle

                    QUY HOẠCH MẠNG W-CDMA

                    • Tính toán dung lượng và vùng phủ

                      Tổn hao đường truyền cho phép là hiệu số giữa công suất phát xạ hiệu dụng của máy phát và cường độ tín hiệu tối thiểu cần thíêt ở máy thu cho chất lượng tiếng chấp thuận.Các thành phần chính xác định tổn hao đường truyền được gọi là quỹ năng lượng đường truyền. Mô hình Hata bỏ qua ảnh hưởng của độ rộng phố, nhiều xạ phố và các tổn hao tán xạ còn mô hình Walf - Ikegami có xét đến các ảnh hưởng này nên bán kính cell tính theo mô hình Hata lớn hơn so với mô hình Walf ở cùng một tổn hao cho phép. Các thuê bao ảnh hưởng lẫn nhau nên công suất phát buộc phải thay đổi, sự thay đổi này lại gây ra các thay đổi khác vì vậy toàn bộ quá trình dự tính phải được thực hiện lặp cho đến khi công suất phát ổn định.