Phương pháp đo, kiểm tra và phân tích trong tự động hóa luyện kim

MỤC LỤC

Đo và kiểm tra trong công nghệ luyện kim

Chẳng hạn khi nung thép để cán hoặc nhiệt luyện, nhiệt độ lò và nhiệt độ vật nung phải khống chế theo một chế độ nung định trước đảm bảo không xẩy ra hiện tượng nứt, cong vênh khi ở nhiệt độ thấp, không bị quá nhiệt hoặc cháy khi ở nhiệt độ cao. Trong luyện kim, sử dụng nhiều các thiết bị làm việc với chất lưu (chất lỏng, chất khí, hơi) nh− thiết bị cấp gió, cấp khí nén, cấp nhiên liệu, thiết bị làm mát, thiết bị bôi trơn…do đó việc đo và kiểm tra thường xuyên nhiệt độ, áp suất hoặc lưu lượng chất lưu cũng rất quan trọng.

Khái niệm chung

Nhiệt độ và thang đo nhiệt độ

Tuy nhiên, do nhiều nguyên nhân, nhiệt độ của vật đo không bao giờ đạt tới nhiệt độ môi trường Tx, do đó khi đo ta chỉ nhận được nhiệt độ Tc là nhiệt độ của vật đo. Trên thực tế, thời gian tiếp xúc giữa vật đo và môi trường đo là có giới hạn, đồng thời có sự truyền nhiệt từ vật đo ra môi trường bên ngoài do đó , trong phép đo luôn tồn tại sai lệch.

Phương pháp đo nhiệt độ

Để tăng cường trao đổi nhiệt giữa môi trường đo và vật đo ta phải dùng vật đo có tỉ nhiệt thấp, hệ số dẫn nhiệt cao. D−ới đây nghiên cứu một số loại dụng cụ đo cơ bản và các dụng cụ thứ cấp thường dùng khi đo nhiệt độ.

Nhiệt kế điện trở 1. Nguyên lý đo

    Khi độ biến thiên của nhiệt độ ∆T (xung quanh giá trị T) nhỏ, điện trở có thể coi nh− thay đổi theo hàm tuyến tính:. Trong đó αR là hệ số nhiệt của điện trở hay còn gọi là độ nhạy nhiệt ở nhiệt độ T, xác định bởi công thức:. Chất l−ợng thiết bị đo xác định giá trị nhỏ nhất mà nó có thể đo đ−ợc. , do đó cũng xác định sự thay đổi nhỏ nhất của nhiệt độ có thể phát hiện đ−ợc:. ∆ và với những phép đo quanh điểm 0oC, vật liệu là platin thì. Thực ra, điện trở không chỉ thay đổi khi nhiệt độ thay đổi do sự thay đổi điện trở suất mà còn chịu tác động của sự thay đổi kích thước hình học của nó. đối với một điện trở dây có chiều dài l và tiết diện s, hệ số nhiệt độ có dạng:. Các loại nhiệt kế điện trở. Nhiệt kế điện trở kim loại a) Vật liệu. Vì ảnh hưởng của hàm mũ đến điện trở chiếm ưu thế nên biểu thức (2.16) có thể viết lại:. Hỗn hợp bột oxyt đ−ợc trộn theo tỉ lệ thích hợp sau đó đ−ợc nén định dạng và thiêu kết ở nhiệt độ ~ 1000oC. Các dây nối kim loại đ−ợc hàn tại hai điểm trên bề mặt đã đ−ợc phủ bằng một lớp kim loại. Mặt ngoài có thể bọc bằng vỏ thuỷ tinh. Nhiệt điện trở có độ nhạy nhiệt rất cao nên có thể dùng để phát hiện những biến thiên nhiệt độ rất nhỏ cỡ 10-4 - 10-3K. Đầu đo có kích thước nhỏ nên có thể đo nhiệt độ tại từng điểm và nhiệt dung nhỏ nên thời gian hồi đáp bé. Tùy thuộc thành phần chế tạo, dải nhiệt độ làm việc của cảm biến nhiệt điện trở từ vài độ đến khoảng 300oC. Mạch đo và dụng cụ thứ cấp a) Mạch đo dùng logomet.

    Hình 2.8 Sơ đồ mạch đo dùng logomet
    Hình 2.8 Sơ đồ mạch đo dùng logomet

    Cặp nhiệt ngẫu

    • Mạch đo và dụng cụ thứ cấp

      Để bảo vệ các điện cực, các cặp nhiệt có vỏ bảo vệ (1) làm bằng sứ chịu nhiệt hoặc thép chịu nhiệt. Hệ thống vỏ bảo vệ phải có nhiệt dung đủ nhỏ để giảm bớt. quán tính nhiệt và vật liệu chế tạo vỏ phải có độ dẫn nhiệt không quá nhỏ nh−ng cũng không đ−ợc quá lớn. Tr−ờng hợp vỏ bằng thép, mối hàn ở đầu làm việc có thể tiếp xúc với vỏ để giảm thời gian hồi đáp. Mạch đo và dụng cụ thứ cấp. Nhiệt độ cần đo đ−ợc xác định thông qua việc đo sức điện động sinh ra ở hai. đầu dây của cặp nhiệt ngẫu, do vậy muốn nâng cao độ chính xác cần phải:. + Giảm thiểu ảnh hưởng tác động của môi trường đo lên nhiệt độ đầu tự do. + Giảm thiểu sự sụt áp do có dòng điện chạy qua các phần tử của đầu đo và mạch đo. Sơ đồ mạch đo dùng milivôn kế a) Sơ đồ. Điện trở phụ Rf của milivôn kế th−ờng chế tạo bằng vật liệu có αR = 0 nên không ảnh hưởng, sự thay đổi Rv khi nhiệt độ tăng chủ yếu do sự thay đổi của điện trở khung dây Rkd (chế tạo bằng đồng αR = 4,2.10-3/oC).

      Hoả kế

      Hoả kế bức xạ toàn phần

      Trên hình 2.25 trình bày cấu tạo của một bộ thu là tổ hợp cặp nhiệt. Khi đo nhiệt độ bằng hoả kế bức xạ sai số thường không vượt quá ±27oC, trong.

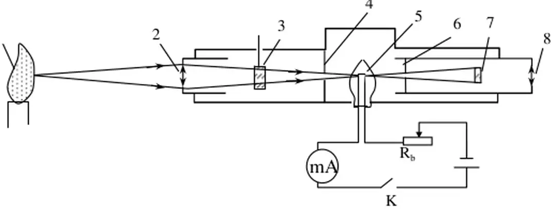
      Hoả kế quang

      Nguyên tắc đo nhiệt độ bằng hoả kế quang là so sánh độ sáng của vật cần đo và độ sáng của một đèn mẫu ở trong cùng một bước sóng nhất định và theo cùng một hướng. Bật công tắc K để cấp điện nung nóng dây tóc bóng đèn mẫu (5), điều chỉnh biến trở Rb để độ sáng của dây tóc bóng đèn trùng với độ sáng của vật cần đo.

      Hình 2.28 Sơ đồ hoả kế quang học
      Hình 2.28 Sơ đồ hoả kế quang học

      Các phương pháp đo nhiệt độ khác

      Ngoài ra sai số của phép đo còn do ảnh h−ởng của khoảng cách đo, tuy nhiên sai số này th−ờng nhỏ. Độ nhạy nhiệt của điot hoặc tranzito mắc theo kiểu điot lớn hơn nhiều so với cặp nhiệt ngẫu nh−ng nhỏ hơn so với nhiệt điện trở.

      Khái niệm chung

      Lưu lượng kế đo lưu lượng theo thể tích

      Lưu lượng kế bánh răng

      Sau đó bánh răng (1) quay và quá trình tương tự lặp lại, thể tích chất lỏng trong buồng V2 đ−ợc đẩy sang cửa ra. , do đó trong một vòng quay của trục lưu lượng kế, thể tích chất lỏng qua lưu lượng kế bằng bốn lần thể tích V. - Dùng một nam châm nhỏ gắn trên trục quay của lưu lượng kế, khi nam châm đi qua một cuộn dây đặt cố định sẽ tạo ra xung điện.

      1, tổn thất áp suất nhỏ nh−ng có nh−ợc điểm là chất lỏng đo phải đ−ợc lọc tốt và gây ồn khi làm việc.

      Lưu lượng kế kiểu cánh

      Đếm số xung điện theo thời gian sẽ tính được tốc độ quay của trục lưu lượng kế. Trong quá trình quay các cánh luôn tiếp xúc với mặt ngoài cam (6) nhờ các con lăn (5). Trong một vòng quay, thể tích chất khí đi qua lưu lượng kế bằng thể tích vành chất khí giữa vỏ và tang.

      Lưu lượng kế điện từ

      Lưu lượng kế loại này thường dùng để đo lưu lượng nhỏ, khi cần truyền kết quả đi xa người ta dùng bộ biến đổi điện kiểu biến áp vi sai (hình 4.11b), khi đó phao đ−ợc chế tạo bằng vật liệu sắt từ. Lưu lượng kế gồm ống kim loại không từ tính (3) bên trong có phủ lớp vật liệu cách điện (sơn êmay, thuỷ tinh hữu cơ) đặt giữa hai cực của một nam châm (5) sao cho trục ống vuông góc với đ−ờng sức của từ tr−ờng. Lưu lượng kế điện từ với từ trường không đổi có nhược điểm là trên các cực xuất hiện các sức điện động phụ (do phân cực) làm sai lệch kết quả đo.

      Để khắc phục nhược điểm trên, người ta dùng lưu lượng kế điện từ dùng nam châm điện xoay chiều, tuy nhiên từ tr−ờng xoay chiều lại làm méo tín hiệu ra.

      Khái niệm và ph−ơng pháp phân tích 1. Khái niệm

      Ph−ơng pháp phân tích điện

      Phân tích khí theo độ dẫn nhiệt của chất khí

      Thiết bị phân tích khí theo độ dẫn nhiệt của chất khí có bộ phận cơ bản là một buồng đo có dạng hình trụ bên trong căng một sợi dây bạch kim (hình 5.1). Khi cho dòng không khí chuyển động chậm đi qua buồng đo, cấp điện để nung nóng dây bạch kim sao cho nhiệt độ dây , khi đó nhiệt độ thành buồng. Khi nhiệt độ dây thay đổi (thường trong phạm vi ±5oC) thì điện trở của dây Rd thay đổi theo, để đo nhiệt độ dây người ta dùng cầu cân bằng (hình 5.2).

      Phương pháp phân tích khí theo sự cháy của cấu tử cần phân tích được dùng để phân tích tổng l−ợng khí (CO + H2).

      Phân tích khí theo độ từ thẩm của khí

      Luồng bức xạ gồm các bức xạ mà tất cả các chất khí không cần phân tích hấp thụ (ký hiệu bằng mũi tên tô đậm) và các bức xạ chỉ bị chất khí phân tích hấp thụ (ký hiệu bằng mũi tên không tô đậm) qua g−ơng cầu (4) và các lỗ trống. Luồng bức xạ bên trái đi qua buồng (8) chứa không khí sạch nên không bị hấp thụ, luồng bức xạ bên phải đi qua buồng (9) chứa chất khí phân tích một phần bức xạ bị hấp thụ. Nhờ hệ thống gương phản xạ hai luồng bức xạ trên được hướng vào hai mặt của một micrôvôn, do năng l−ợng bức xạ của hai luồng khác nhau nên tạo ra tín hiệu sai lệch.

      Tín hiệu sai lệch sau khi đ−ợc khuếch đại nhờ bộ khuếch đại (13) làm dịch chuyển con chạy biến trở để thay đổi dòng điện cung cấp cho dây nicrôm (3)và cấp tín hiệu cho đồng hồ đo (14).

      Phương pháp quang phổ định lượng

      Trong công nghiệp luyện kim nhiều tr−ờng hợp phải đo một số chỉ tiêu công nghệ như độ pH, nồng độ chất điện ly, tỷ trọng, độ ẩm, mức chất lưu …Trong chương này trình bày nguyên tắc đo và thiết bị đo cơ bản dùng để đo một số chỉ tiêu công nghệ th−ờng gặp.